LEMON Manuals: Even more car manuals for everyone: 1960-2025
Home >> Hummer >> 2008 >> H3 Base, Automatic >> Repair and Diagnosis (Single Page) >> External Pages >> Different car >> Section 315 (Engine Control System & Fuel System - 5.3L - Introduction, Service & Repair) >> Repair Instructions >> Knock Sensor 1 Replacement >> Installation Procedure
April 5, 2026: LEMON Manuals is launched! Read the announcement.

Installation Procedure

WARNING: This page is about a different car, the 2009 GMC Canyon and 2009 Chevrolet Colorado. However, it is still accessible from the selected car via links, so may be relevant.
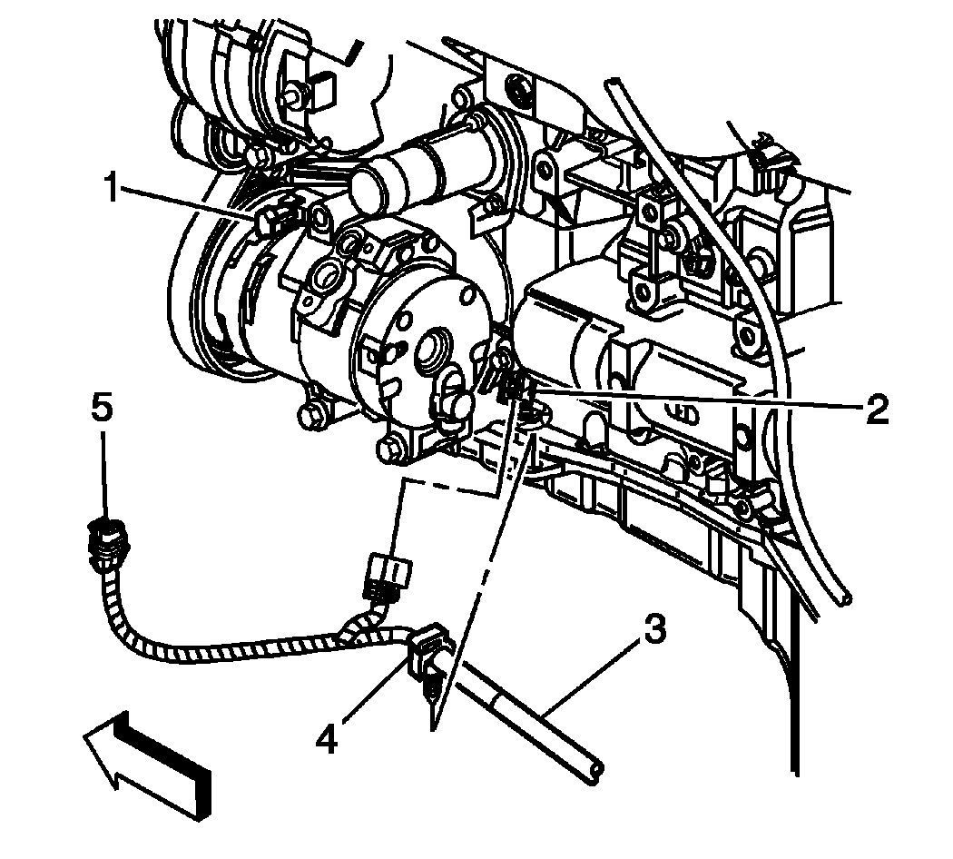
    Fig 1: View Of #1 Knock Sensor & Engine Oil Pan Rail Engine Wiring Harness Connectors
    GM1352025Courtesy of GENERAL MOTORS CORP.
    CAUTION: Refer to Fastener Caution .
  1. Install the KS (2) and the retaining bolt to the engine block, positioning the electrical terminals down.

    Tighten:  Tighten the KS bolt to 25 N.m (18 lb ft).

  2. Connect the engine wiring harness electrical connector to the KS (2).
  3. Lower the vehicle.