LEMON Manuals: Even more car manuals for everyone: 1960-2025
Home >> Hummer >> 2008 >> H3 Base, Automatic >> Repair and Diagnosis >> Body & Frame >> Fixed And MOVEABLE Windows >> Schematic and Routing Diagrams >> Moveable Window Schematics
April 5, 2026: LEMON Manuals is launched! Read the announcement.

Moveable Window Schematics

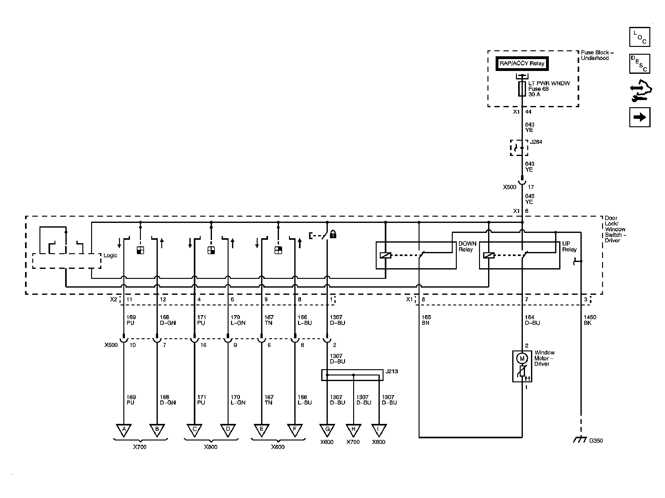
Fig 1: Driver Door - LHD
GM1911829Courtesy of GENERAL MOTORS CORP.
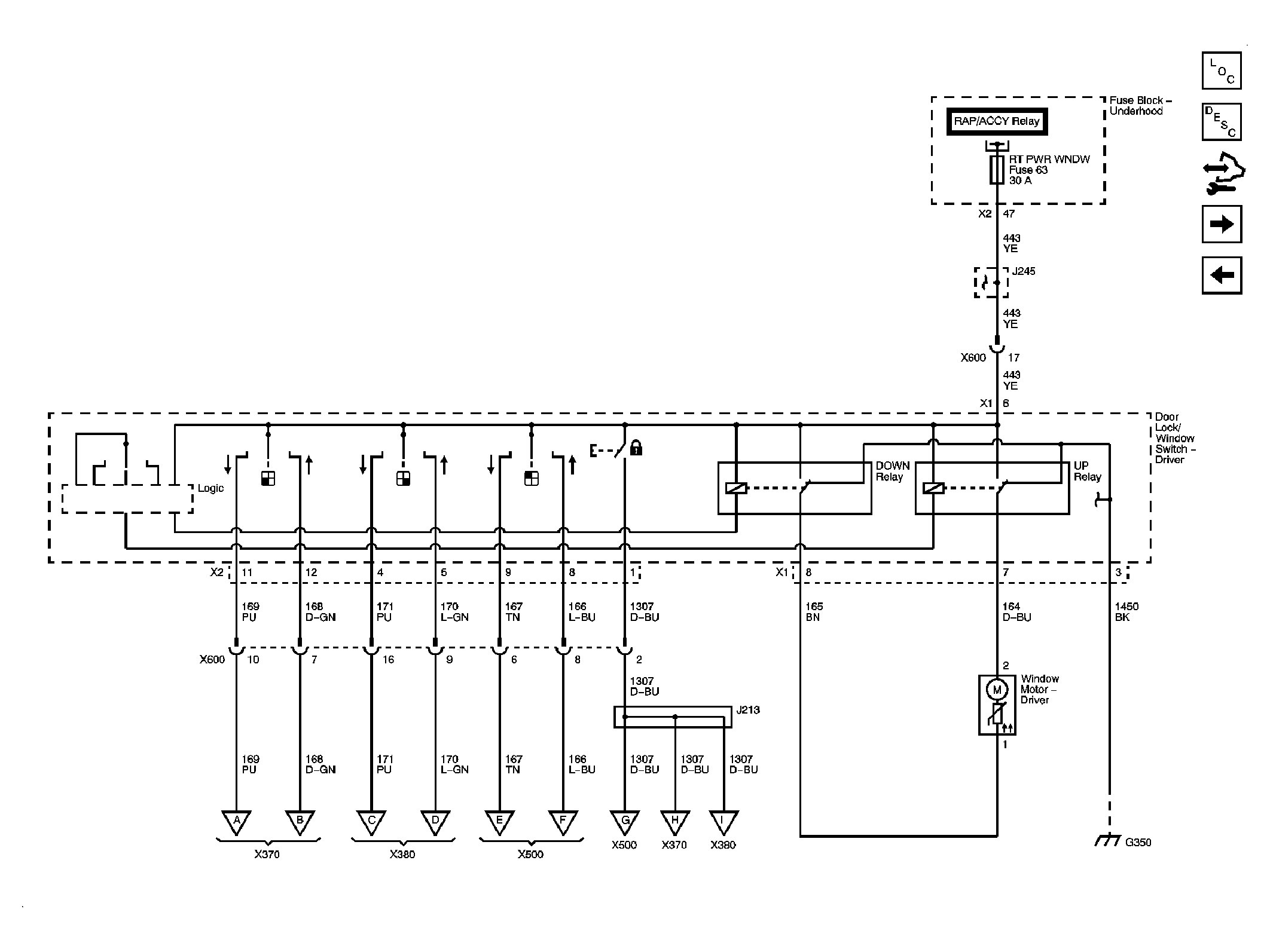
Fig 2: Driver Door - RHD
GM1911838Courtesy of GENERAL MOTORS CORP.
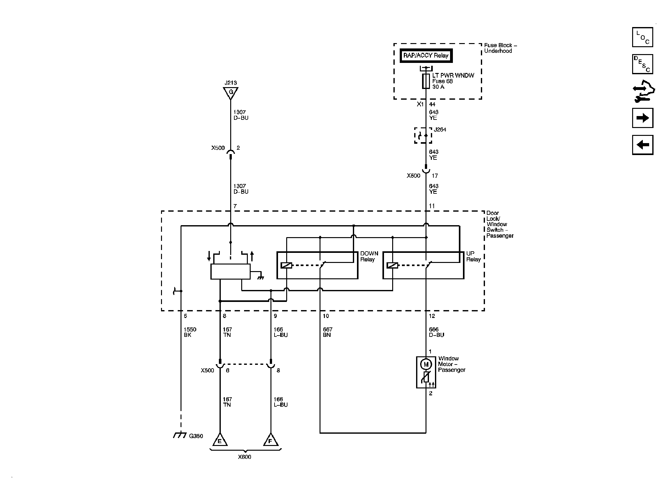
Fig 3: Passenger Door - LHD
GM1911840Courtesy of GENERAL MOTORS CORP.
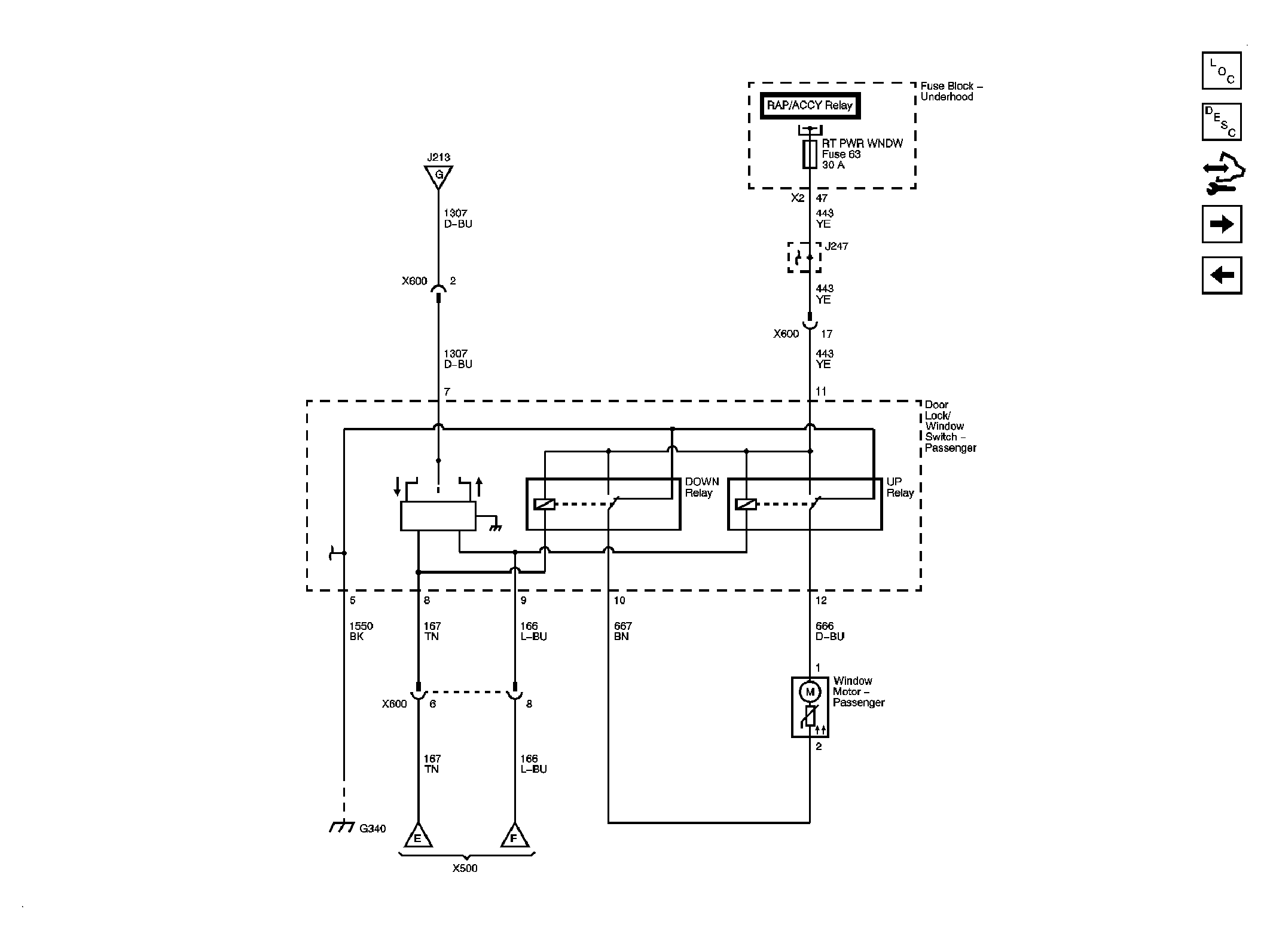
Fig 4: Passenger Door - RHD
GM1911841Courtesy of GENERAL MOTORS CORP.
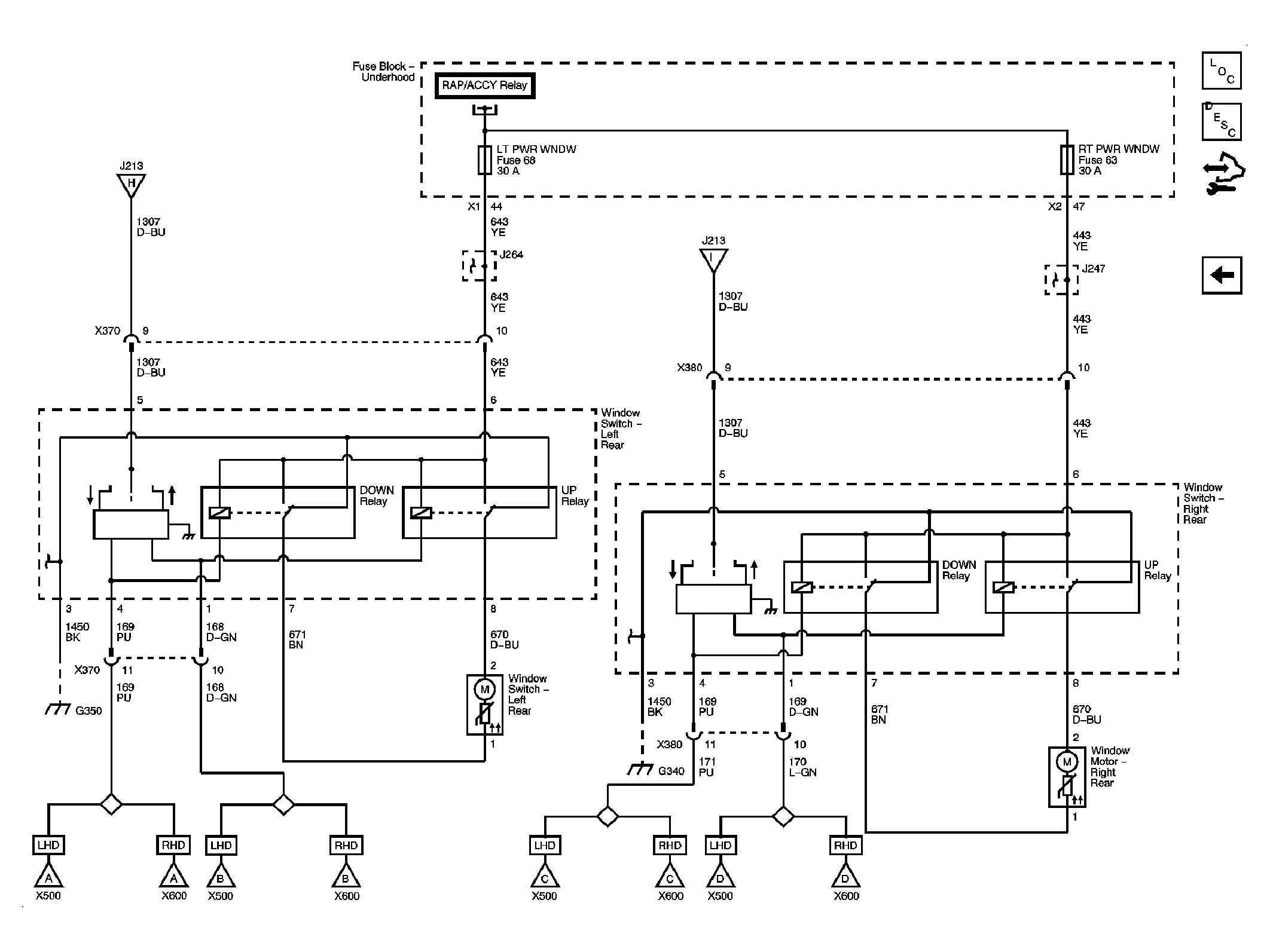
Fig 5: Rear Doors
GM1911842Courtesy of GENERAL MOTORS CORP.