LEMON Manuals: Even more car manuals for everyone: 1960-2025
Home >> Hummer >> 2008 >> H3 Base, Automatic >> Repair and Diagnosis >> External Pages >> Different variant/trim >> Section 2 (Engine Controls And Fuel - 5.3L - Introduction (2 Of 2)) >> Schematic and Routing Diagrams >> Engine Controls Schematics
April 5, 2026: LEMON Manuals is launched! Read the announcement.

Engine Controls Schematics

WARNING: This page is about a different variant/trim than selected.
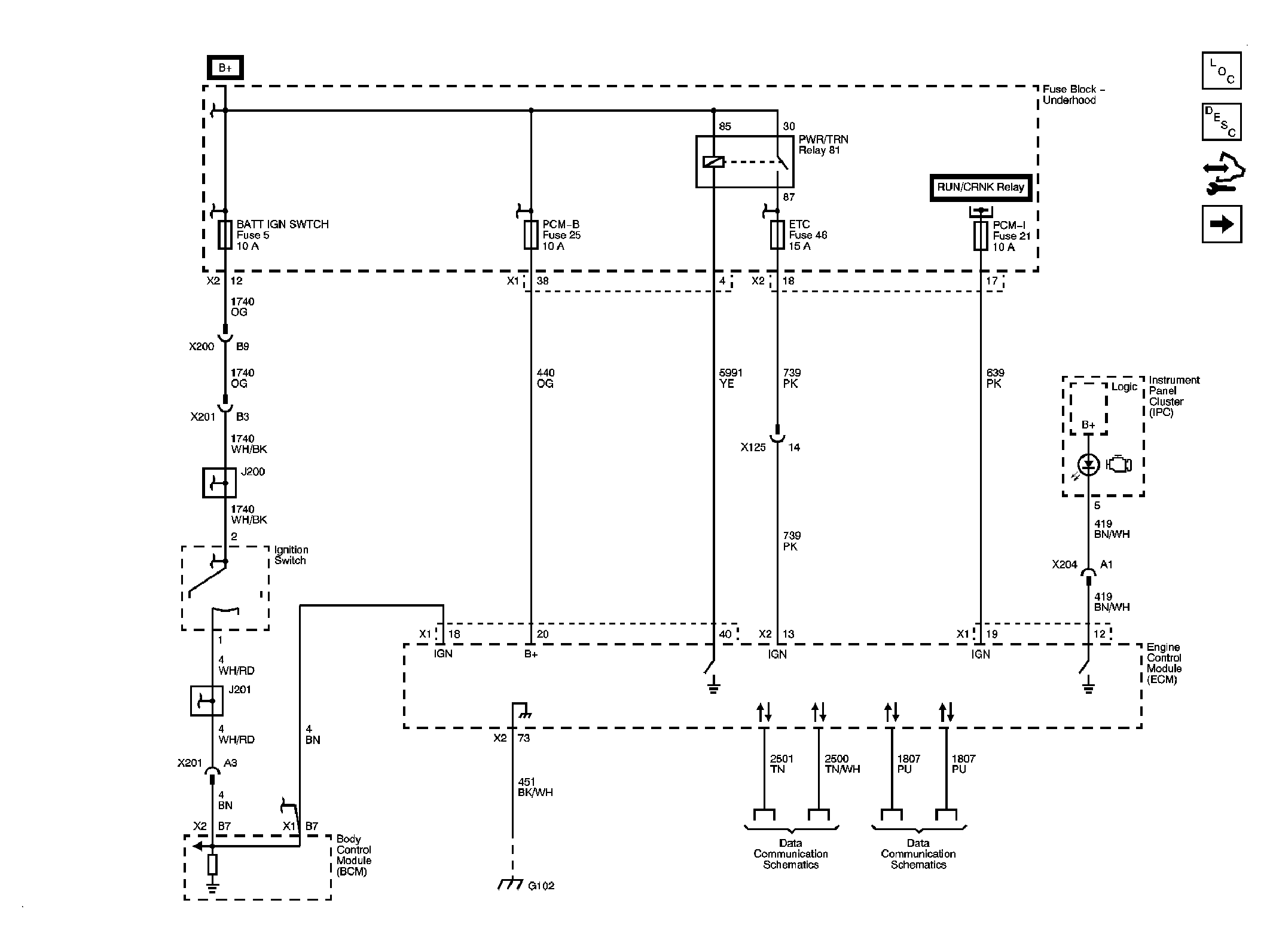
Fig 1: Module Power, Ground, Serial Data and MIL
GM1911905Courtesy of GENERAL MOTORS CORP.
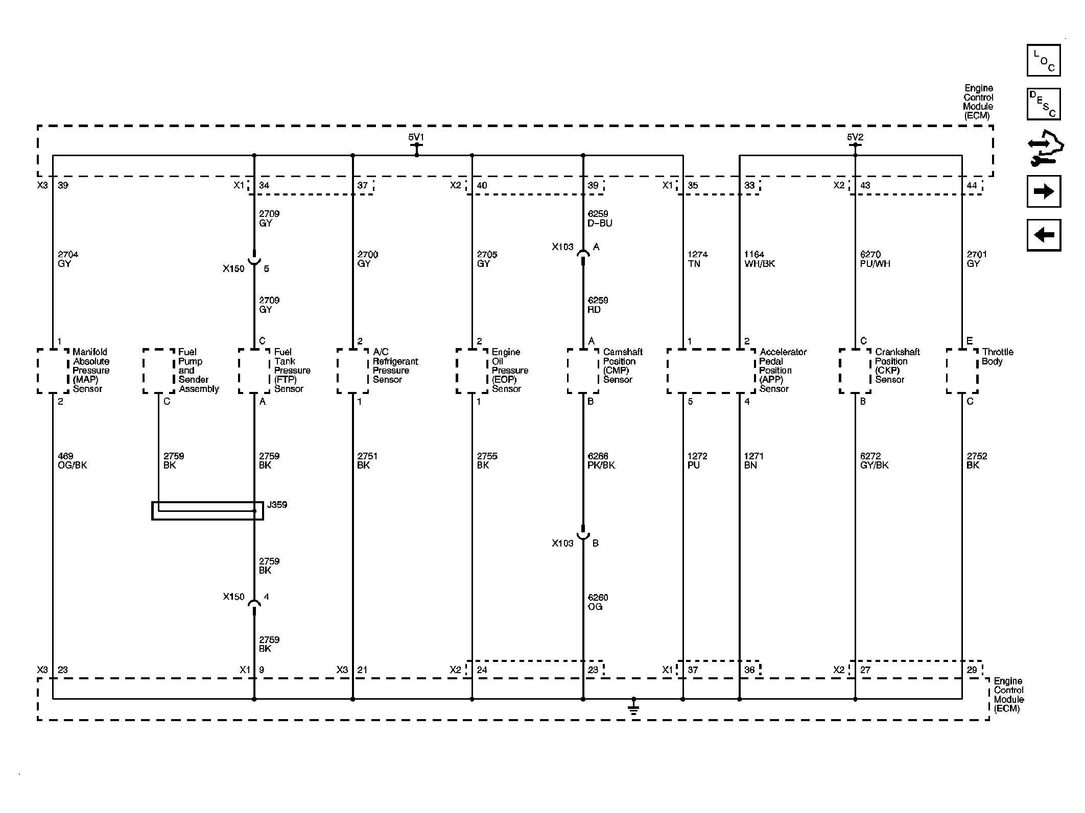
Fig 2: Engine Data Sensors - 5-Volt and Low Reference
GM1911907Courtesy of GENERAL MOTORS CORP.
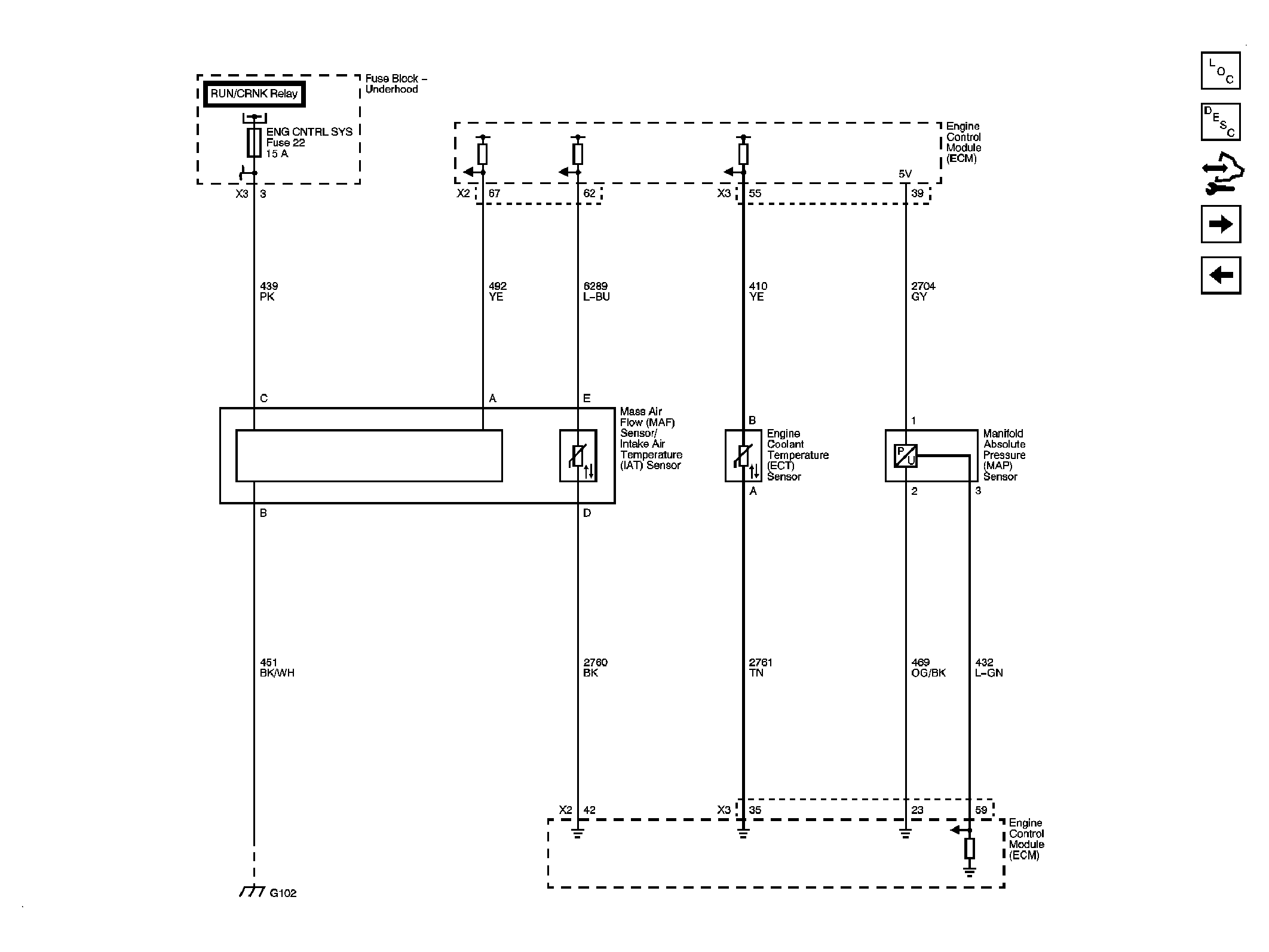
Fig 3: Engine Data Sensors - Pressure, and Temperature
GM1911909Courtesy of GENERAL MOTORS CORP.
Fig 4: Engine Data Sensors - HO2S
GM1911910Courtesy of GENERAL MOTORS CORP.
Fig 5: Engine Data Sensors - Electronic Throttle Control
GM1911911Courtesy of GENERAL MOTORS CORP.
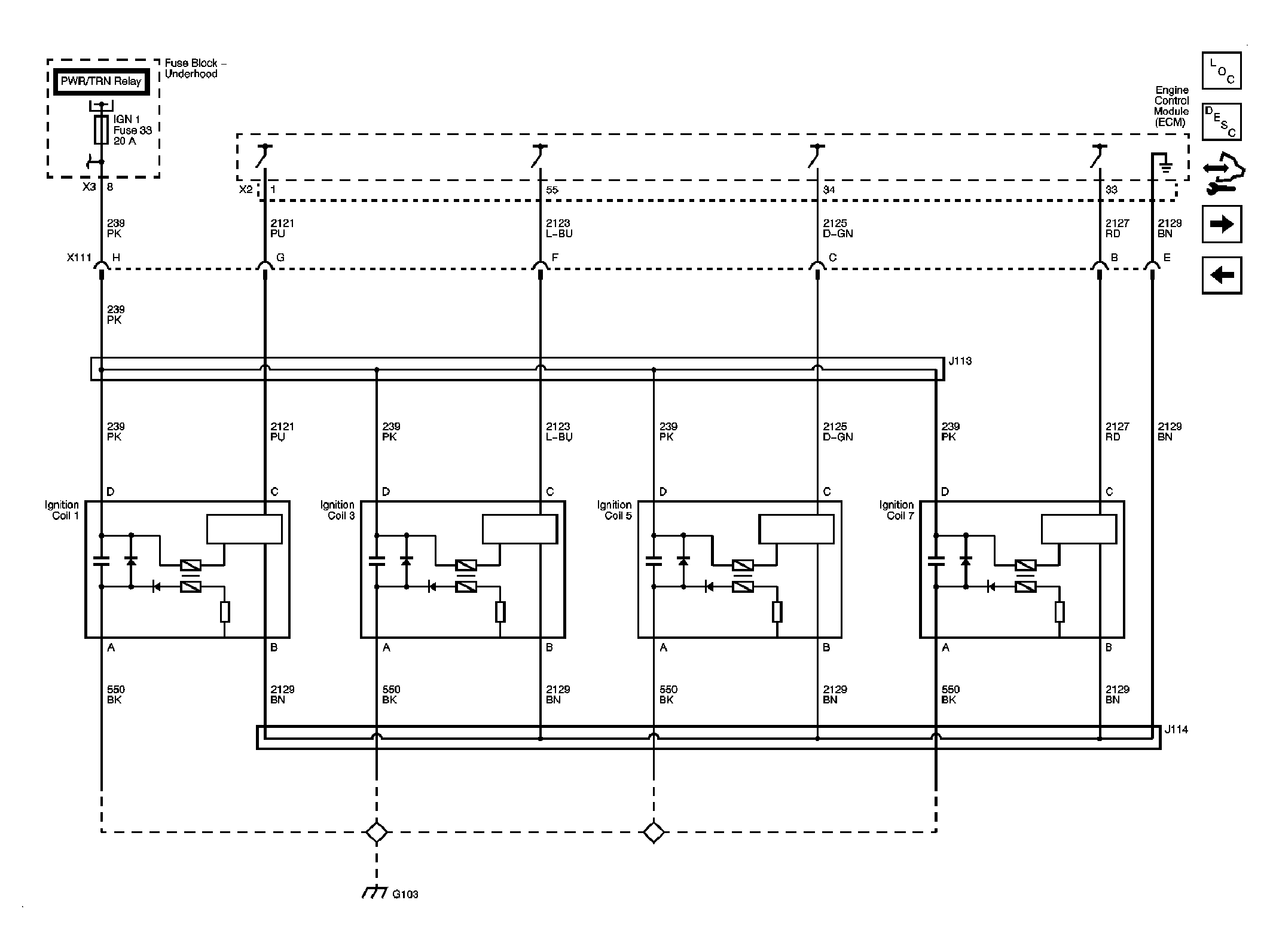
Fig 6: Ignition Controls - Ignition Coils 1, 3, 5, and 7
GM1911912Courtesy of GENERAL MOTORS CORP.
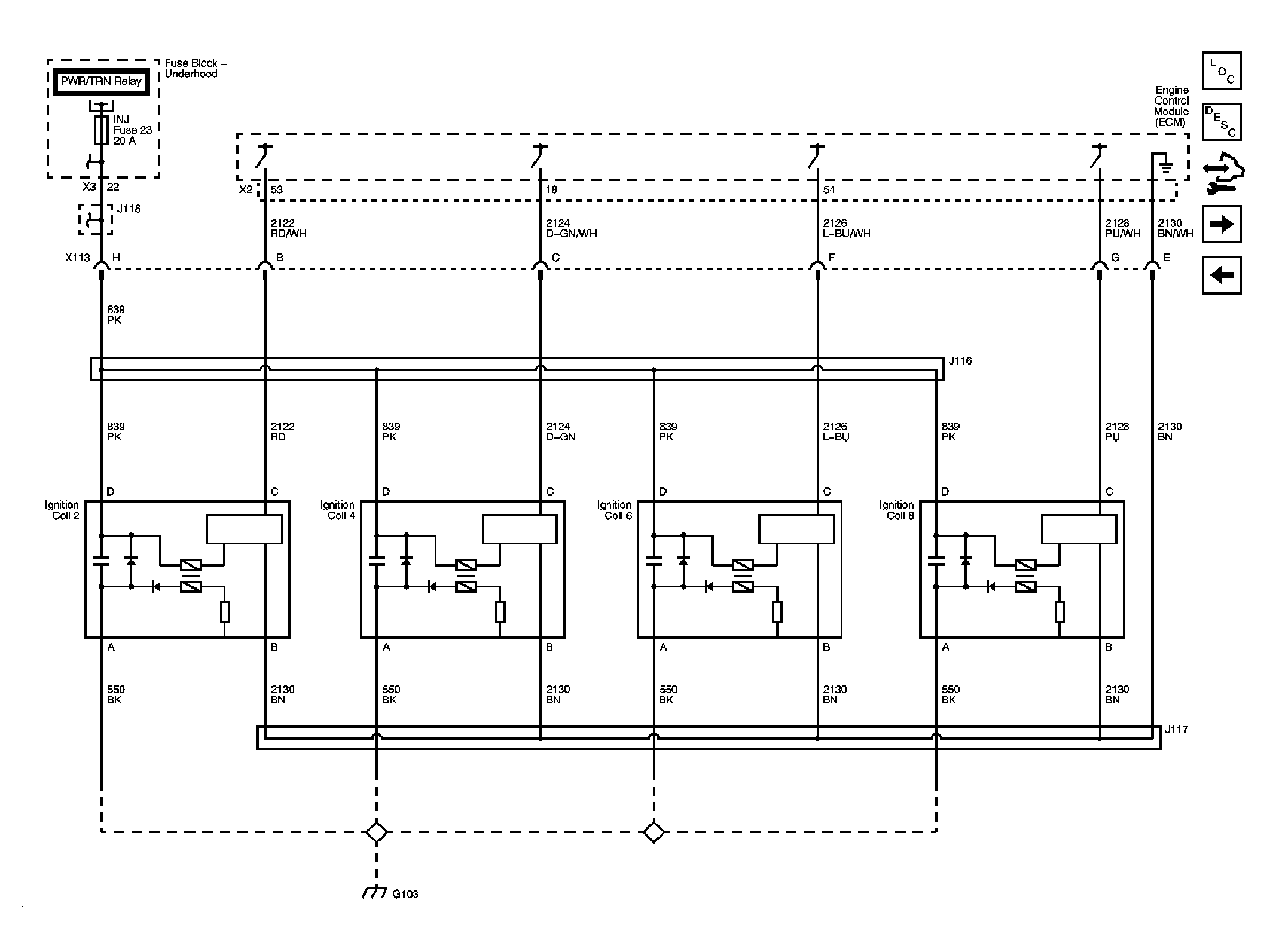
Fig 7: Ignition Controls - Ignition Coils 2, 4, 6, and 8
GM1911913Courtesy of GENERAL MOTORS CORP.
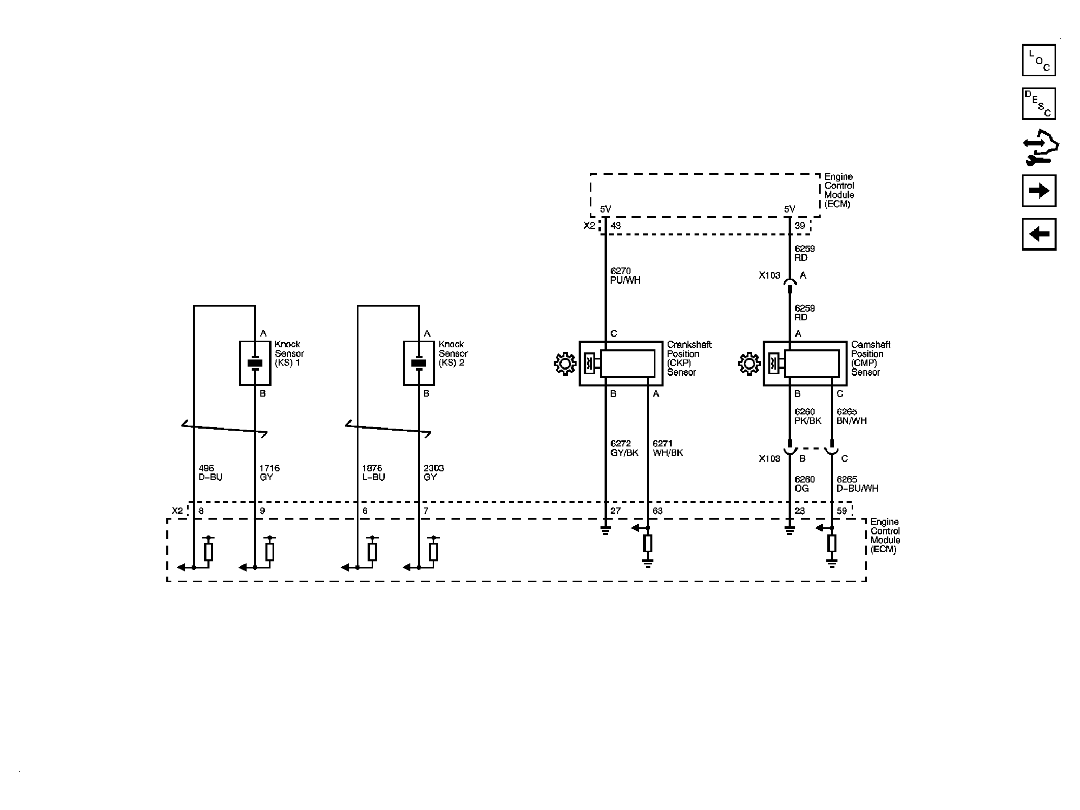
Fig 8: Ignition Controls - Sensors
GM1911914Courtesy of GENERAL MOTORS CORP.
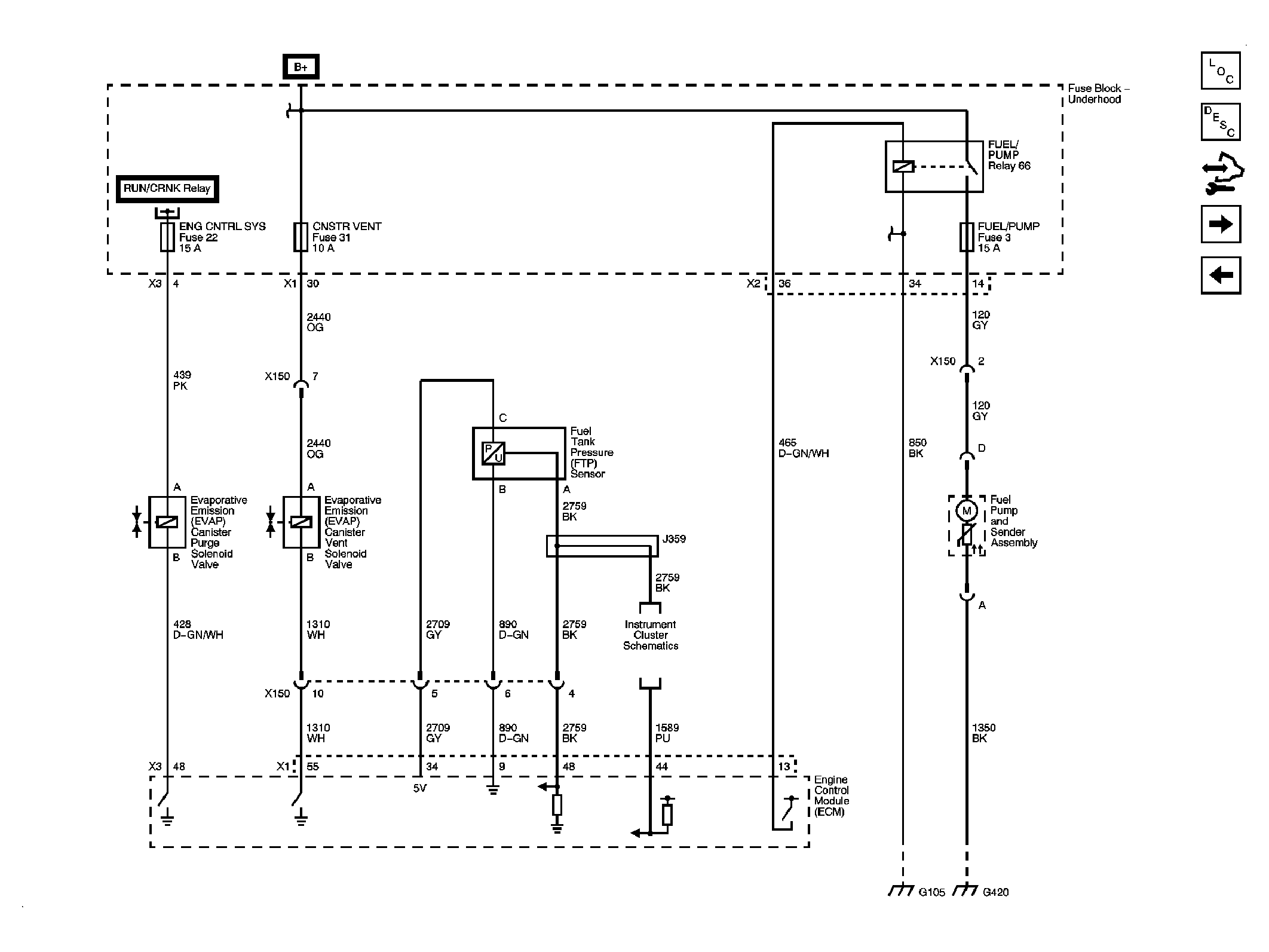
Fig 9: Fuel Controls - Fuel Pump and EVAP Controls
GM1911915Courtesy of GENERAL MOTORS CORP.
Fig 10: Fuel Controls - Fuel Injectors
GM1911916Courtesy of GENERAL MOTORS CORP.
Fig 11: Controlled/Monitored Subsystem References
GM1911917Courtesy of GENERAL MOTORS CORP.