LEMON Manuals: Even more car manuals for everyone: 1960-2025
Home >> Hummer >> 2008 >> H3 Luxury, Automatic >> Repair and Diagnosis >> External Pages >> Different car >> Section 272 (Cellular System, Entertainment System & Navigation System) >> Schematic and Routing Diagrams >> Radio/Navigation System Schematics
April 5, 2026: LEMON Manuals is launched! Read the announcement.

Radio/Navigation System Schematics

WARNING: This page is about a different car, the 2009 GMC Canyon and 2009 Chevrolet Colorado. However, it is still accessible from the selected car via links, so may be relevant.
Fig 1: Power, Ground, and Serial Data
GM2082824Courtesy of GENERAL MOTORS CORP.
Fig 2: Speakers
GM2082827Courtesy of GENERAL MOTORS CORP.
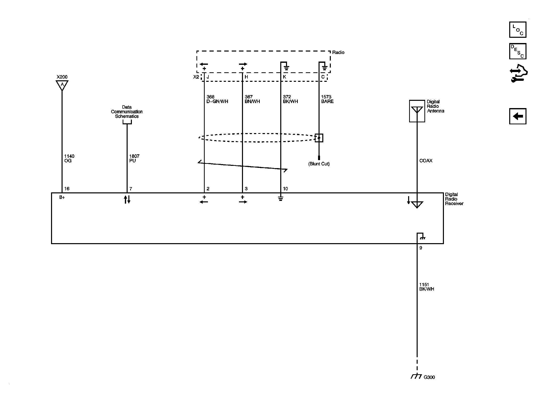
Fig 3: Digital Radio (U2K)
GM2082831Courtesy of GENERAL MOTORS CORP.