LEMON Manuals: Even more car manuals for everyone: 1960-2025
Home >> Hummer >> 2009 >> H2 4D Utility Pickup >> Repair and Diagnosis >> Accessories & Equipment >> Memory Modules >> Secondary And Configurable Customer Controls >> Schematic and Routing Diagrams >> Steering Wheel Secondary/Configurable Control Schematics
April 5, 2026: LEMON Manuals is launched! Read the announcement.

Steering Wheel Secondary/Configurable Control Schematics

Fig 1: Steering Wheel Secondary/Configurable Control
GM2097178Courtesy of GENERAL MOTORS CORP.
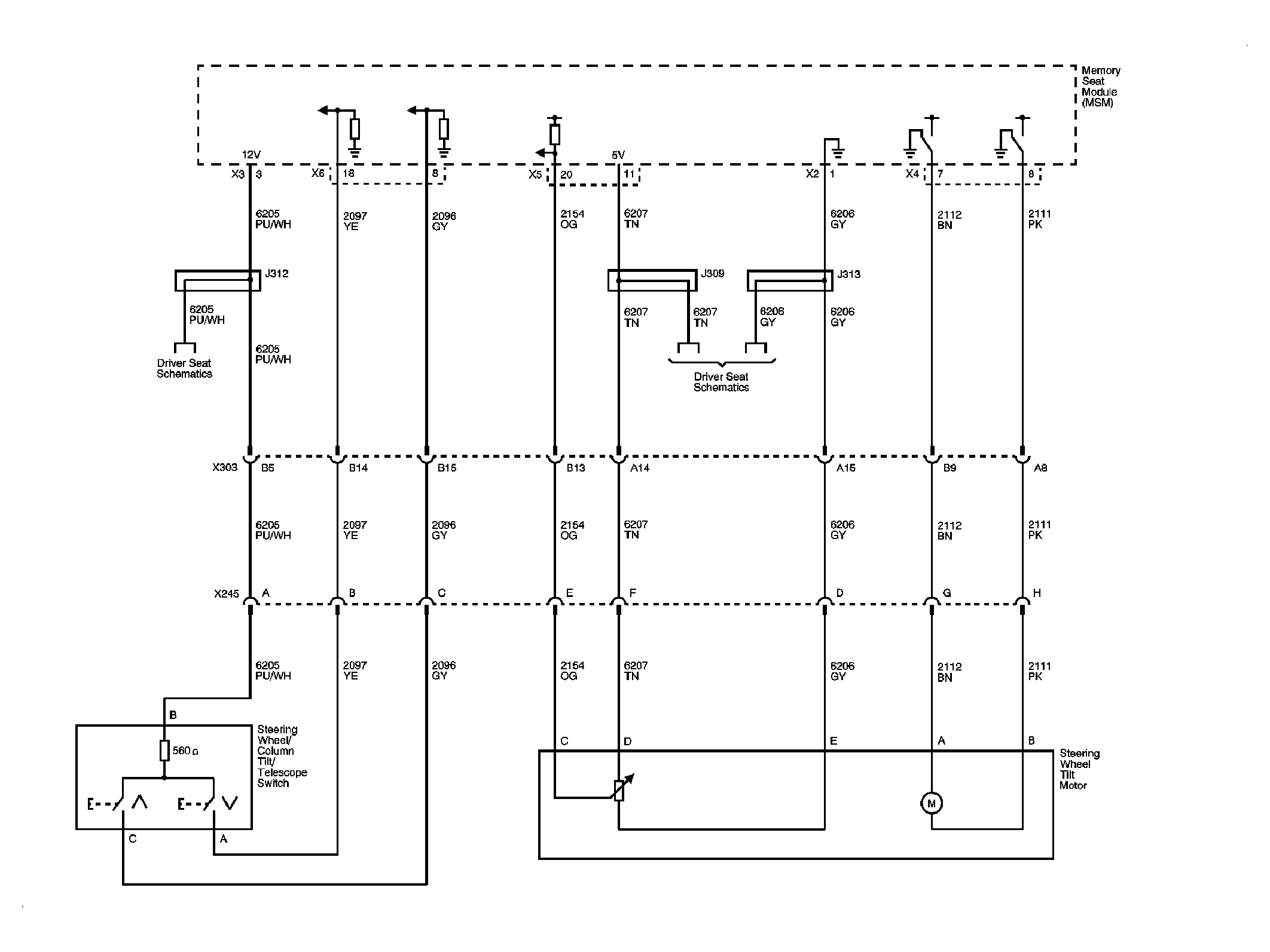
Fig 2: Power Tile and Telescope Steering Column
GM2132089Courtesy of GENERAL MOTORS CORP.
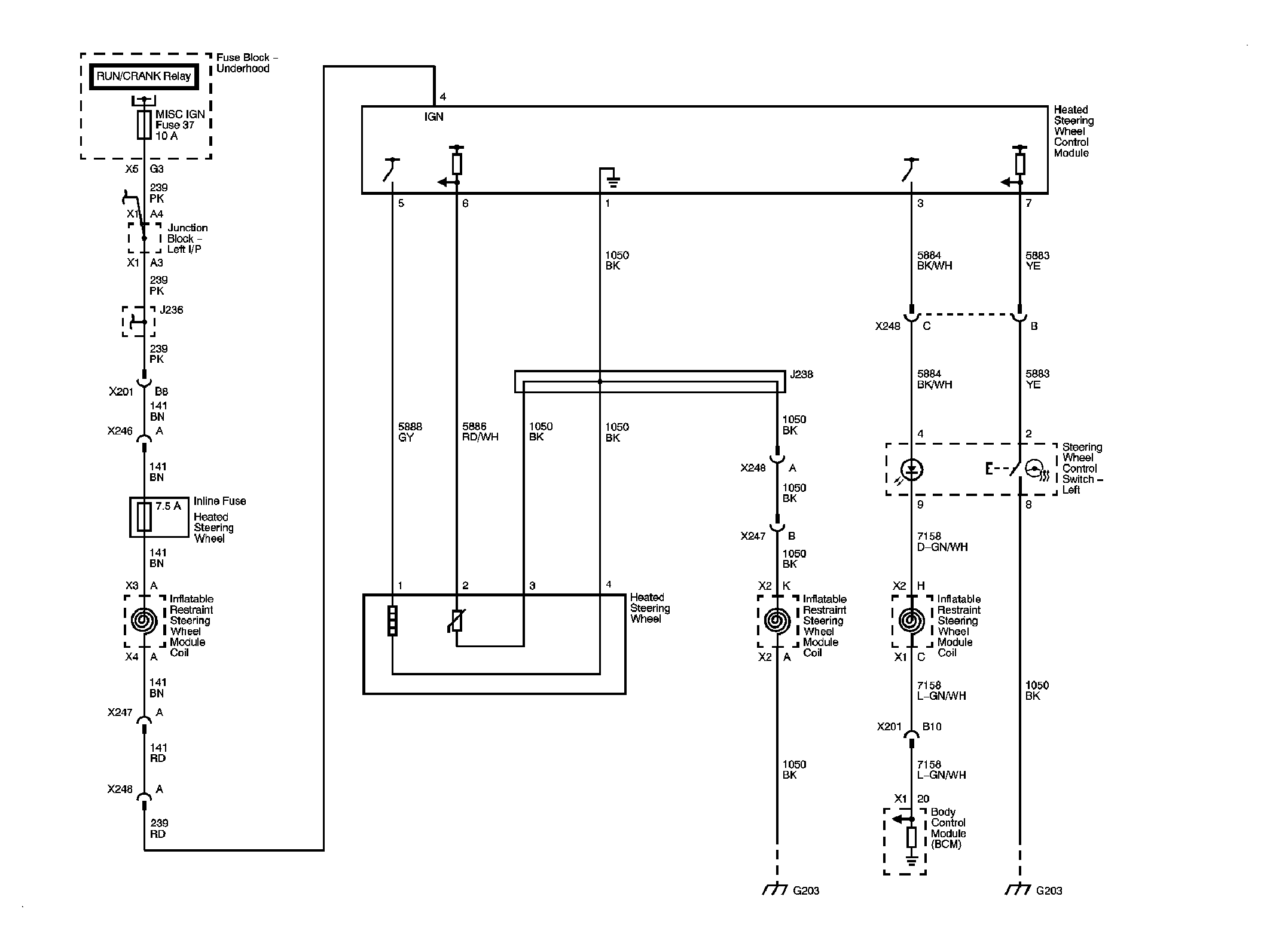
Fig 3: Heated Steering Wheel
GM2132093Courtesy of GENERAL MOTORS CORP.