LEMON Manuals: Even more car manuals for everyone: 1960-2025
Home >> Hummer >> 2009 >> H2 4D Utility Pickup >> Repair and Diagnosis >> Engine Performance >> System >> Engine Controls And Fuel - 6.2L - Introduction >> Repair Instructions >> Fuel Injection Fuel Rail Assembly Replacement >> Removal Procedure
April 5, 2026: LEMON Manuals is launched! Read the announcement.

Removal Procedure

NOTE: An 8-digit identification number is located on the fuel rail. Refer to this identification number when servicing or when part replacement is required.
    Fig 1: Identifying EVAP Canister Purge Solenoid, Generator Electrical Connectors & Bracket Nut
    GM1235683Courtesy of GENERAL MOTORS CORP.
  1. Relieve the fuel system pressure. Refer to Fuel Pressure Relief (Without CH 48027)  or Fuel Pressure Relief (With CH 48027) .
  2. Remove the wire harness bracket nut (2).
  3. Disconnect the evaporative emission (EVAP) purge solenoid electrical connector (1).
  4. Disconnect the generator electrical connector (3).
  5. Fig 2: Identifying MAP Sensor & Knock Sensor Electrical Connectors
    GM679510Courtesy of GENERAL MOTORS CORP.
  6. Disconnect the following electrical connectors:
    • Manifold absolute pressure (MAP) sensor (1)
    • Knock sensor (2)
  7. Remove the knock sensor harness connector from the intake manifold.
  8. Fig 3: Identifying Right Side Main Electrical Connectors
    GM1235686Courtesy of GENERAL MOTORS CORP.
  9. Disconnect the electronic throttle control (ETC) electrical connector (2). Perform the following:
    1. Disengage the gray retainer.
    2. Push down the black clip.
    3. Disconnect the connector.
  10. Remove the connector position assurance (CPA) retainer (5).
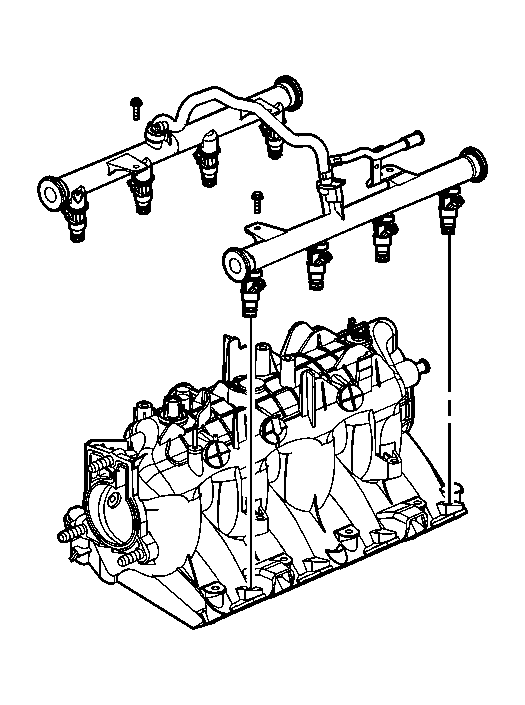
  11. Disconnect the following electrical connectors from the right side of the engine:
    • Main coil (4)
    • Fuel injectors (3)
  12. Remove the harness clips from the fuel rail (1).
  13. Fig 4: Identifying Main Ignition Coil Wire Harness Connector & Clips
    GM757686Courtesy of GENERAL MOTORS CORP.
  14. Remove the CPA retainer from the left side of the engine.
  15. Disconnect the following electrical connectors from the left side of the engine:
    • Main coil (2)
    • Fuel injectors
  16. Remove the harness clips from the fuel rail (1).
  17. Reposition the engine wire harness aside.
  18. Fig 5: Identifying CPA Retainer & Tab
    GM820977Courtesy of GENERAL MOTORS CORP.
  19. Perform the following steps in order to disconnect the fuel injector electrical connectors:
    1. Mark the connectors to their corresponding injectors to ensure correct reassembly.
    2. Pull the CPA retainer (2) on the connector up one click.
    3. Push the tab (1) on the connector in.
    4. Disconnect the fuel injector electrical connector.
    5. Repeat the steps for each injector electrical connector.
  20. Fig 6: View Of PCV Hose
    GM1201537Courtesy of GENERAL MOTORS CORP.
  21. Remove the positive crankcase ventilation (PCV) hose.
  22. Fig 7: Identifying Fuel Feed & EVAP Pipes
    GM1238585Courtesy of GENERAL MOTORS CORP.
  23. Disconnect the fuel feed pipe (1) from the fuel rail. Refer to Metal Collar Quick Connect Fitting Service .
  24. Fig 8: View Of Fuel Rail W/Injectors
    GM1201536Courtesy of GENERAL MOTORS CORP.
  25. Remove the fuel rail bolts.
  26. CAUTION:
    • Remove the fuel rail assembly carefully in order to prevent damage to the injector electrical connector terminals and the injector spray tips. Support the fuel rail after the fuel rail is removed in order to avoid damaging the fuel rail components.
    • Cap the fittings and plug the holes when servicing the fuel system in order to prevent dirt and other contaminants from entering open pipes and passages.
    NOTE: Before removal, clean the fuel rail with a spray type engine cleaner, such as GM X-30A or equivalent, if necessary. Follow the package instructions. Do not soak the fuel rail in liquid cleaning solvent.
  27. Remove the fuel rail.
  28. Fig 9: Identifying Fuel Injector, Clip & O-Rings
    GM351185Courtesy of GENERAL MOTORS CORP.
  29. Remove the fuel injector lower O-ring seal (4) from each injector, if necessary.
  30. Discard the O-ring seal.