LEMON Manuals: Even more car manuals for everyone: 1960-2025
Home >> Hummer >> 2009 >> H2 4D Utility Pickup >> Repair and Diagnosis >> Engine Performance >> System >> Engine Controls And Fuel - 6.2L - Introduction >> Repair Instructions >> Manifold Absolute Pressure Sensor Replacement >> Installation Procedure
April 5, 2026: LEMON Manuals is launched! Read the announcement.

Installation Procedure

NOTE: Lightly coat the MAP sensor seal with clean engine oil before installing the sensor.
    Fig 1: Identifying Manifold Absolute Pressure (MAP) Sensor
    GM863068Courtesy of GENERAL MOTORS CORP.
  1. Install the MAP sensor (1). Push the MAP sensor down in order to engage the sensor into the retainer.
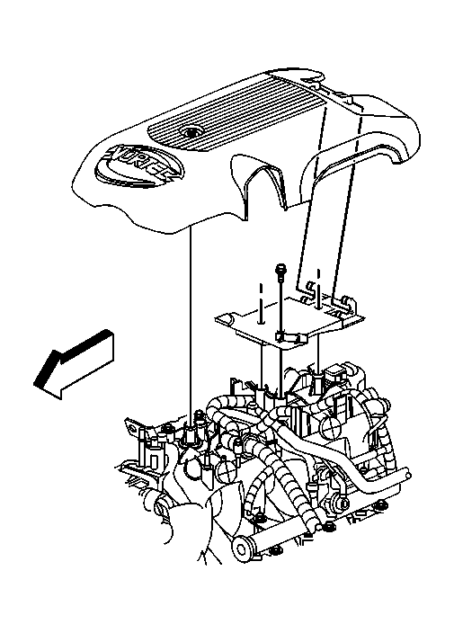
  2. Fig 2: View Of Engine Sight Shield Bracket & Bolts
    GM665886Courtesy of GENERAL MOTORS CORP.
  3. Connect the MAP sensor electrical connector.
  4. Position the engine harness and sight shield bracket to the intake manifold.
  5. CAUTION: Refer to Fastener Caution .
  6. Install the engine sight shield bracket bolts.

    Tighten:  Tighten the bracket bolts to 10 N.m (89 lb in).

  7. Install the engine sight shield. Refer to Upper Intake Manifold Sight Shield Replacement .