LEMON Manuals: Even more car manuals for everyone: 1960-2025
Home >> Hummer >> 2009 >> H2 V8-6.2L >> Repair and Diagnosis >> Diagrams >> Electrical Diagrams >> Transmission Control Systems
April 5, 2026: LEMON Manuals is launched! Read the announcement.

Transmission Control Systems




Automatic Transmission Controls Schematics

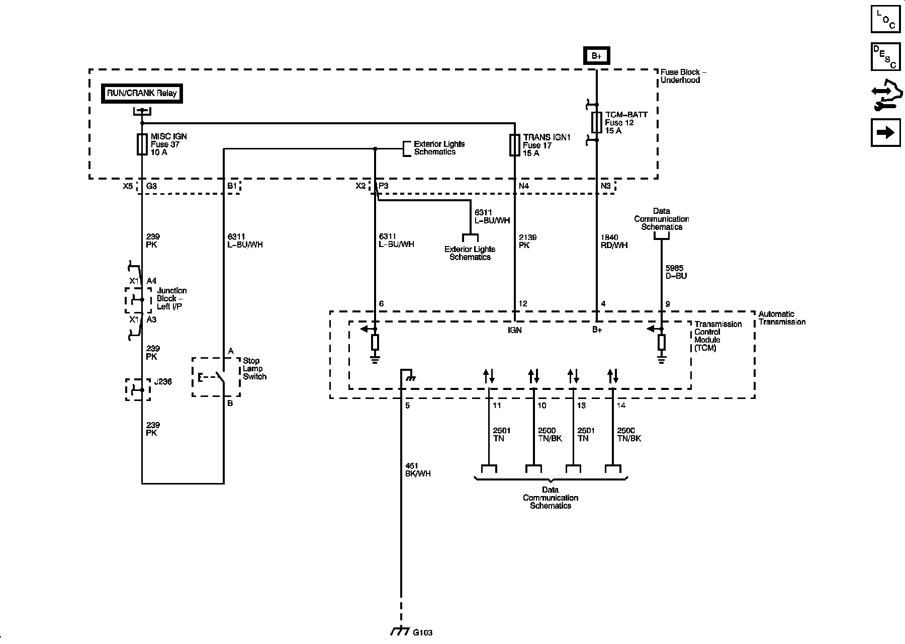
Module Power, Ground, Serial Data and Stop Lamp Signal





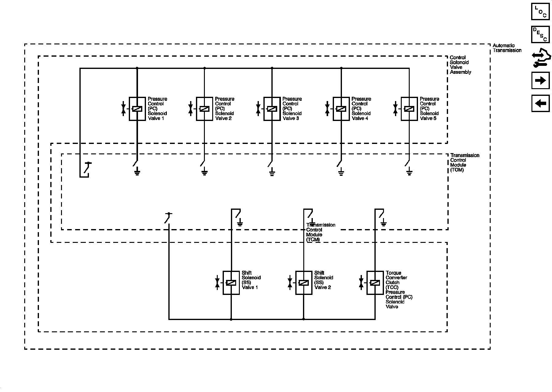
Pressure Controls - 1 of 2 and Shift Controls





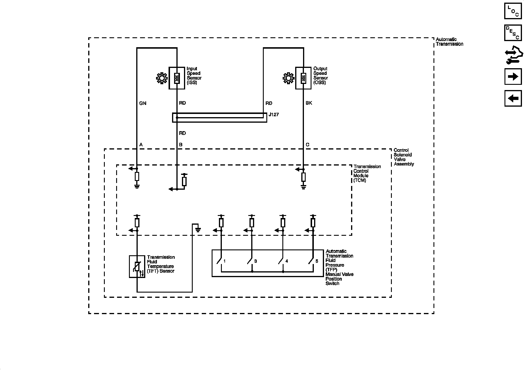
Pressure Controls - 2 of 2 and Speed Sensors





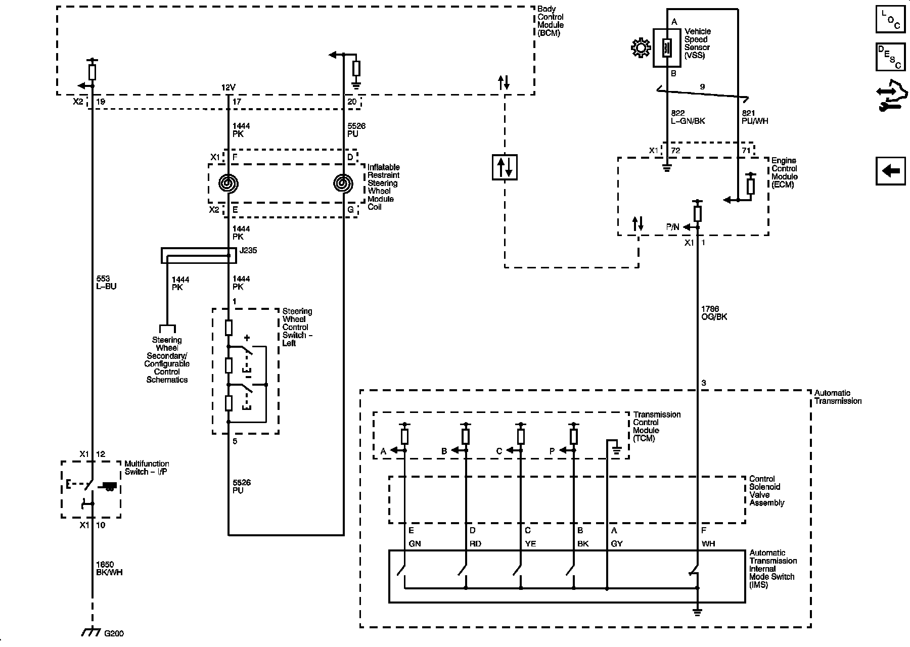
Transmission Range Signals and Driver Shift Request