LEMON Manuals: Even more car manuals for everyone: 1960-2025
Home >> Hummer >> 2009 >> H3 Adventure, Standard >> Repair and Diagnosis (Single Page) >> Engine Performance >> System >> Engine Controls And Fuel - 3.7L - Introduction >> Schematic and Routing Diagrams >> Engine Controls Schematics
April 5, 2026: LEMON Manuals is launched! Read the announcement.

Engine Controls Schematics

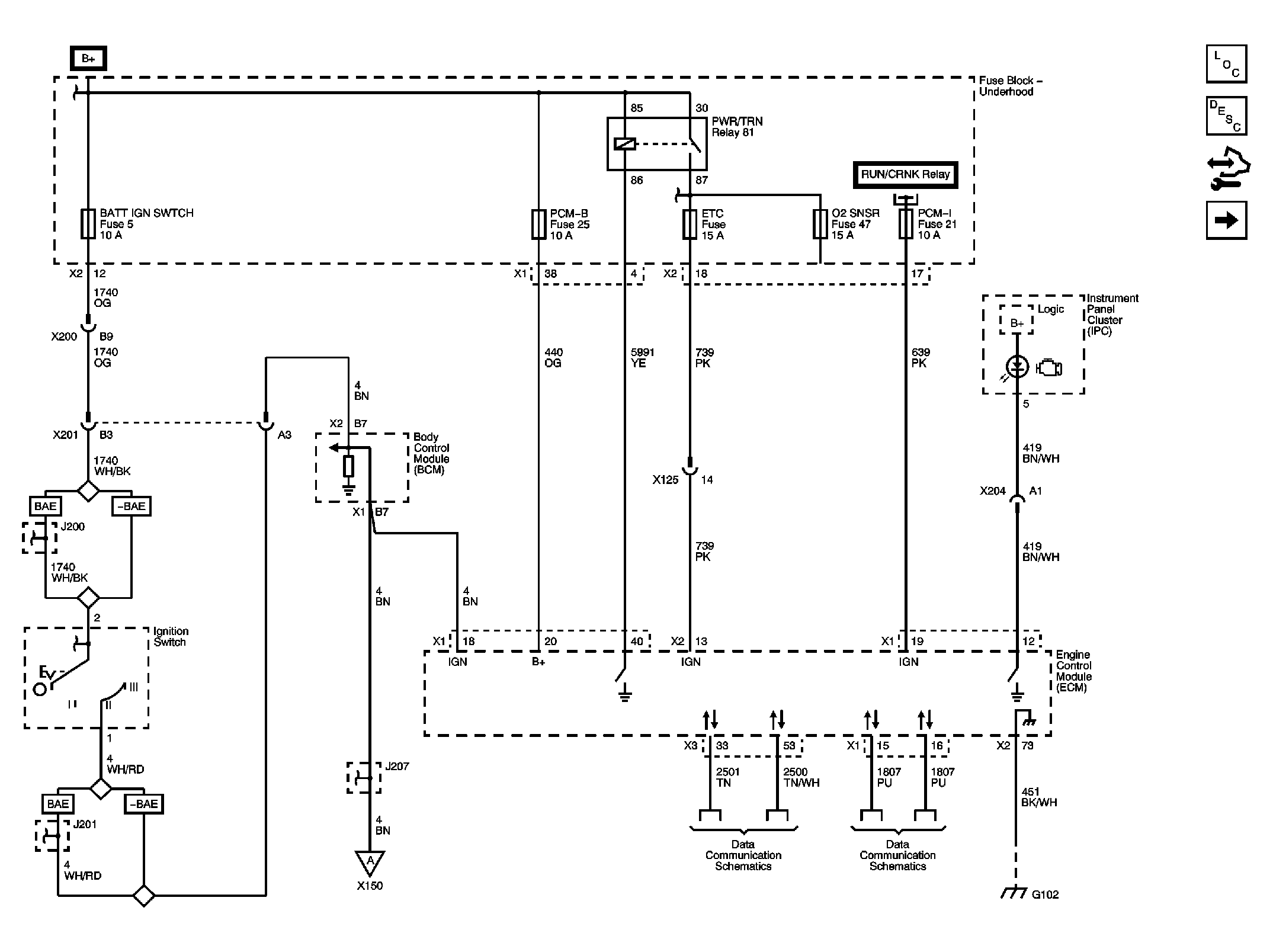
Fig 1: Module Power, Ground, Serial Data and MIL Schematic
GM2080290Courtesy of GENERAL MOTORS CORP.
Fig 2: Engine Data Sensors - 5-Volt and Low Reference Schematic
GM2080296Courtesy of GENERAL MOTORS CORP.
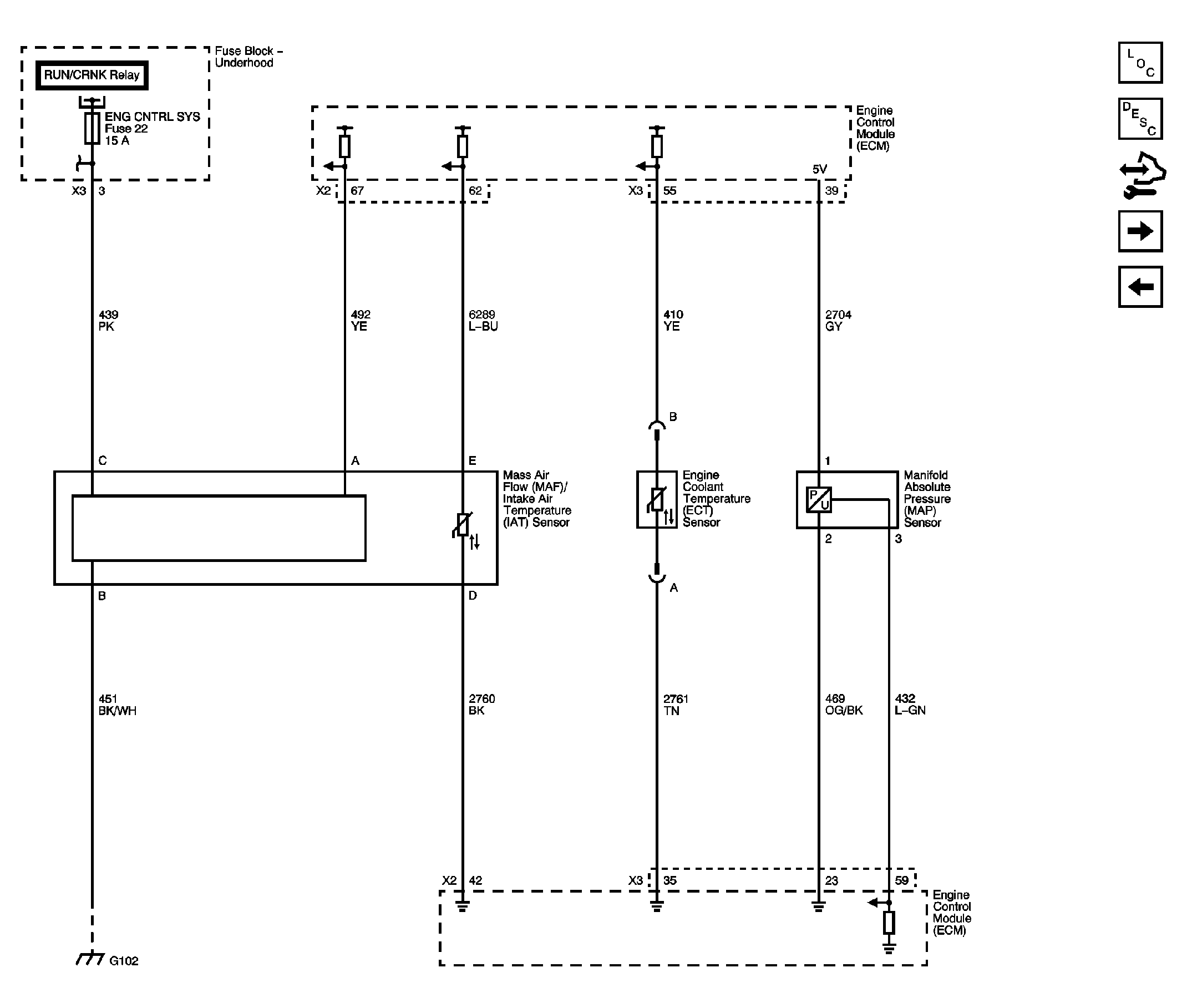
Fig 3: Engine Data Sensors - Pressure, Temperature, and Throttle Controls Schematic
GM2080300Courtesy of GENERAL MOTORS CORP.
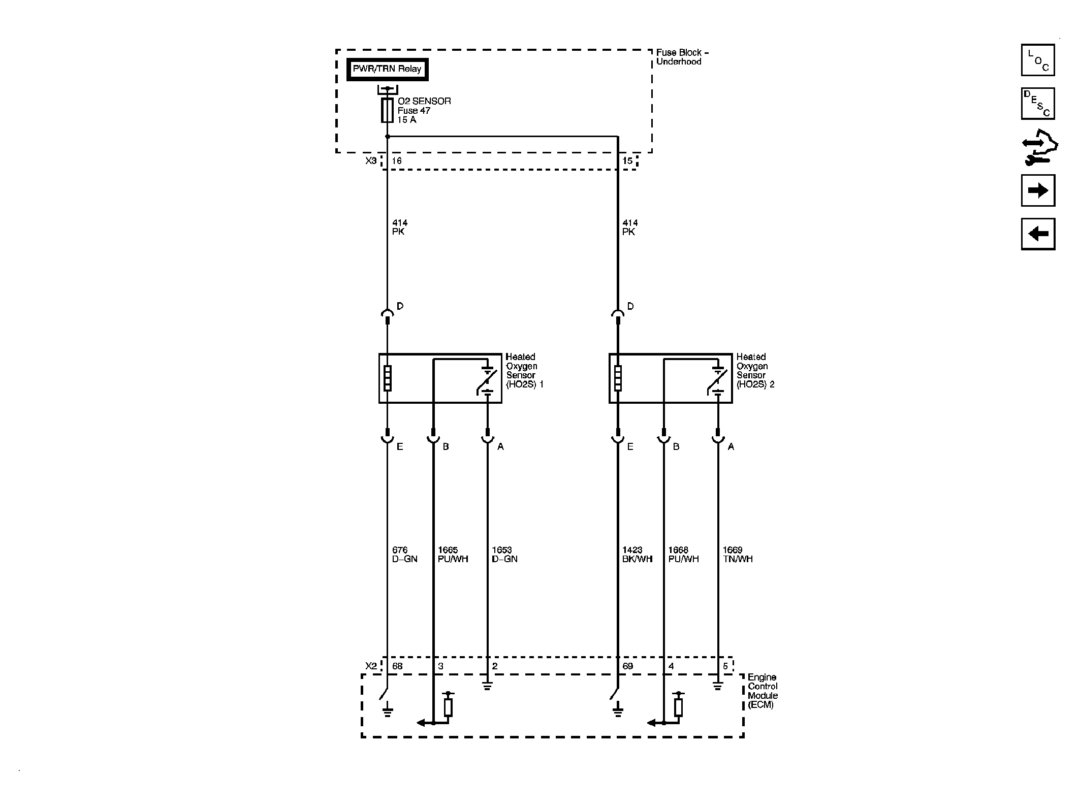
Fig 4: Engine Data Sensors - Heated Oxygen Sensors Schematic
GM2080303Courtesy of GENERAL MOTORS CORP.
Fig 5: Engine Data Sensors - Electronic Throttle Control Schematic
GM2175479Courtesy of GENERAL MOTORS CORP.
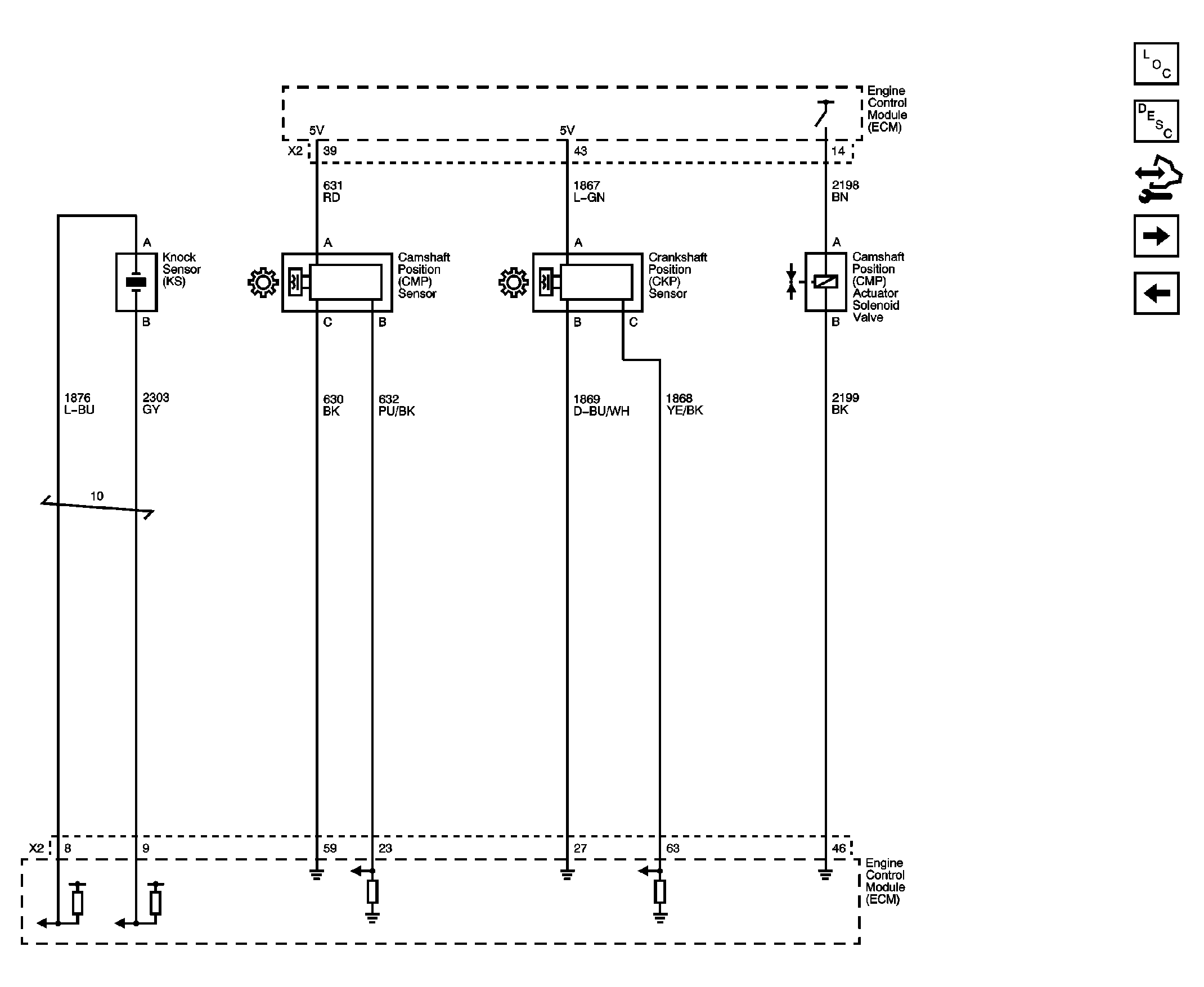
Fig 6: Ignition Controls - Sensors Schematic
GM2080306Courtesy of GENERAL MOTORS CORP.
Fig 7: Ignition Controls - Ignition System Coils Schematic
GM2080309Courtesy of GENERAL MOTORS CORP.
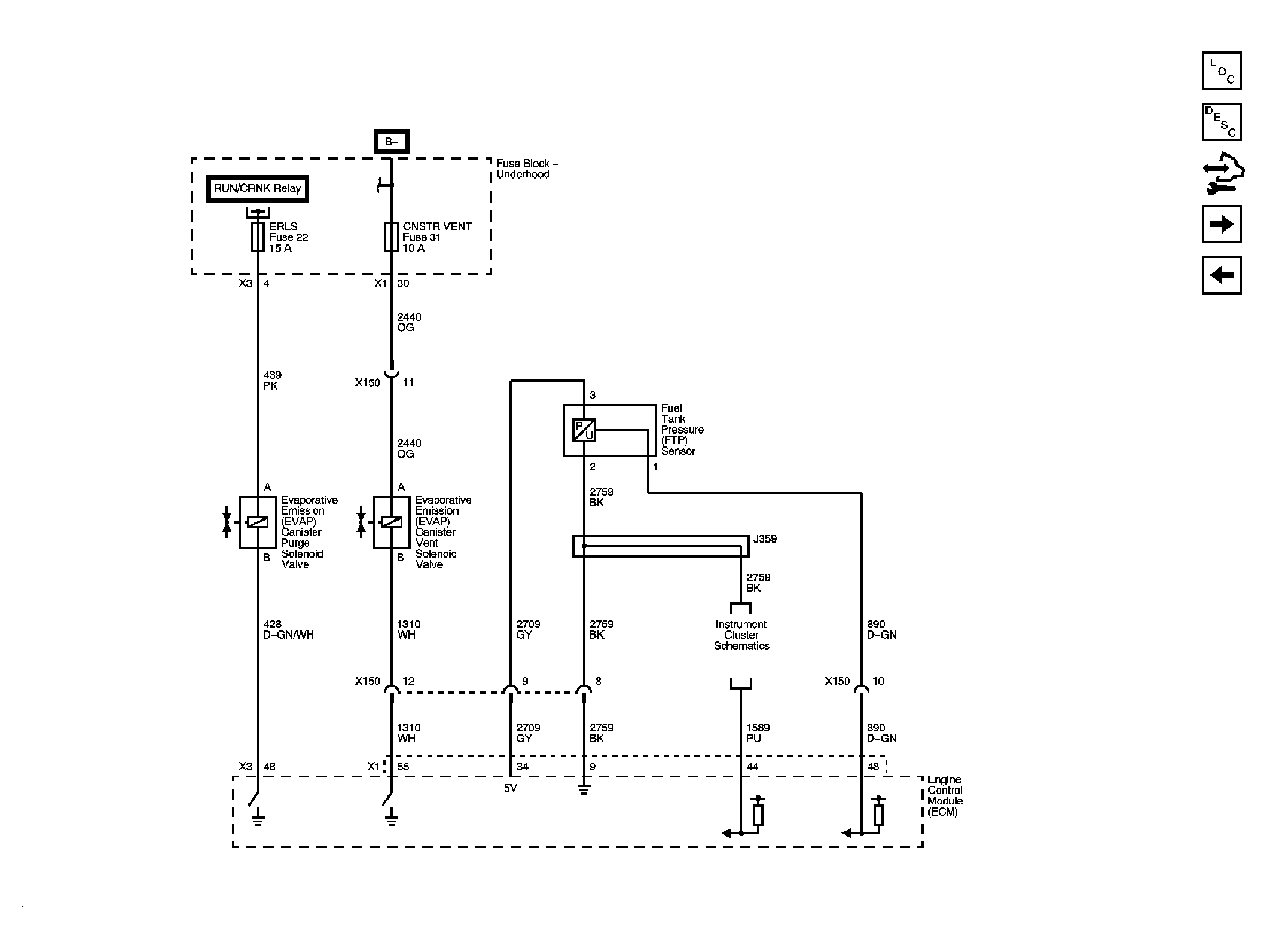
Fig 8: Fuel Controls - EVAP Controls Schematic
GM2080316Courtesy of GENERAL MOTORS CORP.
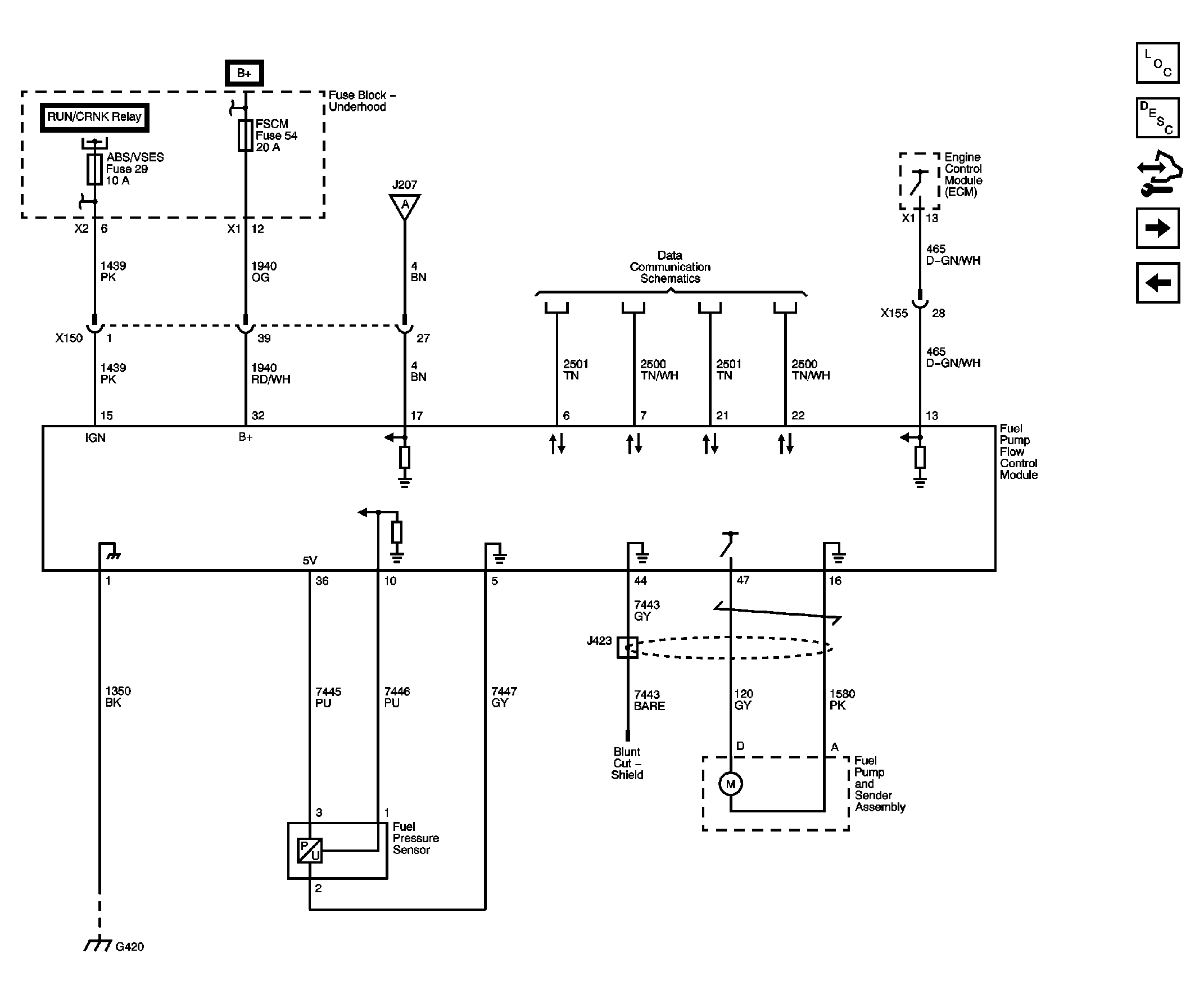
Fig 9: Fuel Controls - Fuel Pump Controls Schematic
GM2108020Courtesy of GENERAL MOTORS CORP.
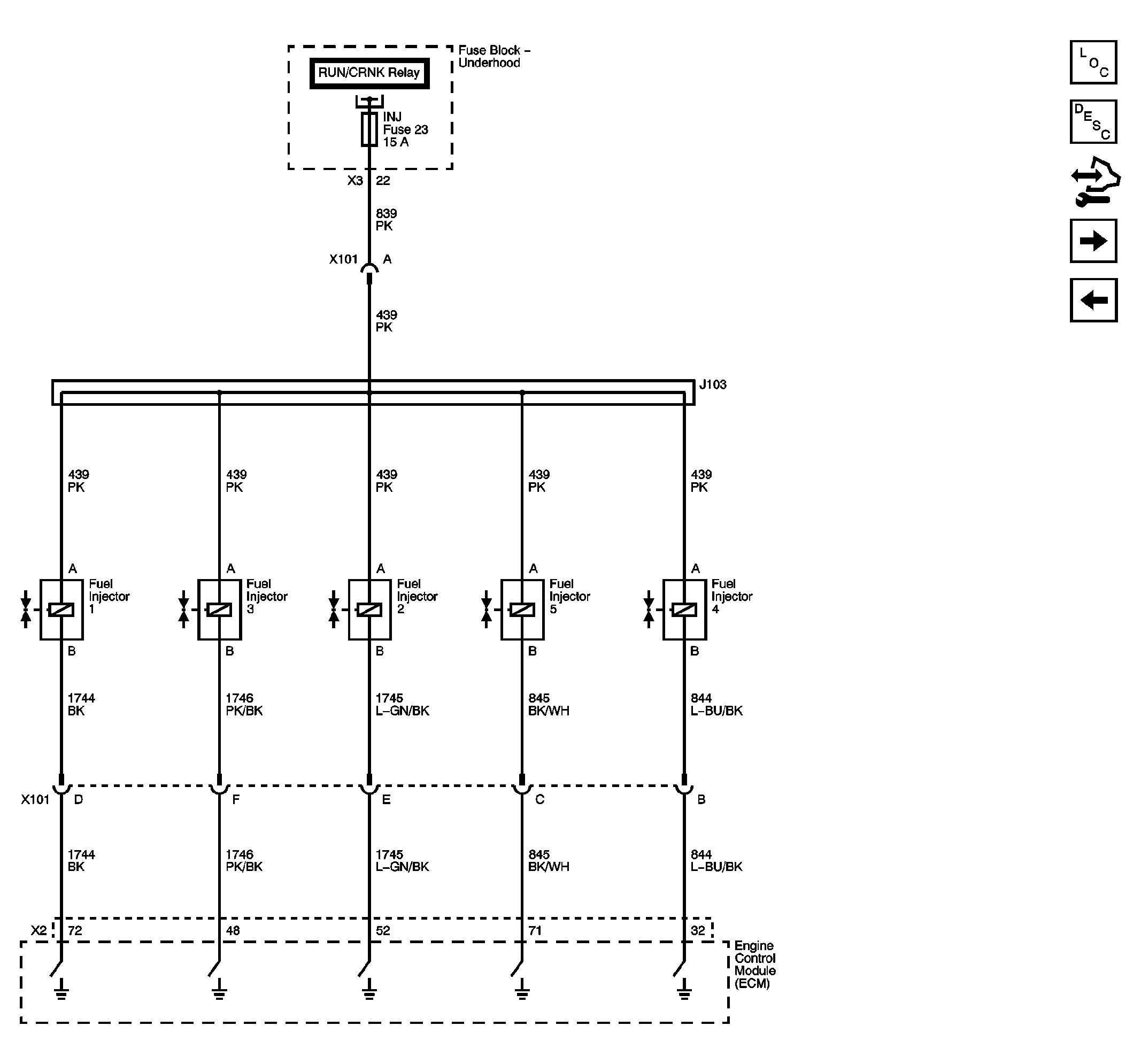
Fig 10: Fuel Controls - Fuel Injectors Schematic
GM2080314Courtesy of GENERAL MOTORS CORP.
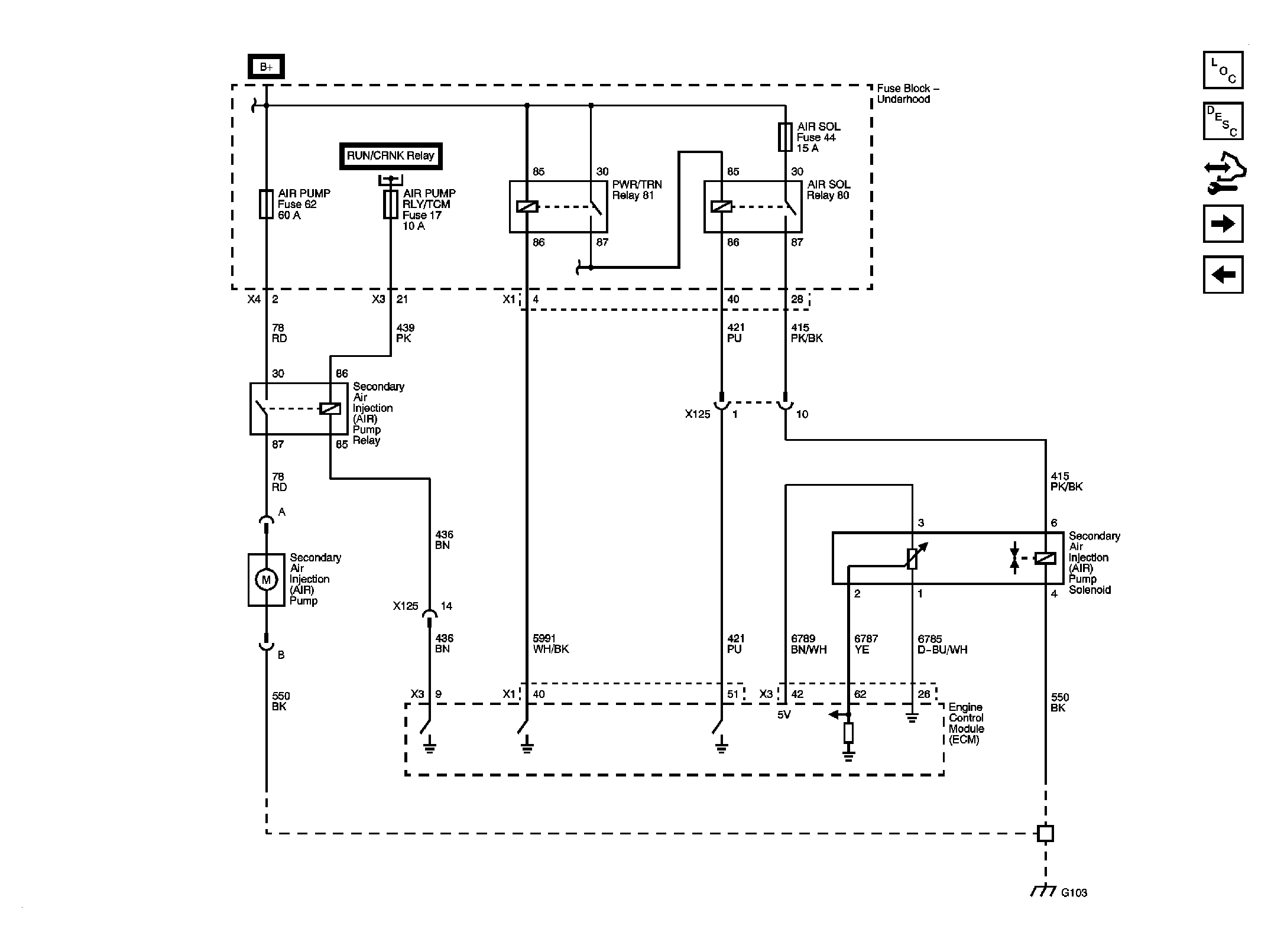
Fig 11: Device Controls - Secondary Air Injection (K18) Schematic
GM2080319Courtesy of GENERAL MOTORS CORP.
Fig 12: Controlled/Monitored Subsystem References Schematic
GM2080325Courtesy of GENERAL MOTORS CORP.