LEMON Manuals: Even more car manuals for everyone: 1960-2025
Home >> Hummer >> 2009 >> H3 Base, Automatic >> Repair and Diagnosis (Single Page) >> Accessories & Equipment >> Entertainment Systems >> Cellular, Entertainment, And Navigation >> Schematic and Routing Diagrams >> Radio/Navigation System Schematics
April 5, 2026: LEMON Manuals is launched! Read the announcement.

Radio/Navigation System Schematics

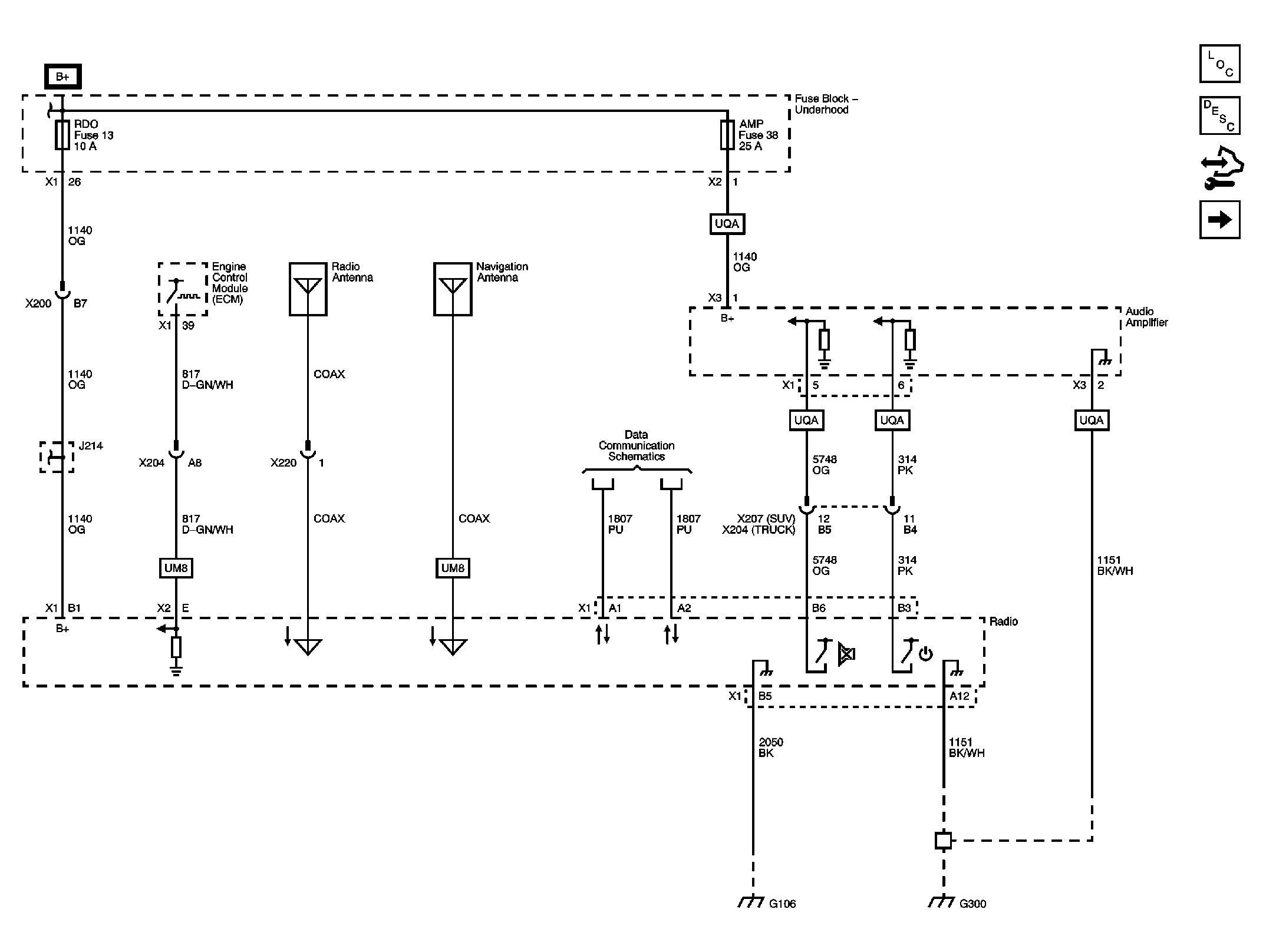
Fig 1: Power, Ground, and Serial Data Schematic
GM2080450Courtesy of GENERAL MOTORS CORP.
Fig 2: Speakers (UQ3) Schematic
GM2080453Courtesy of GENERAL MOTORS CORP.
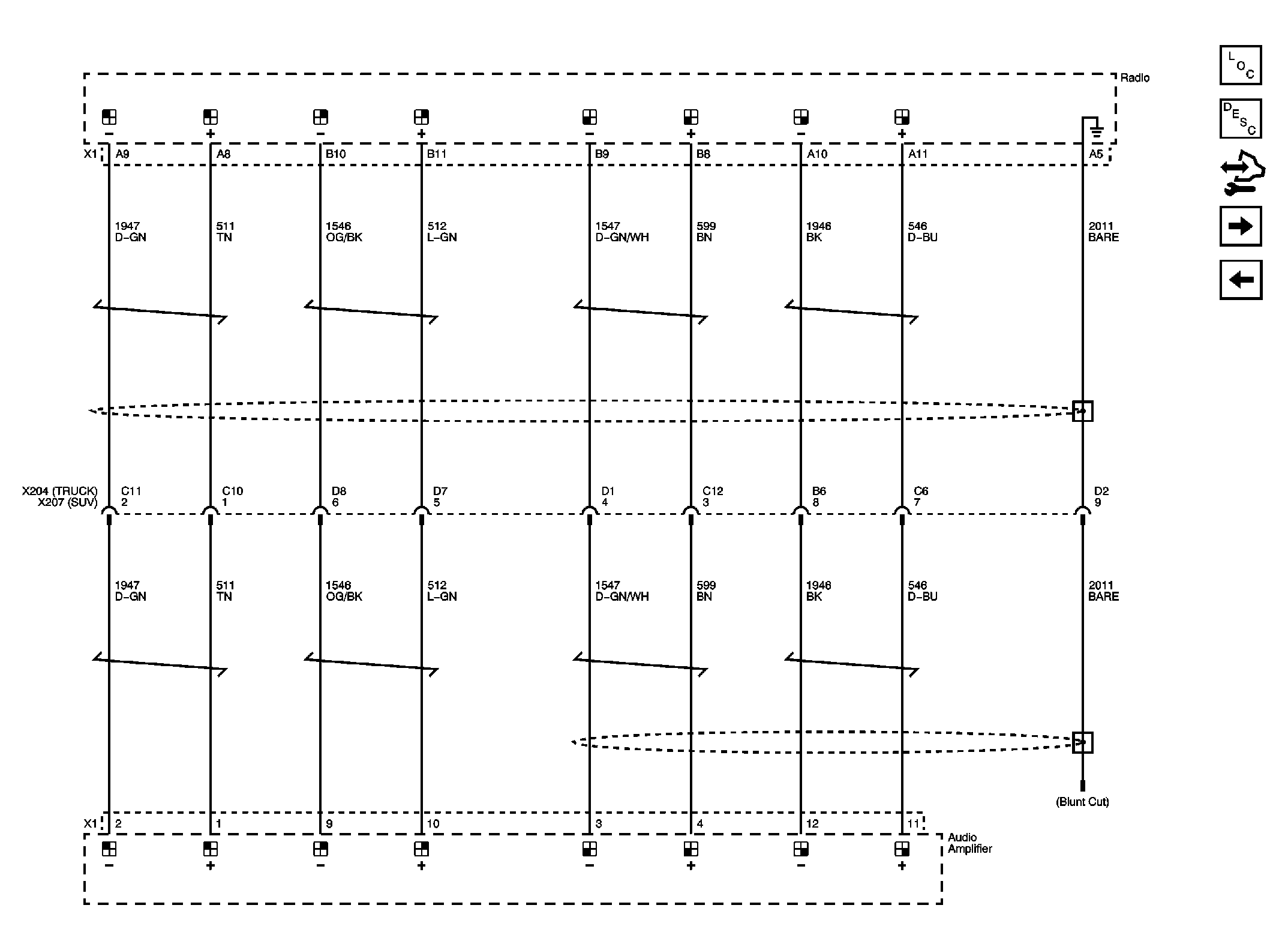
Fig 3: Amplifier Inputs (UQA) Schematic
GM2080454Courtesy of GENERAL MOTORS CORP.
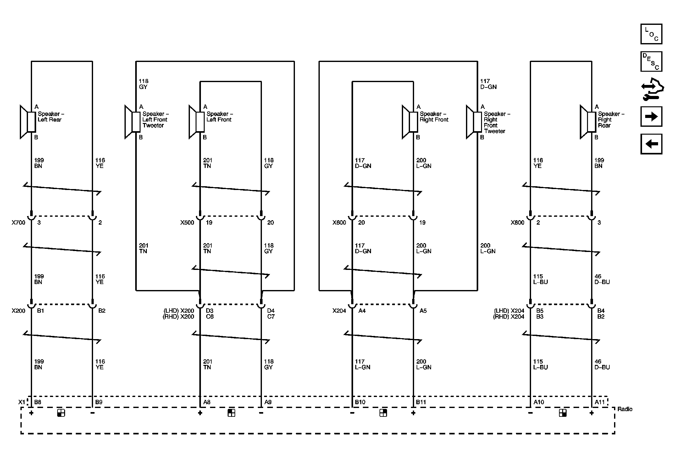
Fig 4: Speakers (UQA) Schematic
GM2080457Courtesy of GENERAL MOTORS CORP.
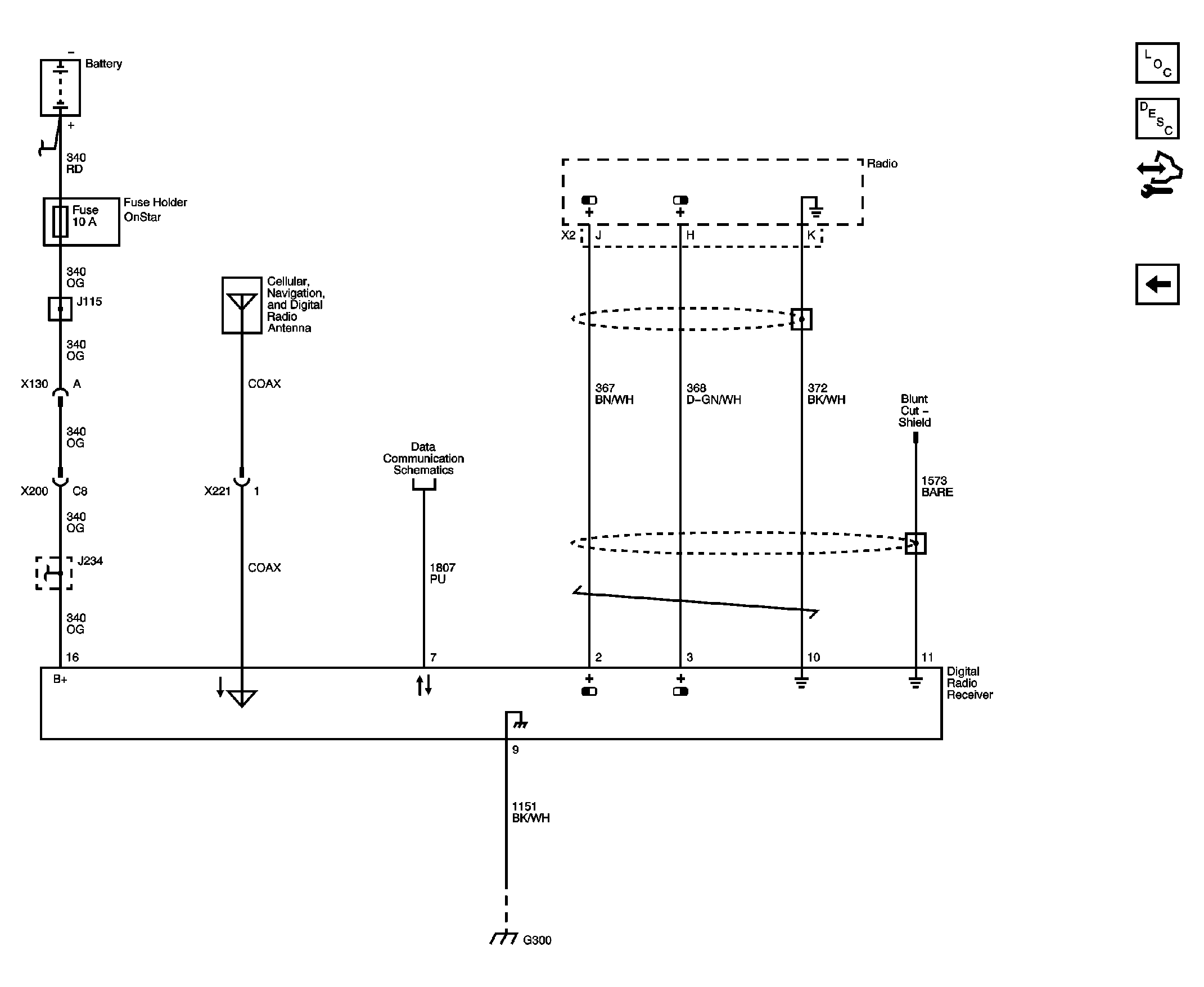
Fig 5: Digital Radio Receiver (U2K) Schematic
GM2080459Courtesy of GENERAL MOTORS CORP.