LEMON Manuals: Even more car manuals for everyone: 1960-2025
Home >> Hummer >> 2009 >> H3 Base, Automatic >> Repair and Diagnosis (Single Page) >> Body & Frame >> Ignition Switch/Steering Lock >> Wiring Systems And Power Management - Introduction >> Schematic and Routing Diagrams >> Ground Distribution Schematics
April 5, 2026: LEMON Manuals is launched! Read the announcement.

Ground Distribution Schematics

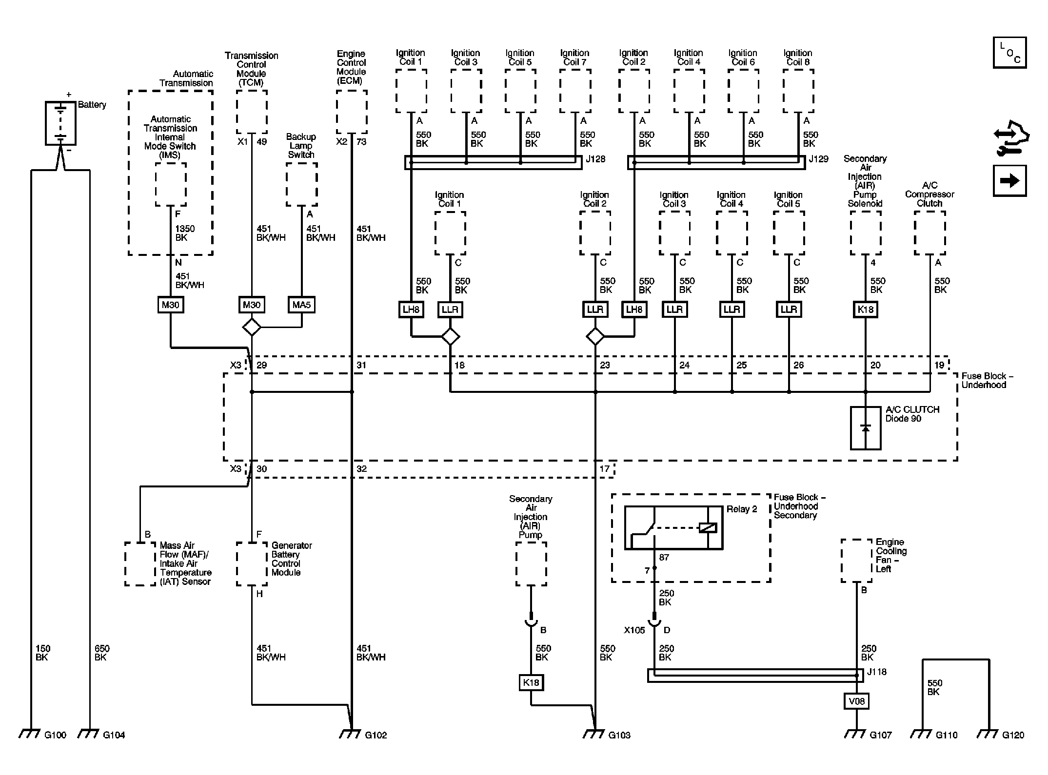
Fig 1: Ground G100, G102, G103, G104, G110, and G120 Schematic
GM2080085Courtesy of GENERAL MOTORS CORP.
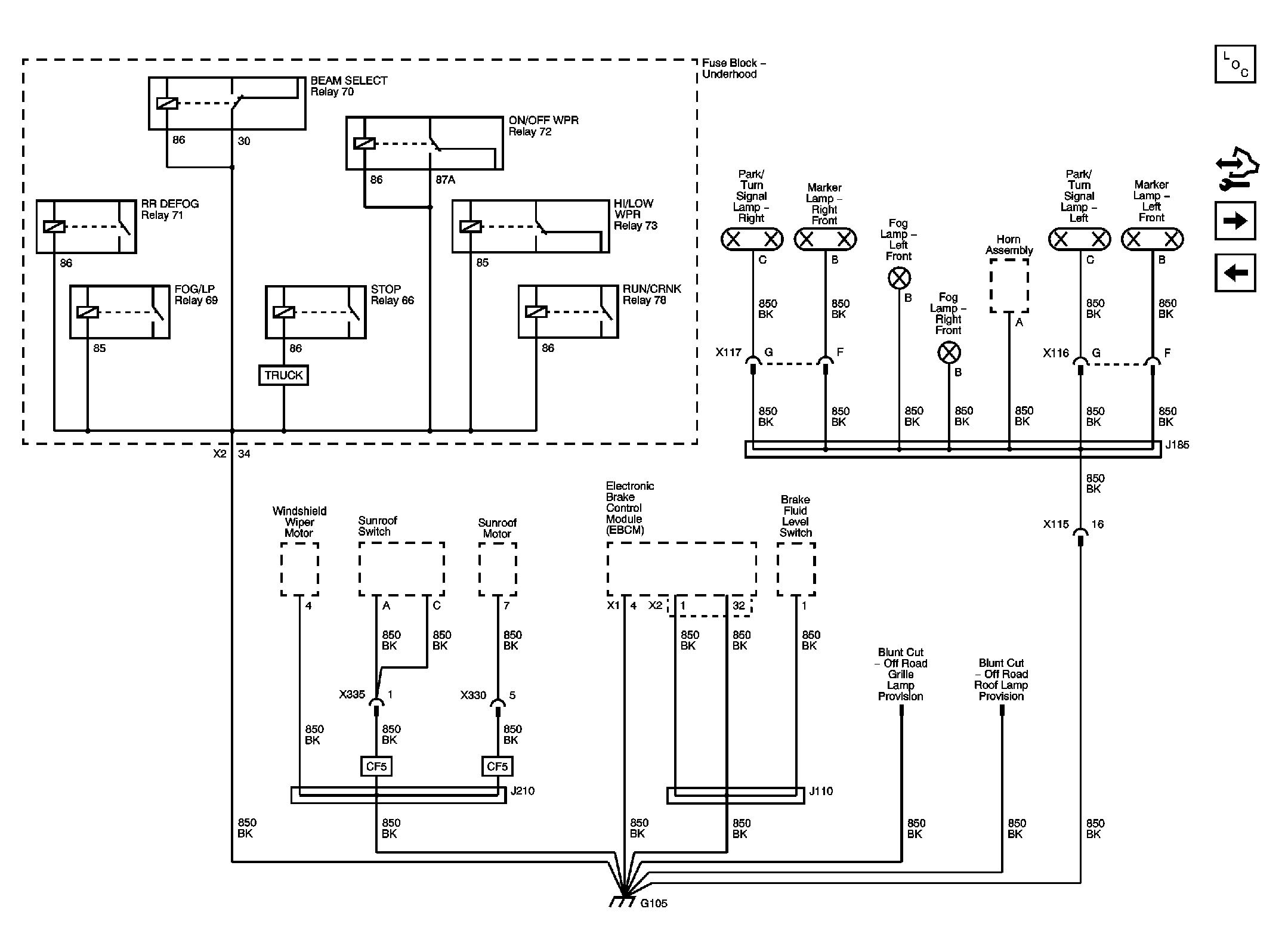
Fig 2: Ground G105 (SLA) Schematic
GM2080090Courtesy of GENERAL MOTORS CORP.
Fig 3: Ground G105 (SSA with Left Hand Drive) Schematic
GM2080094Courtesy of GENERAL MOTORS CORP.
Fig 4: Ground G105 (SSA with Right Hand Drive) Schematic
GM2080096Courtesy of GENERAL MOTORS CORP.
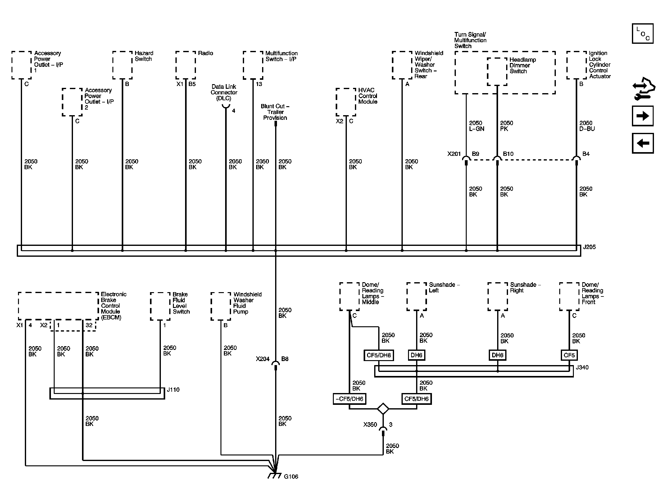
Fig 5: Ground G106 (Left Hand Drive) Schematic
GM2080100Courtesy of GENERAL MOTORS CORP.
Fig 6: Ground G106 (Right Hand Drive) Schematic
GM2080102Courtesy of GENERAL MOTORS CORP.
Fig 7: Ground G300, G310, and G320 Schematic
GM2080106Courtesy of GENERAL MOTORS CORP.
Fig 8: Ground G340 and G345 Schematic
GM2080111Courtesy of GENERAL MOTORS CORP.
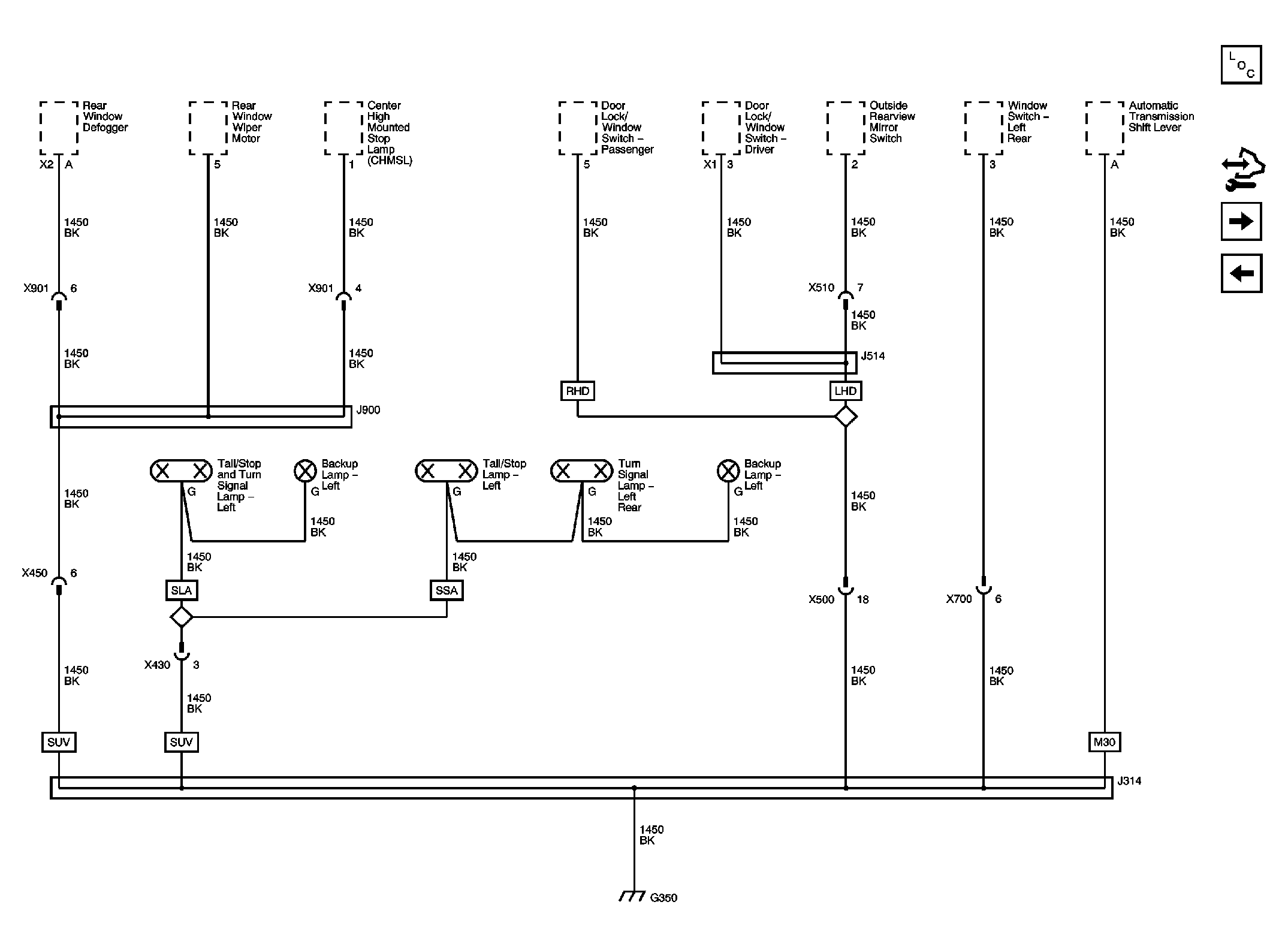
Fig 9: Ground G350 Schematic
GM2080114Courtesy of GENERAL MOTORS CORP.
Fig 10: Ground G420 (SLA) Schematic
GM2080117Courtesy of GENERAL MOTORS CORP.
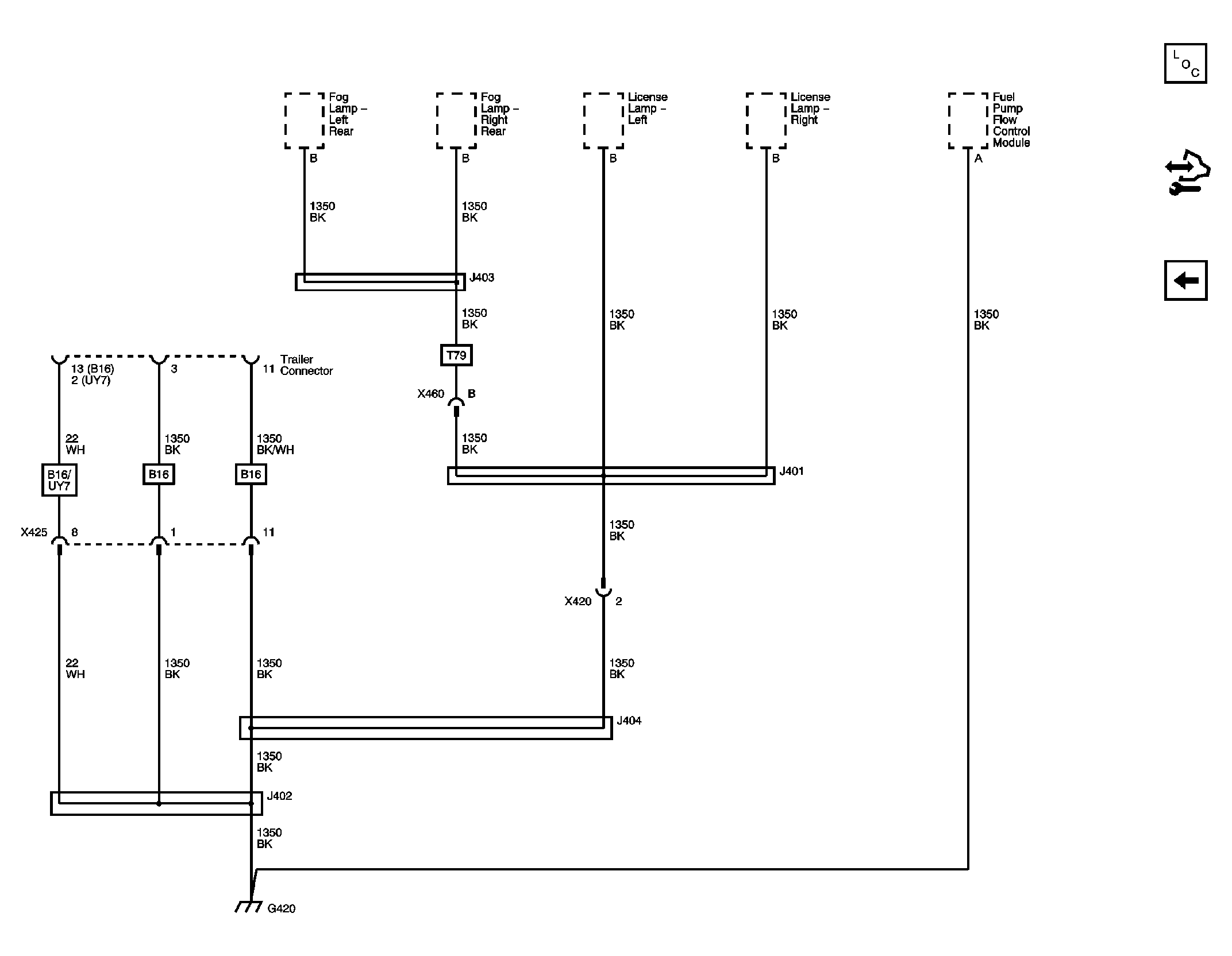
Fig 11: Ground G420 (SSA) Schematic
GM2080118Courtesy of GENERAL MOTORS CORP.