LEMON Manuals: Even more car manuals for everyone: 1960-2025
Home >> Hummer >> 2009 >> H3 Base, Automatic >> Repair and Diagnosis (Single Page) >> Body & Frame >> Ignition Switch/Steering Lock >> Wiring Systems And Power Management - Introduction >> Schematic and Routing Diagrams >> Power Distribution Schematics
April 5, 2026: LEMON Manuals is launched! Read the announcement.

Power Distribution Schematics

Fig 1: B+ Bus Schematic (1 of 2)
GM2080021Courtesy of GENERAL MOTORS CORP.
Fig 2: B+ Bus Schematic (2 of 2)
GM2080025Courtesy of GENERAL MOTORS CORP.
Fig 3: ABS/VSES1 MTR, ABS/VSES2 SOL, AUX PWR 1/CIG LTR, AUX PWR 2/CIG LTR, CLSTR, CNSTR VENT, FSCM, PCM-B, RADIO, STOP, and TCCM Fuses Schematic
GM2080026Courtesy of GENERAL MOTORS CORP.
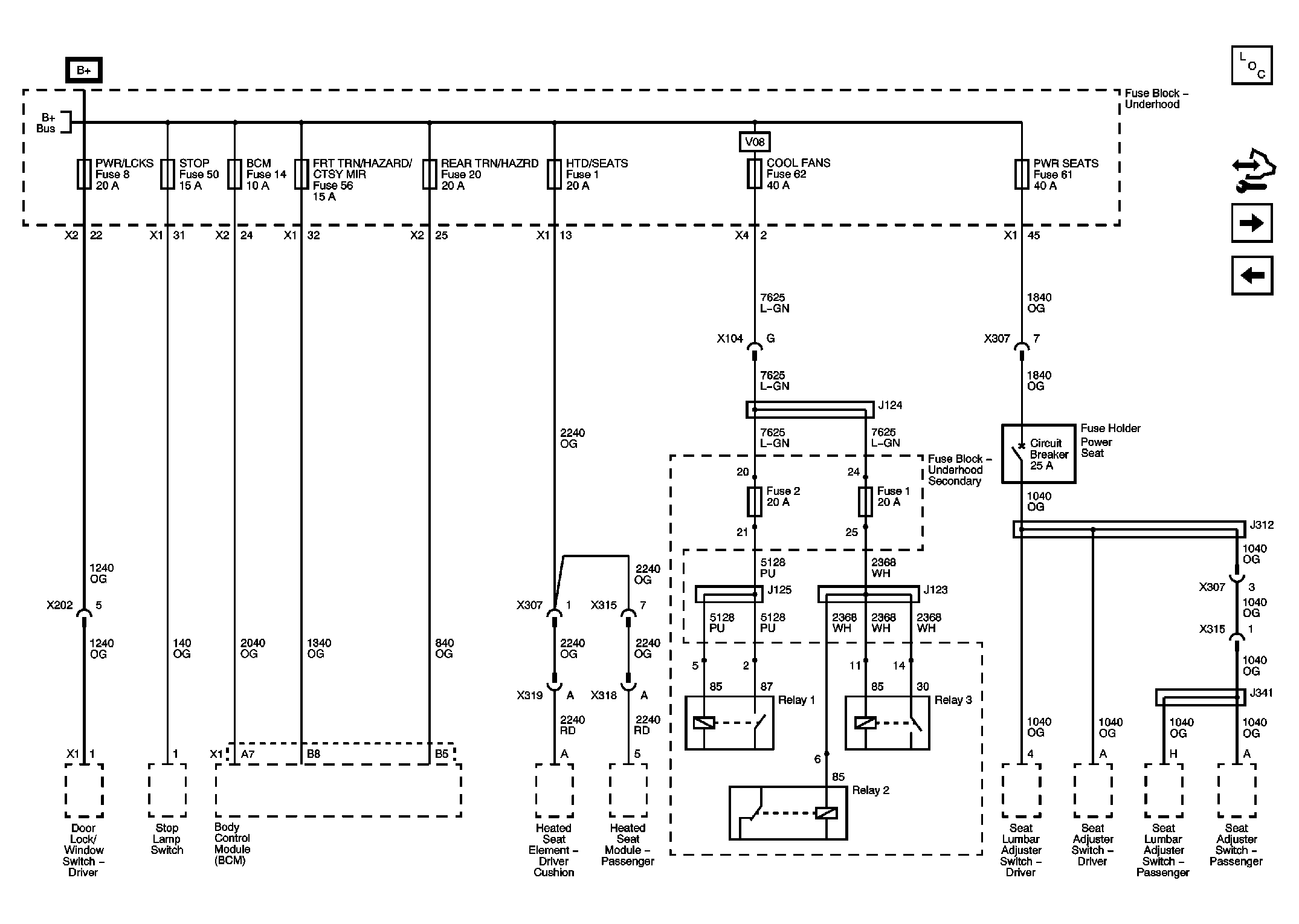
Fig 4: BCM, COOL FANS, FRT TRN/HAZRD/CTSY MIR, HTD/SEATS, PWR/LKS, PWR SEATS, REAR TRN/HAZRD, and STOP Fuses Schematic
GM2080031Courtesy of GENERAL MOTORS CORP.
Fig 5: AIR PUMP, AMP, E-BRAKE, GENERATOR, GRILLE GUARD, PWR S/ROOF, ROOF RACK LIGHTS, RVC PWR, RVC VSENSE+, and TRLR B+ Fuses Schematic
GM2080035Courtesy of GENERAL MOTORS CORP.
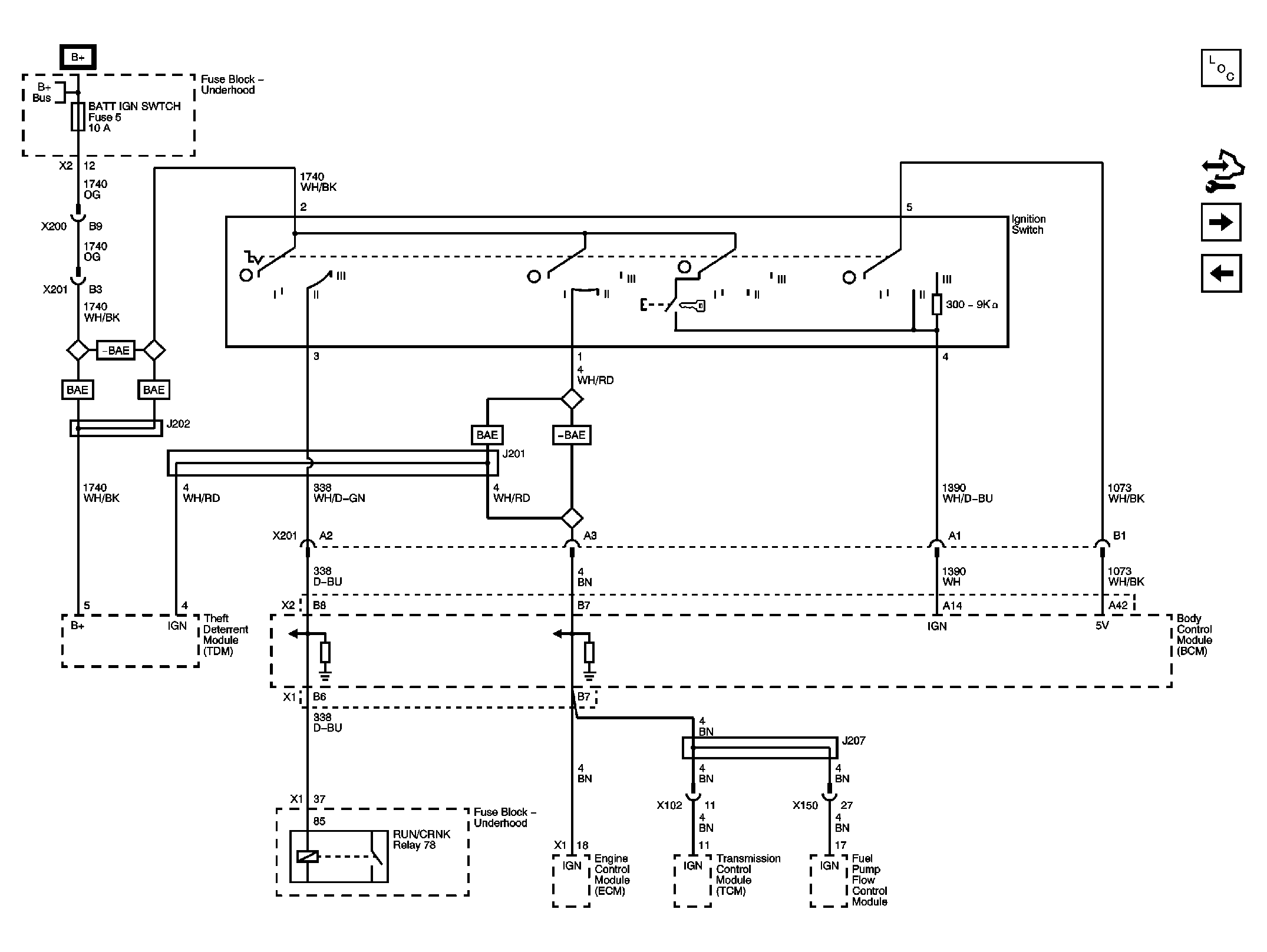
Fig 6: Ignition Switch and BATT IGN SWTCH Fuse Schematic
GM2080041Courtesy of GENERAL MOTORS CORP.
Fig 7: RUN/CRNK Relay Bus (1 of 3), CRUISE/MISC, REAR VISION, SIR, and TRANS Fuses Schematic
GM2080045Courtesy of GENERAL MOTORS CORP.
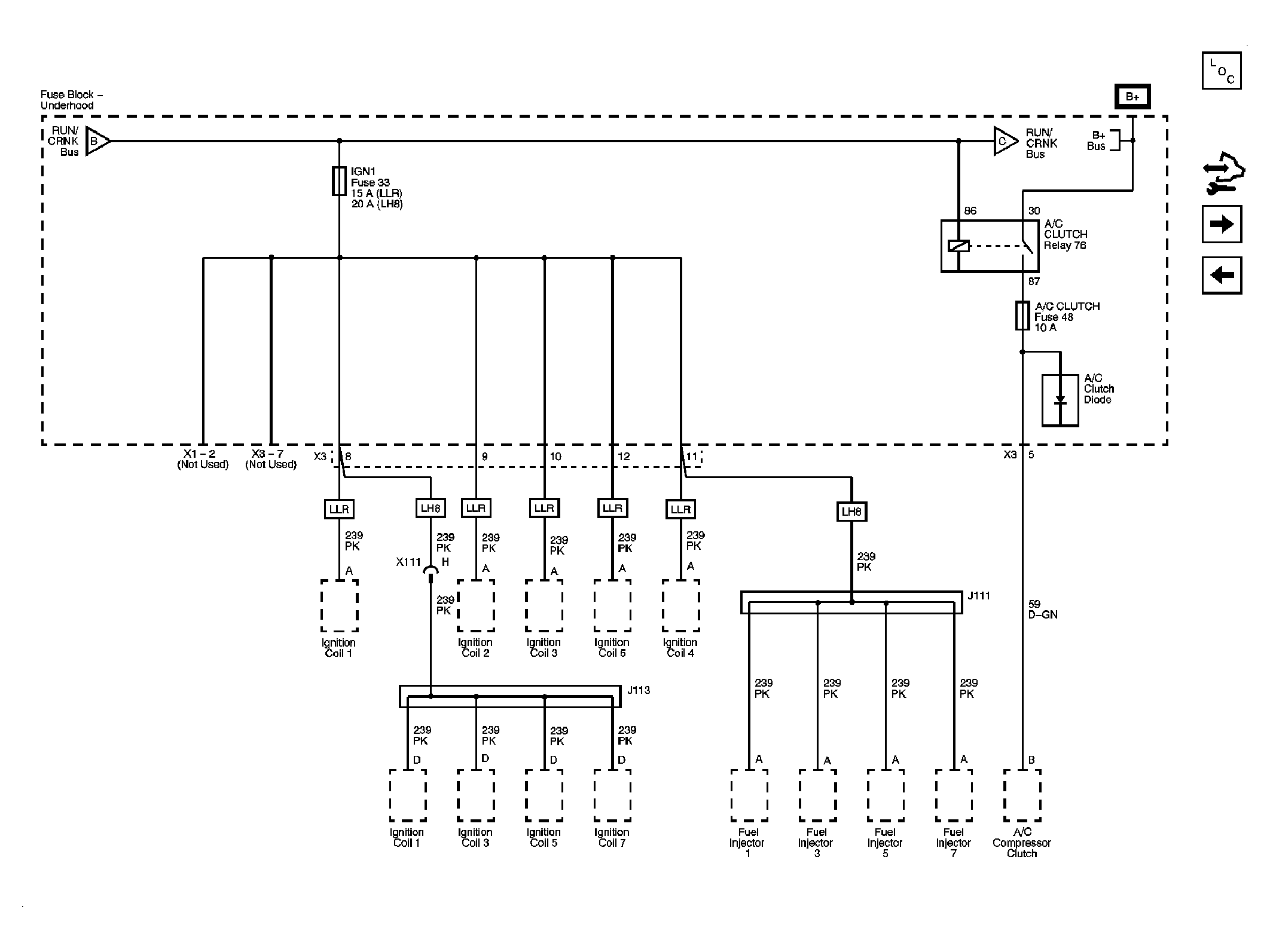
Fig 8: RUN/CRNK Relay Bus (2 of 3), A/C CLUTCH, and IGN1 Fuses Schematic
GM2080048Courtesy of GENERAL MOTORS CORP.
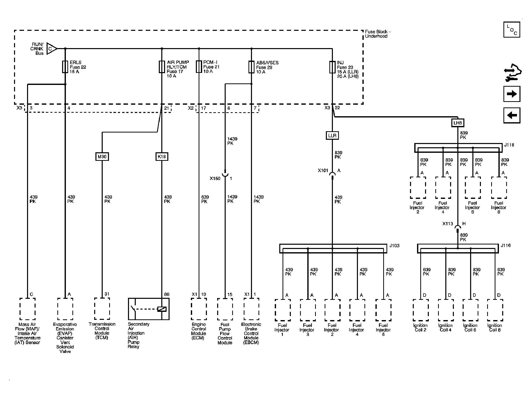
Fig 9: RUN/CRNK Relay Bus (3 of 3), ABS/VSES, AIR PUMP RLY/TCM, ERLS, INJ, and PCM-I Fuses Schematic
GM2080050Courtesy of GENERAL MOTORS CORP.
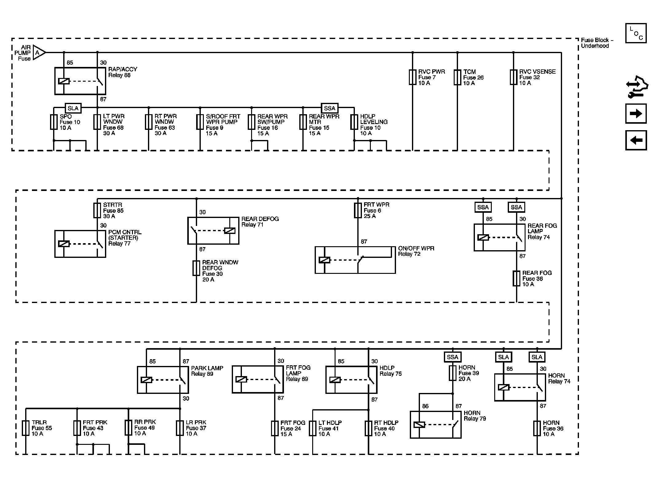
Fig 10: HDLMP LEVELING, LT PWR WNDW, REAR WPR MTR, REAR WPR SW/PUMP, RT PWR WNDW, SPO, and S/ROOF FRT/WPR PUMP Fuses Schematic
GM2080052Courtesy of GENERAL MOTORS CORP.
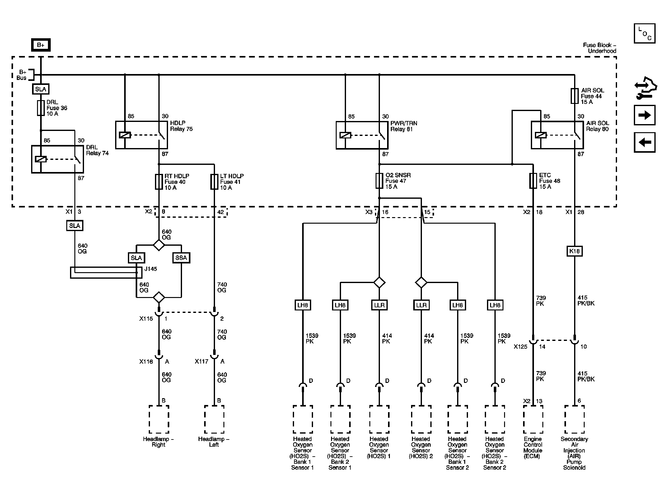
Fig 11: AIR SOL, DRL, ETC, LT HDLP, RT HDLP, and O2 SNSR Fuses Schematic
GM2080055Courtesy of GENERAL MOTORS CORP.
Fig 12: FRT PRK, LR PRK, RR PRK, and TRLR Fuses Schematic
GM2080059Courtesy of GENERAL MOTORS CORP.
Fig 13: HVAC BLWR, HVAC CNTRL HD, PWR HTR SW, TCCM SW, and VSES/ABS Fuses Schematic
GM2080078Courtesy of GENERAL MOTORS CORP.
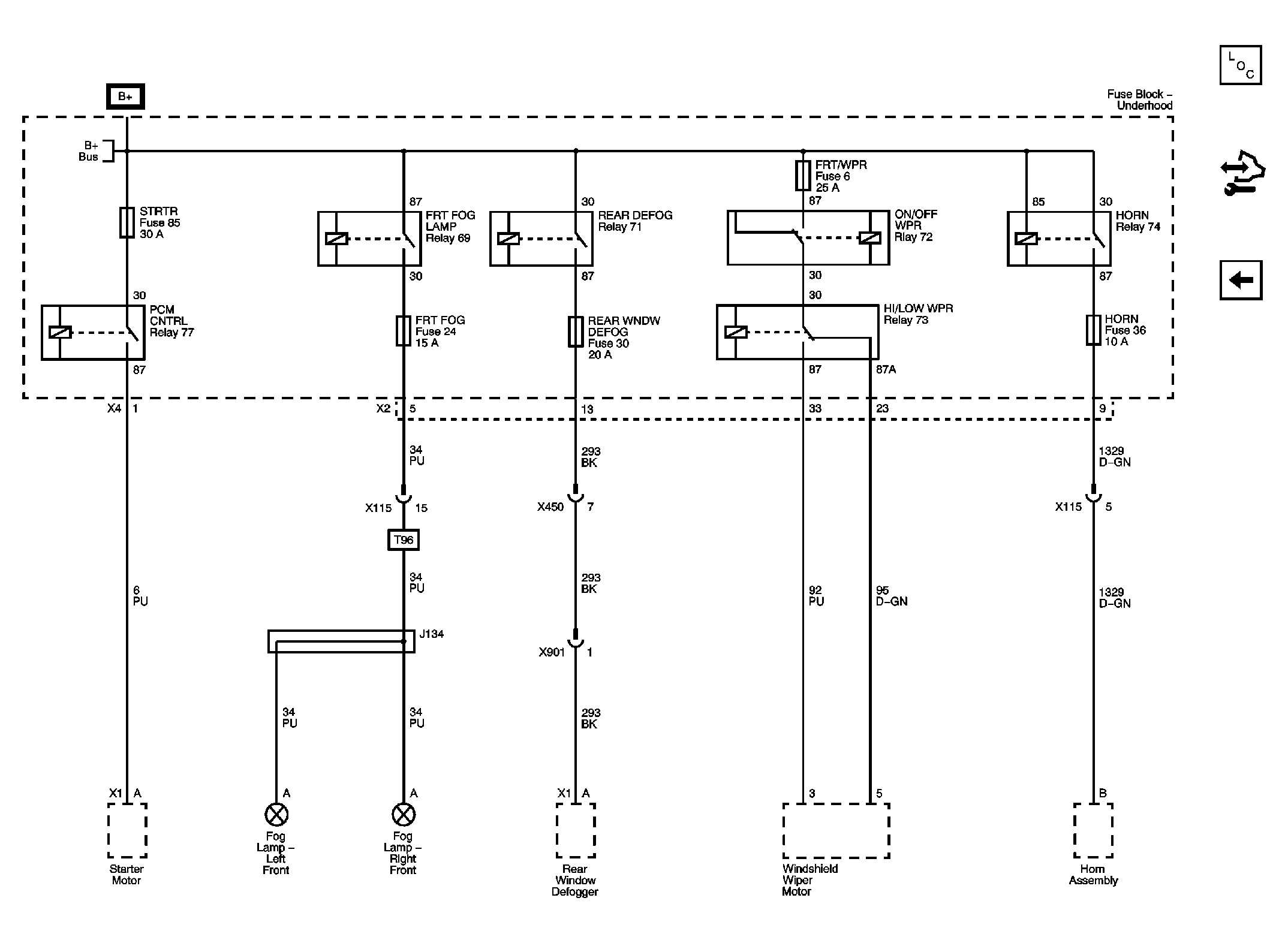
Fig 14: FRT FOG, FRT/WPR, HORN, REAR WNDW DEFOG, and STRTR Fuses Schematic
GM2080082Courtesy of GENERAL MOTORS CORP.