LEMON Manuals: Even more car manuals for everyone: 1960-2025
Home >> Hummer >> 2009 >> H3 L5-3.7L >> Repair and Diagnosis >> Windows and Glass >> Windows >> Power Window Motor >> Locations
April 5, 2026: LEMON Manuals is launched! Read the announcement.

Power Window Motor: Locations




Door Component Views

Driver Door Components




1 - Outside Rearview Mirror - Driver
2 - Outside Rearview Mirror Switch
3 - X510
4 - X500
5 - Window Motor - Driver
6 - Speaker - Left Front
7 - Door Lock/Window Switch - Driver
8 - Door Lock/Window Switch - Driver X1
9 - Door Lock/Window Switch - Driver X2
10 - Door Lock Actuator - Driver
11 - Inflatable Restraint Side Impact Sensor (SIS) - Left (ASF)
12 - Key Lock Cylinder

Passenger Door Components




1 - Window Motor - Passenger
2 - Inflatable Restraint Side Impact Sensor (SIS) - Right (ASF)
3 - Door Lock Actuator - Passenger
4 - Door Lock/Window Switch - Passenger
5 - Speaker - Right Front
6 - X600
7 - X610
8 - Outside Rearview Mirror - Passenger

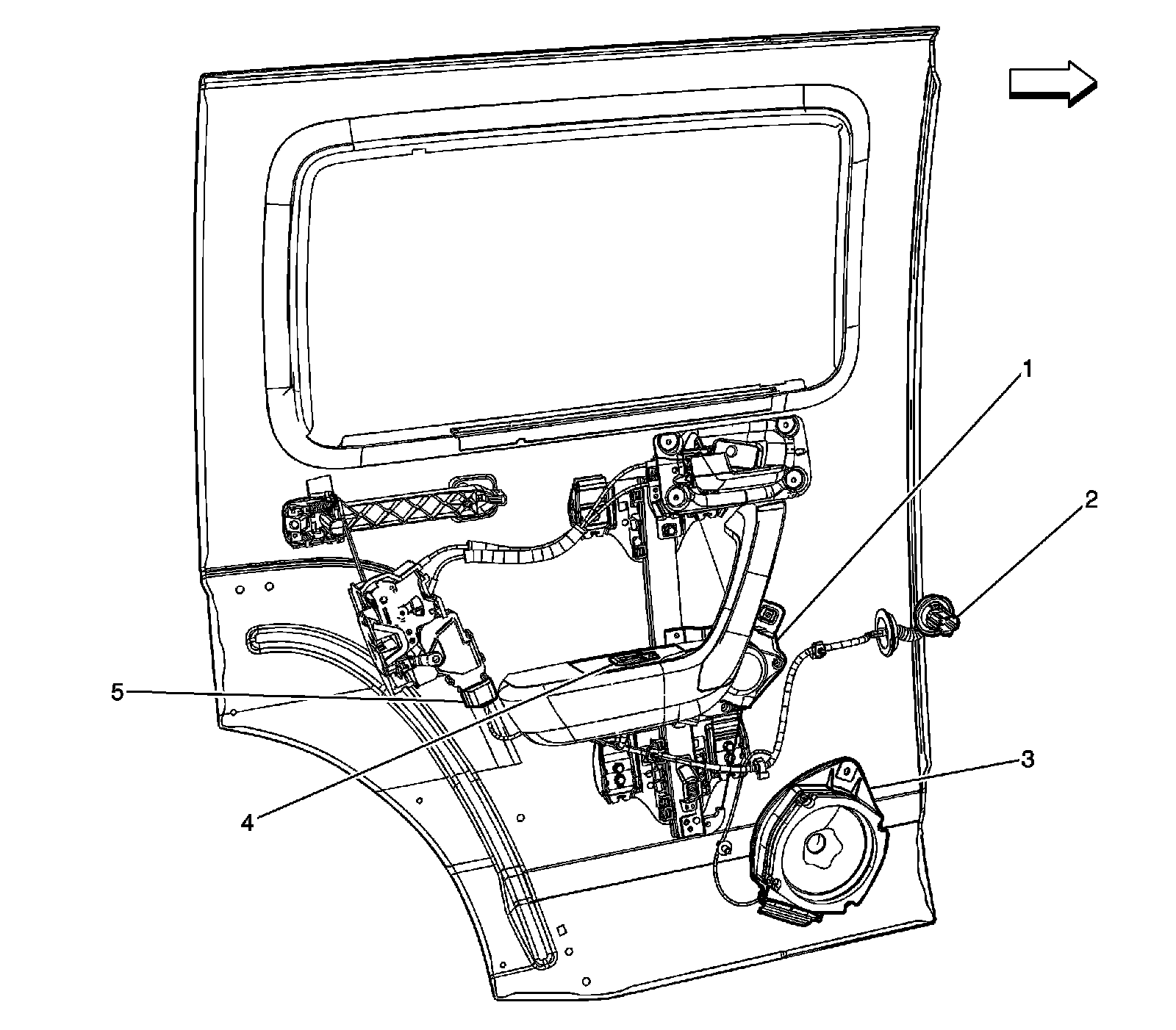
Left Rear Door Components




1 - Window Motor - Left Rear
2 - X700
3 - Speaker - Left Rear
4 - Window Switch - Left Rear
5 - Door Lock Actuator - Left Rear

Right Rear Door Components




1 - Door Lock Actuator - Right Rear
2 - Window Switch - Right Rear
3 - Speaker - Right Rear
4 - X800
5 - Window Motor - Right Rear