LEMON Manuals: Even more car manuals for everyone: 1960-2025
Home >> Hummer >> 2009 >> H3T Base, Automatic >> Repair and Diagnosis >> Accessories & Equipment >> Communication Devices >> Data Communication System >> Schematic and Routing Diagrams >> Data Communication Schematics
April 5, 2026: LEMON Manuals is launched! Read the announcement.

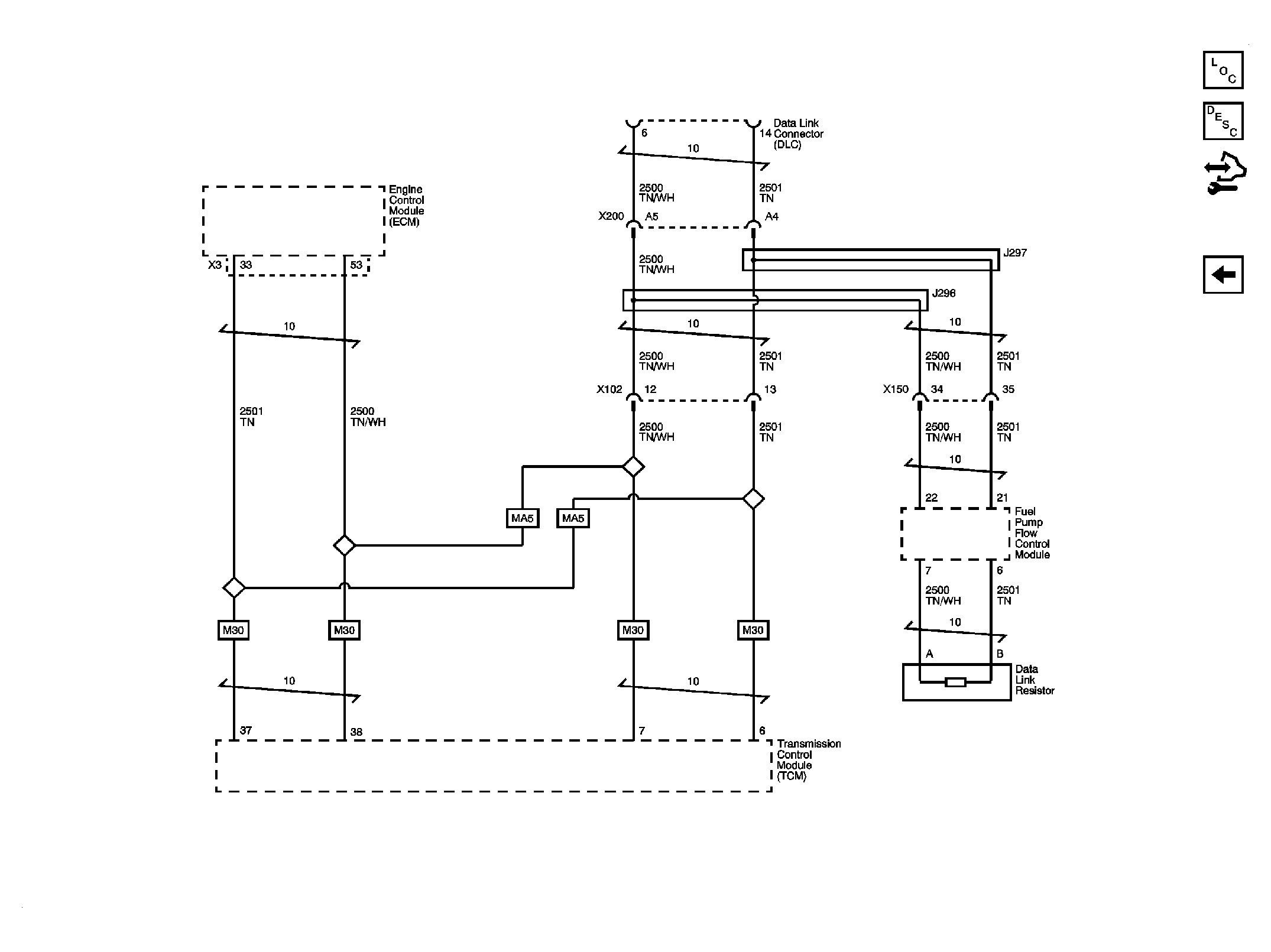
Data Communication Schematics

Fig 1: Low Speed Data Communication Schematic
GM2080392Courtesy of GENERAL MOTORS CORP.
Fig 2: High Speed GMLAN Schematic
GM2182758Courtesy of GENERAL MOTORS CORP.