LEMON Manuals: Even more car manuals for everyone: 1960-2025
Home >> Hummer >> 2010 >> H3 Base, Standard >> Repair and Diagnosis (Single Page) >> Accessories & Equipment >> Drivers Assistance Systems - ADAS >> Object Detection >> Schematic and Routing Diagrams >> Object Detection Schematics
April 5, 2026: LEMON Manuals is launched! Read the announcement.

Object Detection Schematics

Fig 1: Rearview Camera (UVC without BRM)
GM2248192Courtesy of GENERAL MOTORS CORP.
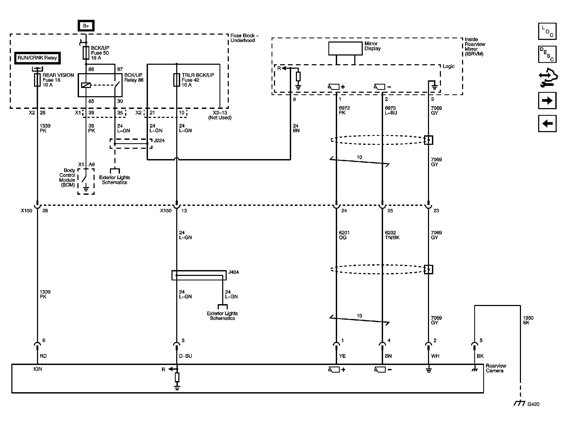
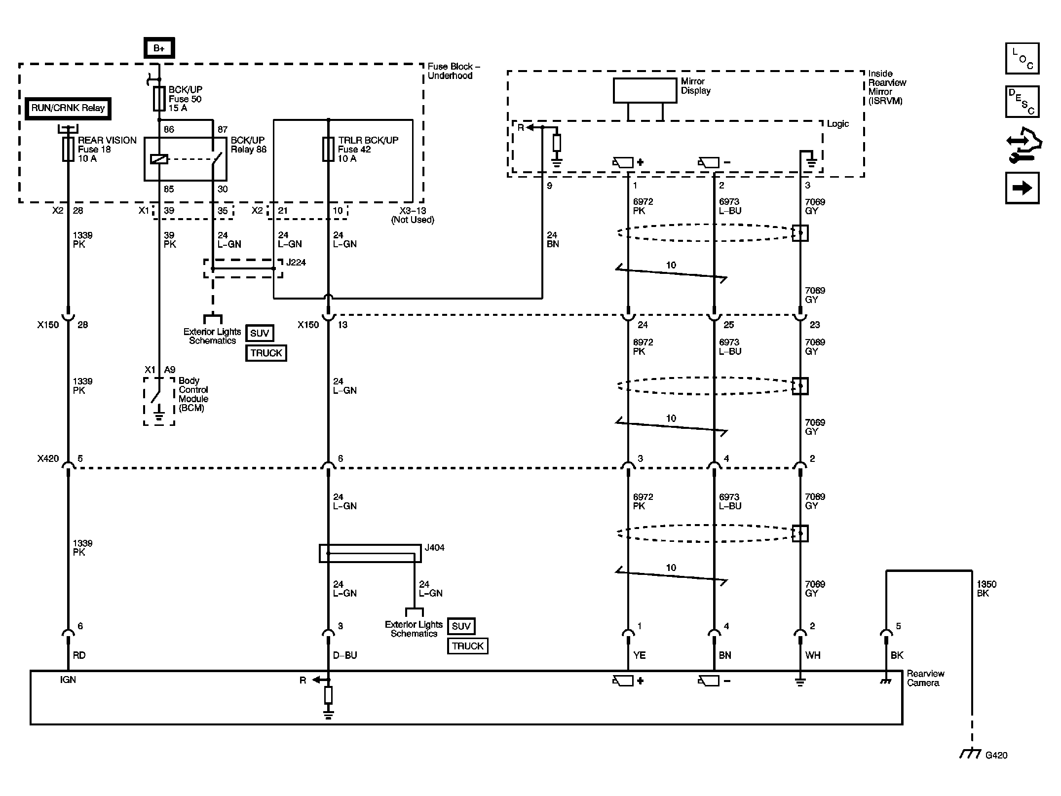
Fig 2: Rearview Camera (UVC with BRM)
GM2248179Courtesy of GENERAL MOTORS CORP.
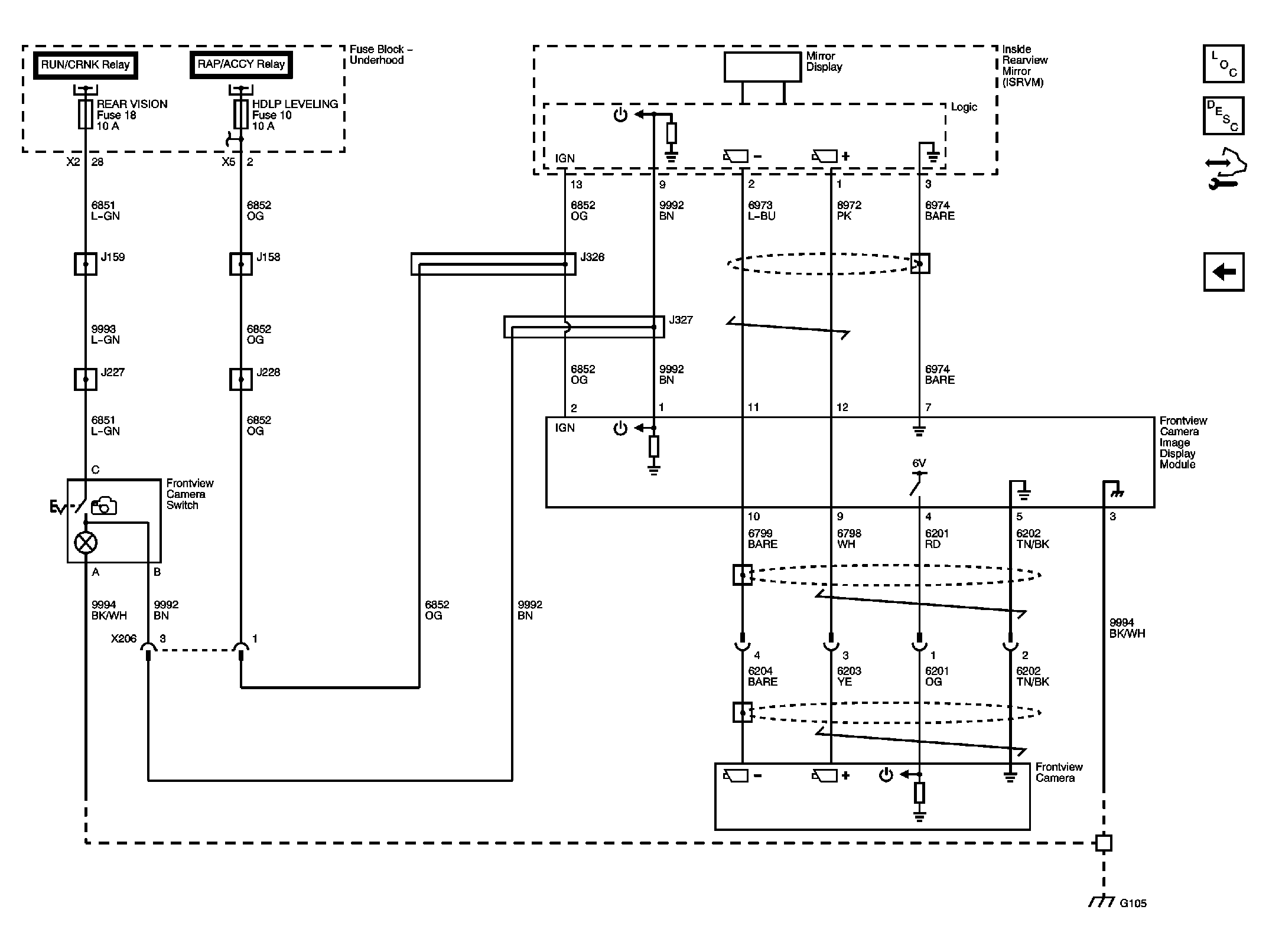
Fig 3: Frontview Camera (SUV with UVF)
GM2248199Courtesy of GENERAL MOTORS CORP.