LEMON Manuals: Even more car manuals for everyone: 1960-2025
Home >> Hummer >> 2010 >> H3 Base, Standard >> Repair and Diagnosis >> Accessories & Equipment >> Infotainment >> Cellular, Entertainment, And Navigation >> Schematic and Routing Diagrams >> Radio/Navigation System Schematics
April 5, 2026: LEMON Manuals is launched! Read the announcement.

Radio/Navigation System Schematics

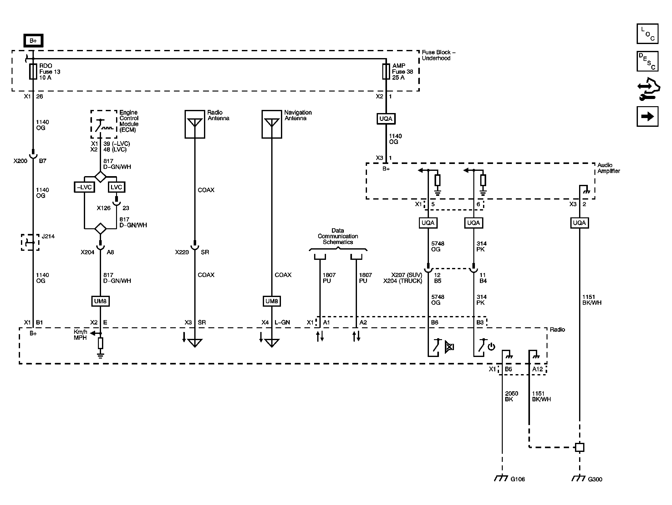
Fig 1: Power, Ground, and Serial Data
GM2244040Courtesy of GENERAL MOTORS CORP.
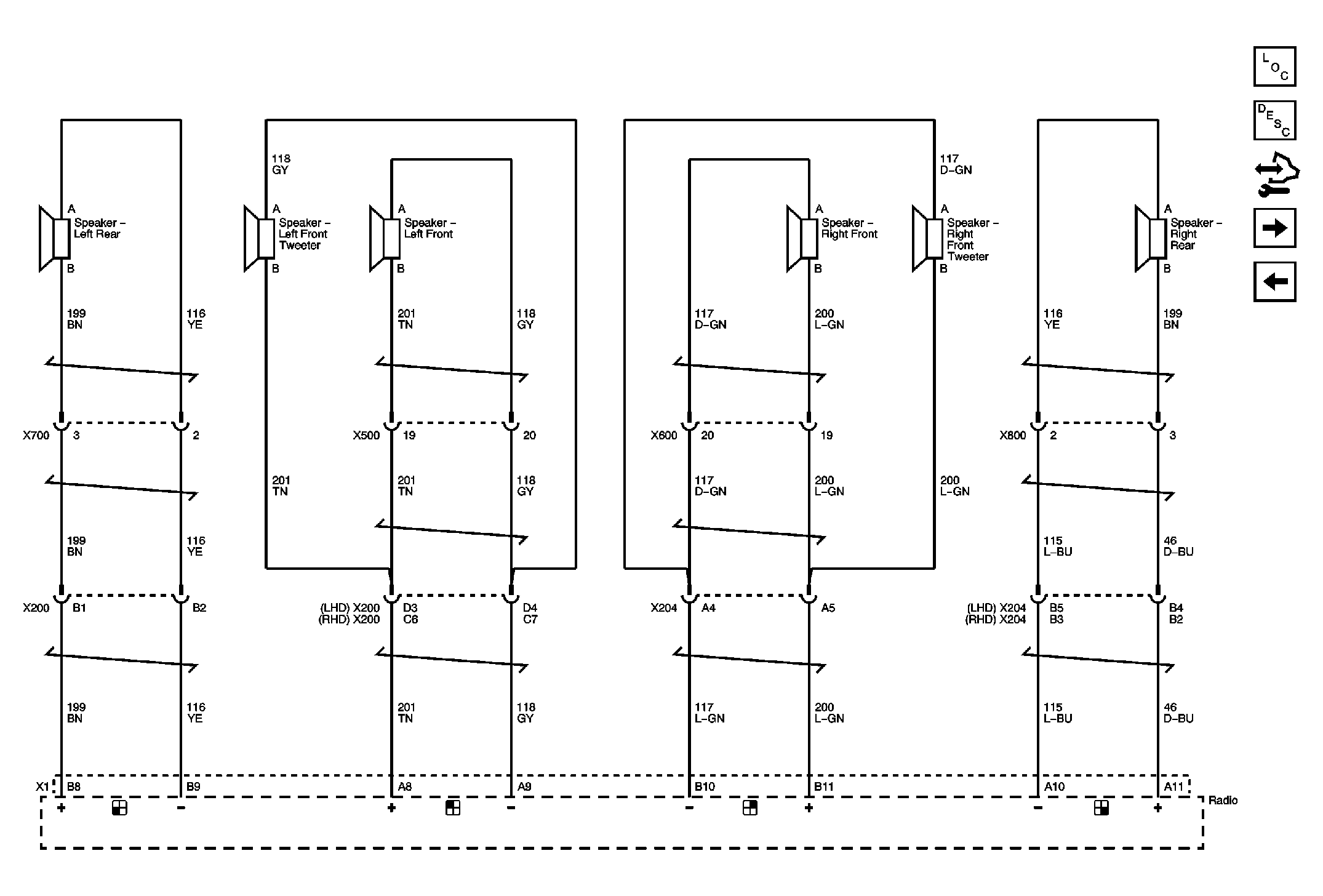
Fig 2: Speakers (UQ3)
GM2244041Courtesy of GENERAL MOTORS CORP.
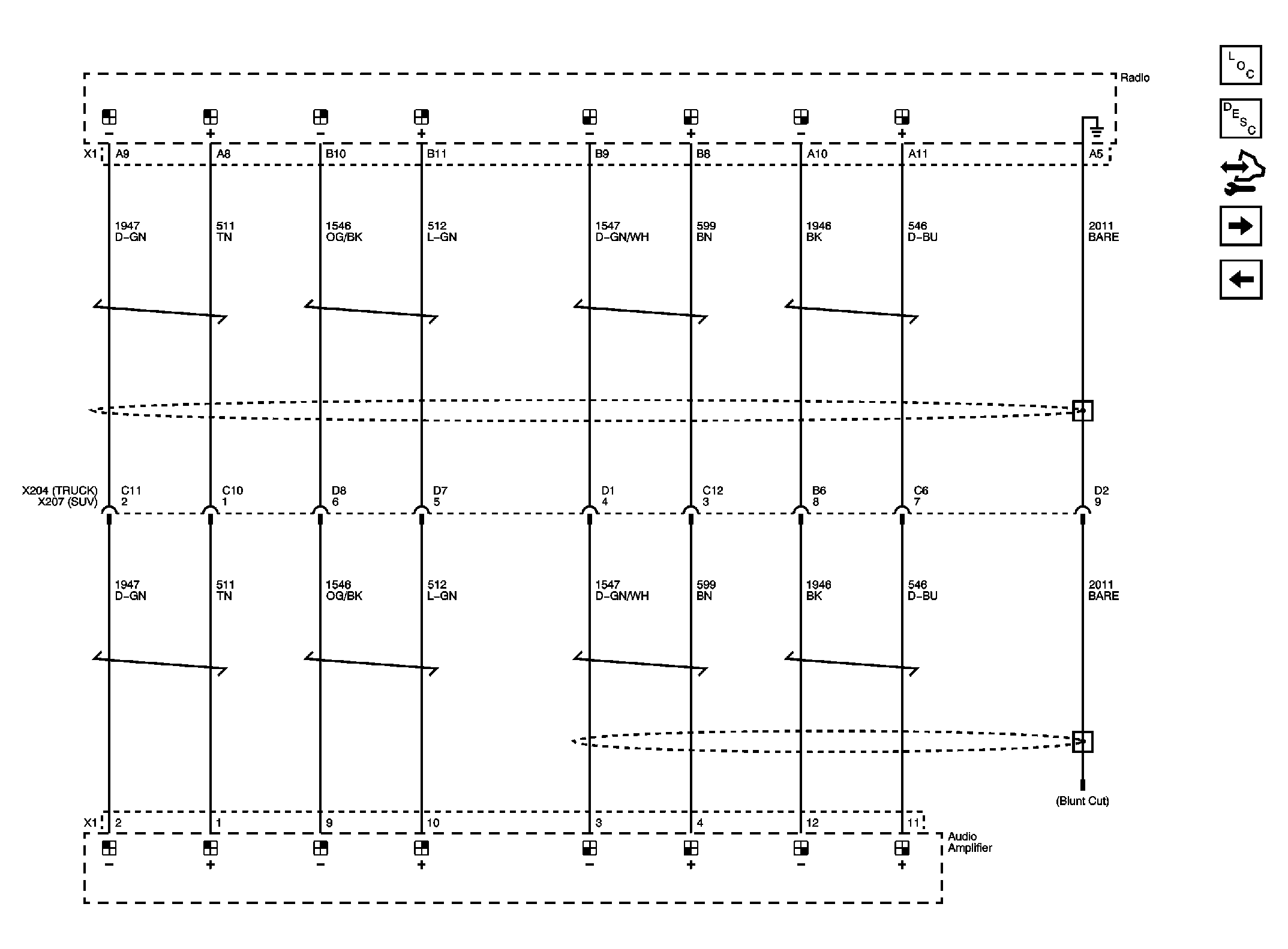
Fig 3: Amplifier Inputs (UQA)
GM2244043Courtesy of GENERAL MOTORS CORP.
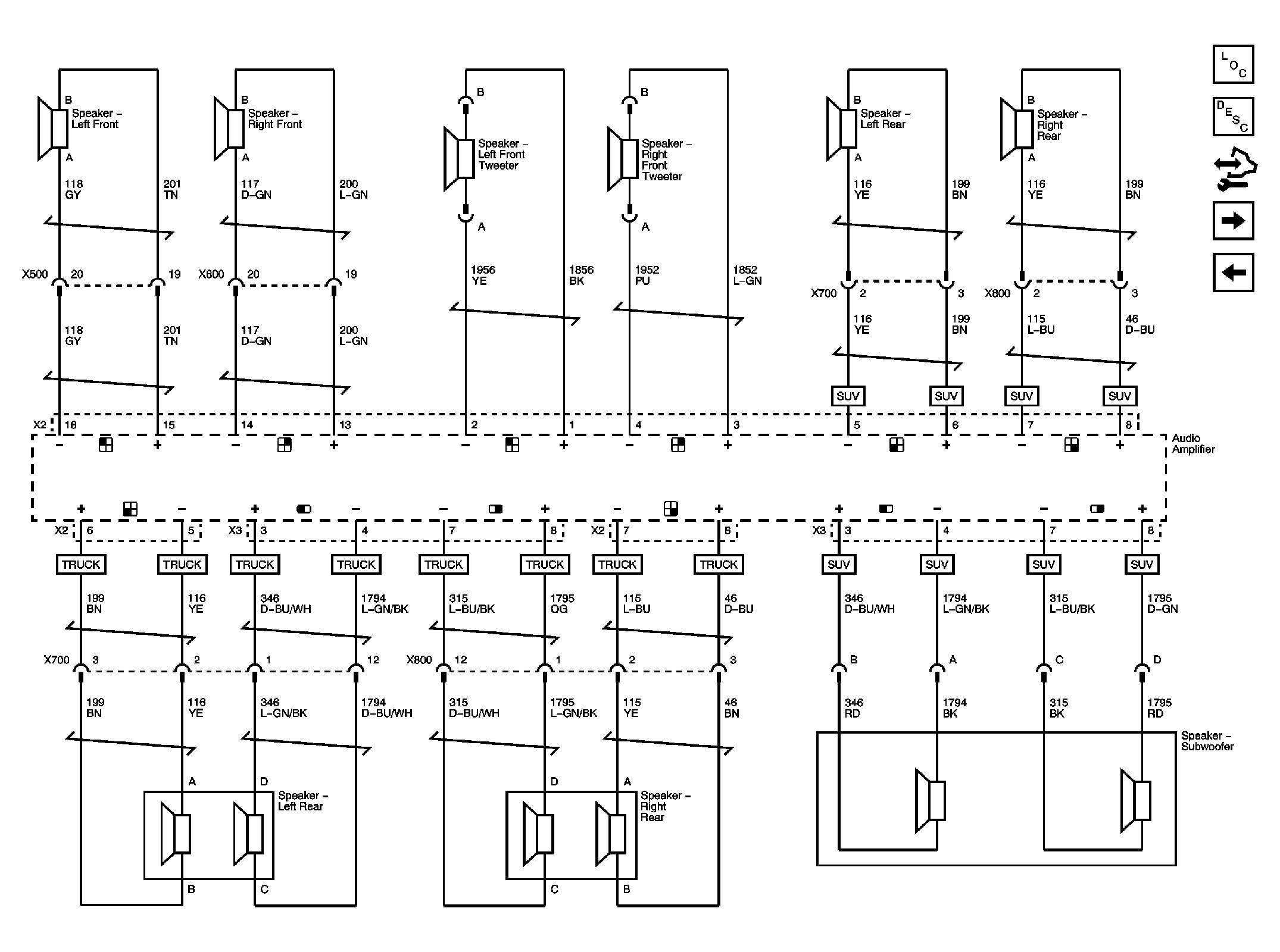
Fig 4: Speakers (UQA)
GM2244044Courtesy of GENERAL MOTORS CORP.
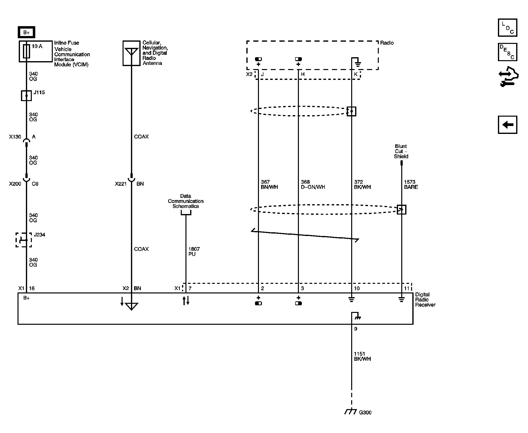
Fig 5: Digital Radio Receiver (U2K)
GM2244046Courtesy of GENERAL MOTORS CORP.