LEMON Manuals: Even more car manuals for everyone: 1960-2025
Home >> Hummer >> 2010 >> H3 L5-3.7L >> Repair and Diagnosis >> Powertrain Management >> Computers and Control Systems >> Oxygen Sensor >> Service and Repair >> Heated Oxygen Sensor Replacement - Sensor 1
April 5, 2026: LEMON Manuals is launched! Read the announcement.

Heated Oxygen Sensor Replacement - Sensor 1




Heated Oxygen Sensor Replacement - Sensor 1

Special Tools

J-39194-B - Heated Oxygen Sensor Wrench

Caution: When replacing the HO2S perform the following:

* A code clear with a scan tool, regardless of whether or not a DTC is set
* HO2S heater resistance learn reset with a scan tool, where available

Perform the above in order to reset the HO2S resistance learned value and avoid possible HO2S failure.

Caution: Refer to Heated Oxygen and Oxygen Sensor Caution (Heated Oxygen and Oxygen Sensor Caution).

Removal Procedure




1. Remove the right front fender wheelhouse panel. Refer to Front Wheelhouse Liner Replacement (Service and Repair).
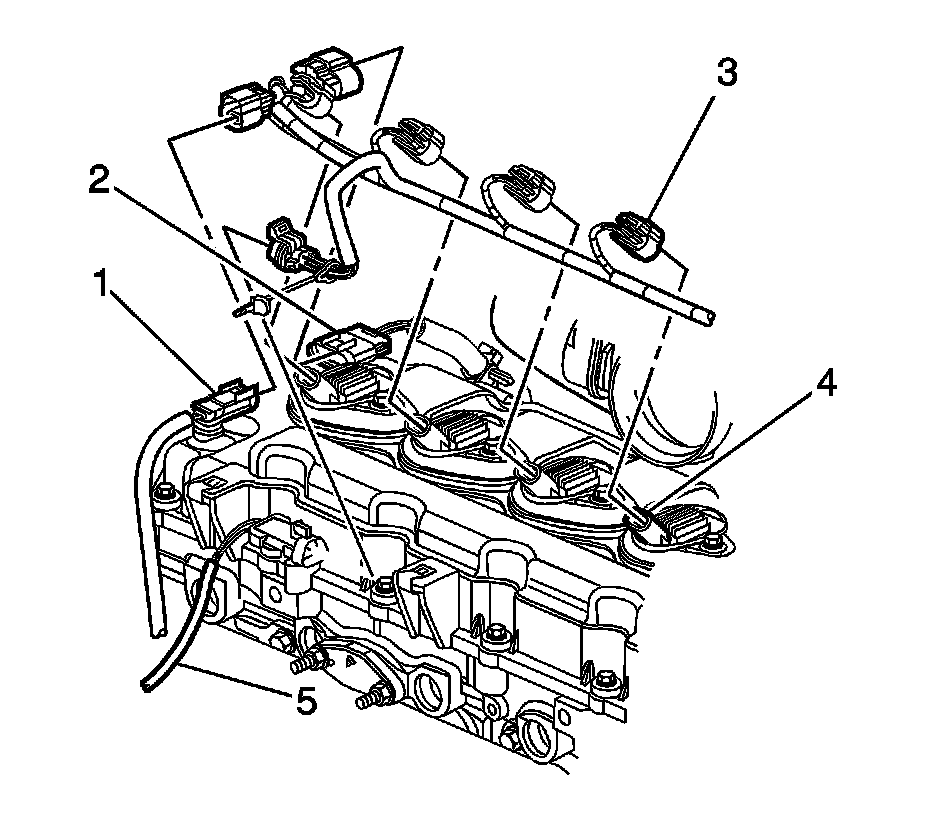
2. Disconnect the heated oxygen sensor (HO2S) electrical connector (5) from the following:

* The engine wiring harness electrical connector
* The camshaft cover





Caution: Refer to Excessive Force and Oxygen Sensor Caution (Excessive Force and Oxygen Sensor Caution).

3. Using the J-39194-B - wrench remove the HO2S from the exhaust manifold.

Installation Procedure

Note: Use special anti-seize compound on the HO2S threads. The compound consists of graphite suspended in fluid and glass beads. The graphite burns away, but the glass beads remain, making the sensor easier to remove. New service sensors already have the compound applied to the threads. If you remove an oxygen sensor and if for any reason you must install the same oxygen sensor, apply the anti-seize compound to the threads before reinstallation.




1. Coat the threads of the HO2S with the anti-seize compound P/N 5613695, or equivalent if necessary.

Caution: Refer to Component Fastener Tightening Caution (Component Fastener Tightening Caution).

2. Using the J-39194-B - wrench, install the HO2S into the exhaust manifold and tighten to 42 Nm (31 lb ft).




3. Connect the HO2S electrical connector (5) to the following:

* The engine wiring harness electrical connector
* The camshaft cover

4. Install the right front fender wheelhouse panel. Refer to Front Wheelhouse Liner Replacement (Service and Repair).