LEMON Manuals: Even more car manuals for everyone: 1960-2025
Home >> Hummer >> 2010 >> H3T Base, Standard >> Repair and Diagnosis (Single Page) >> Engine Performance >> System >> Engine Controls And Fuel - 3.7L - Schematic And Routing Diagrams >> Schematic and Routing Diagrams >> Engine Controls Schematics
April 5, 2026: LEMON Manuals is launched! Read the announcement.

Engine Controls Schematics

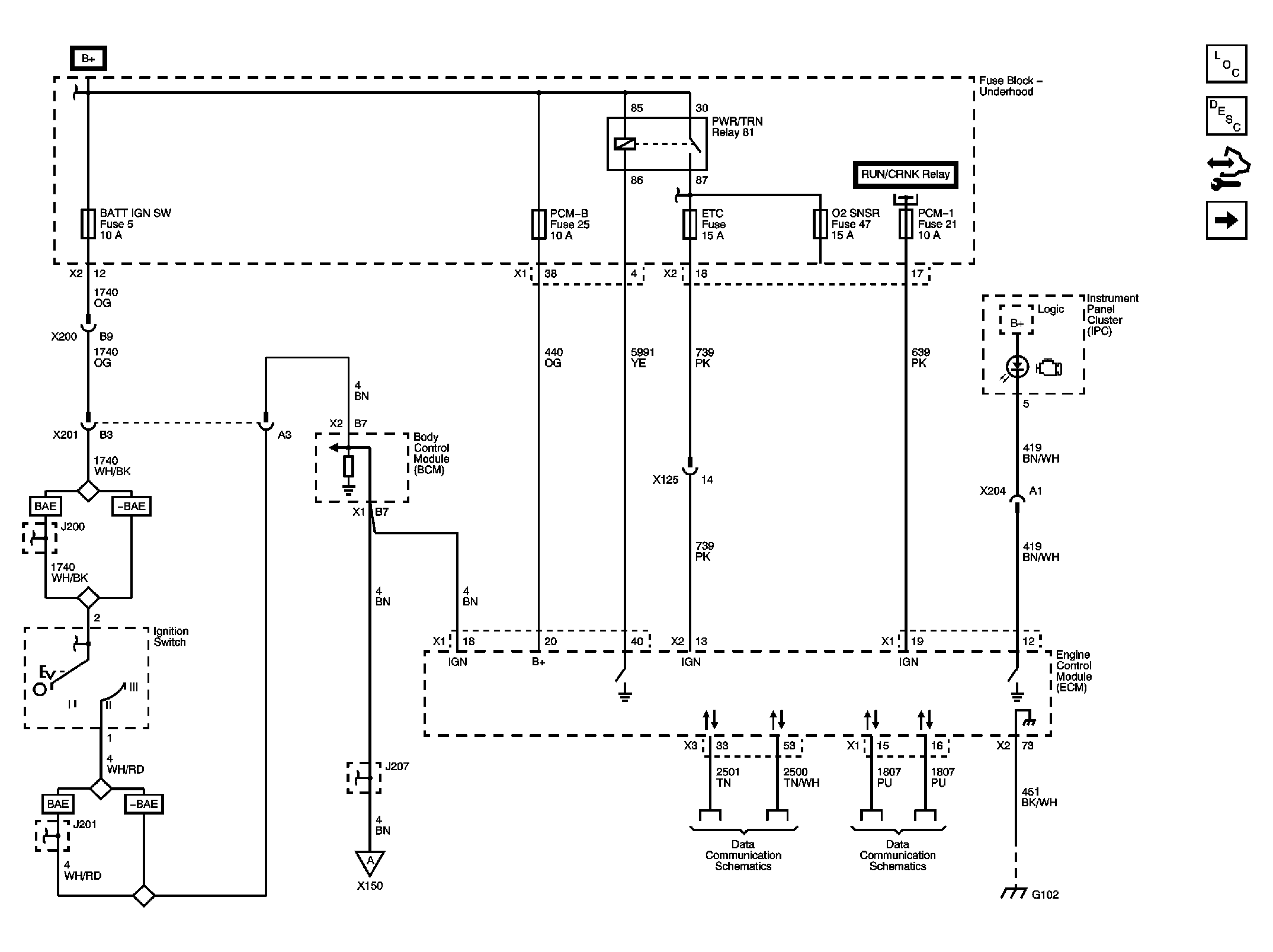
Fig 1: Module Power, Ground, Serial Data and MIL
GM2243959Courtesy of GENERAL MOTORS CORP.
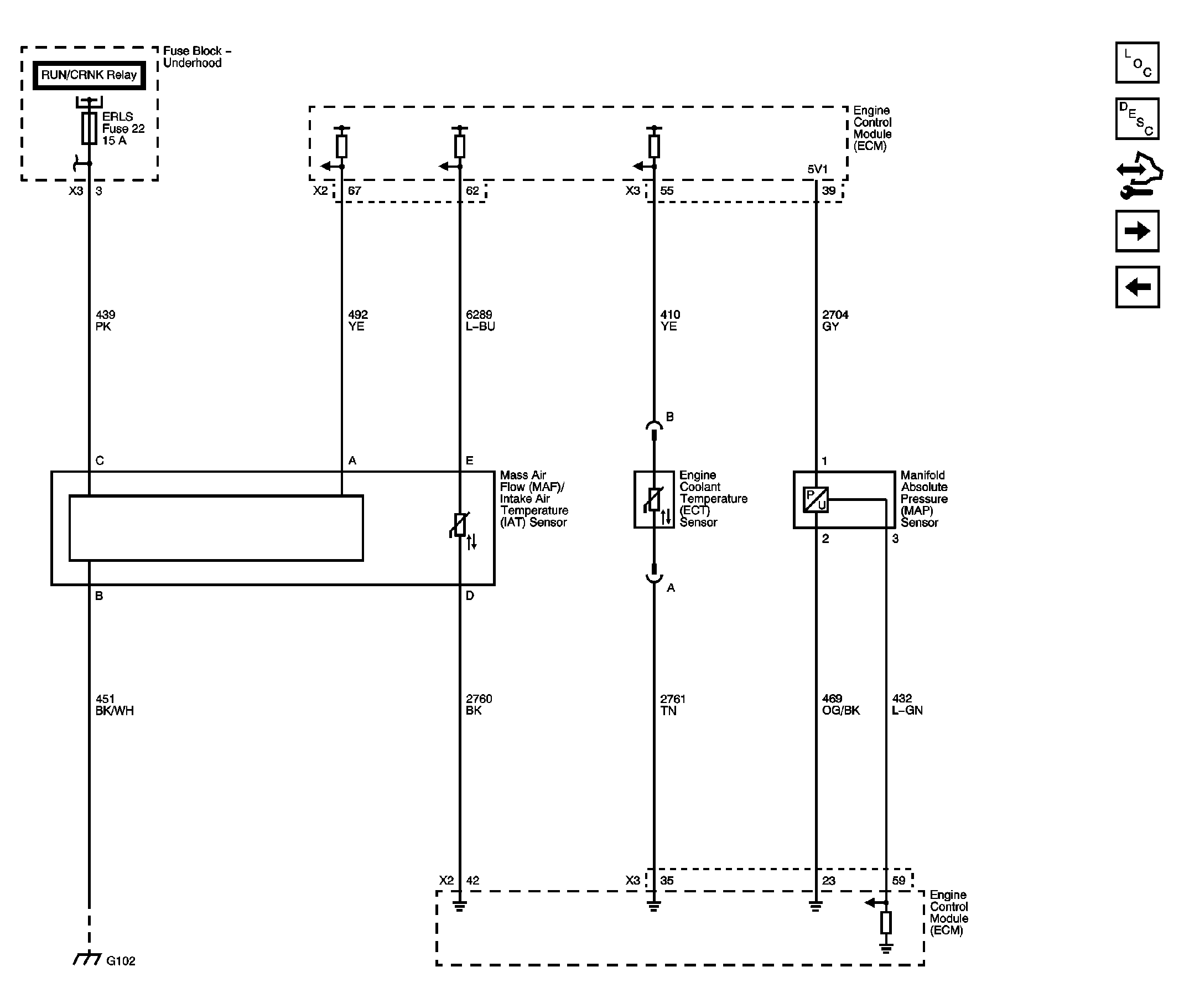
Fig 2: Engine Data Sensors - 5-Volt and Low Reference
GM2243961Courtesy of GENERAL MOTORS CORP.
Fig 3: Engine Data Sensors - Pressure, Temperature, and Throttle Controls
GM2243964Courtesy of GENERAL MOTORS CORP.
Fig 4: Engine Data Sensors - Heated Oxygen Sensors
GM2243965Courtesy of GENERAL MOTORS CORP.
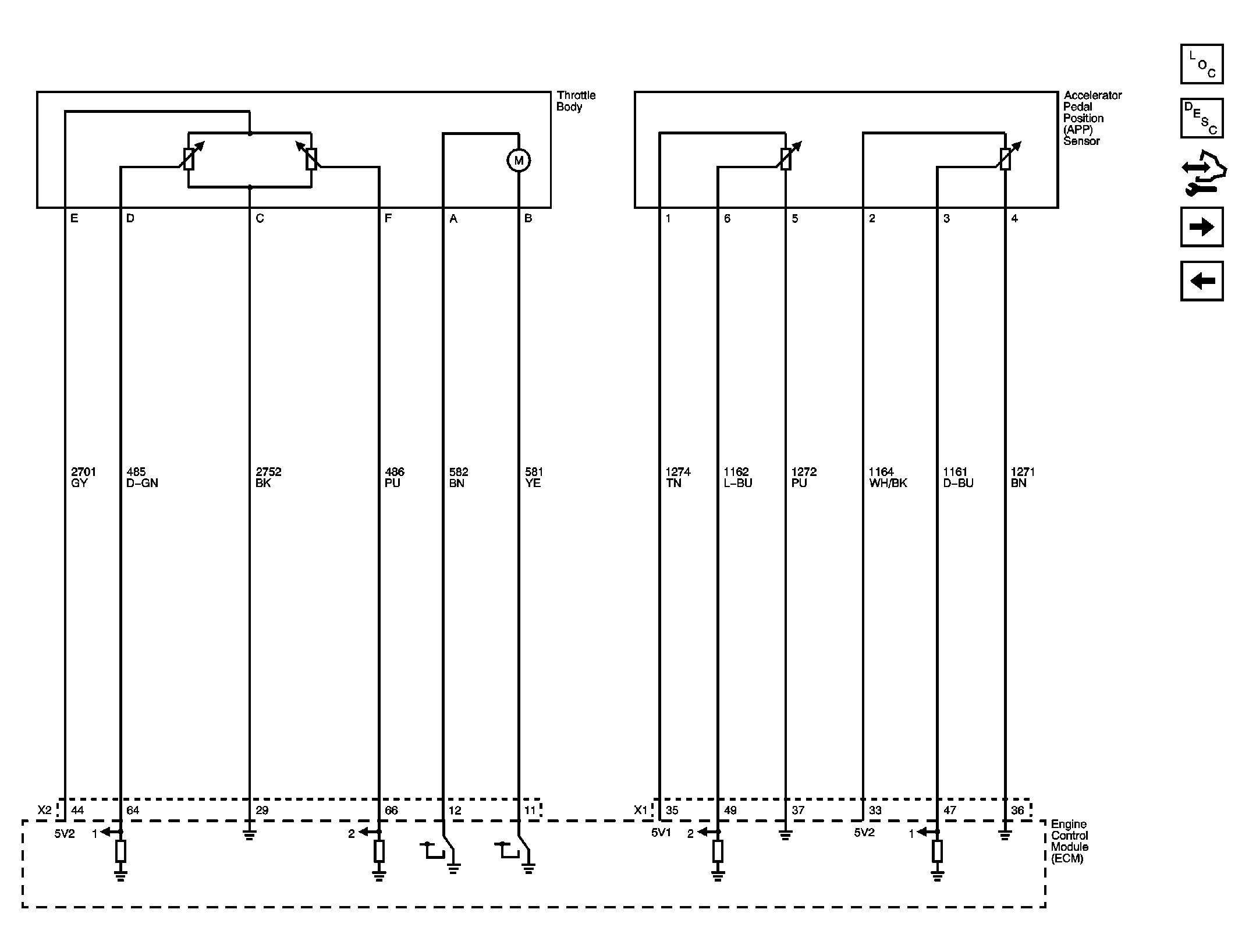
Fig 5: Engine Data Sensors - Electronic Throttle Control
GM2243966Courtesy of GENERAL MOTORS CORP.
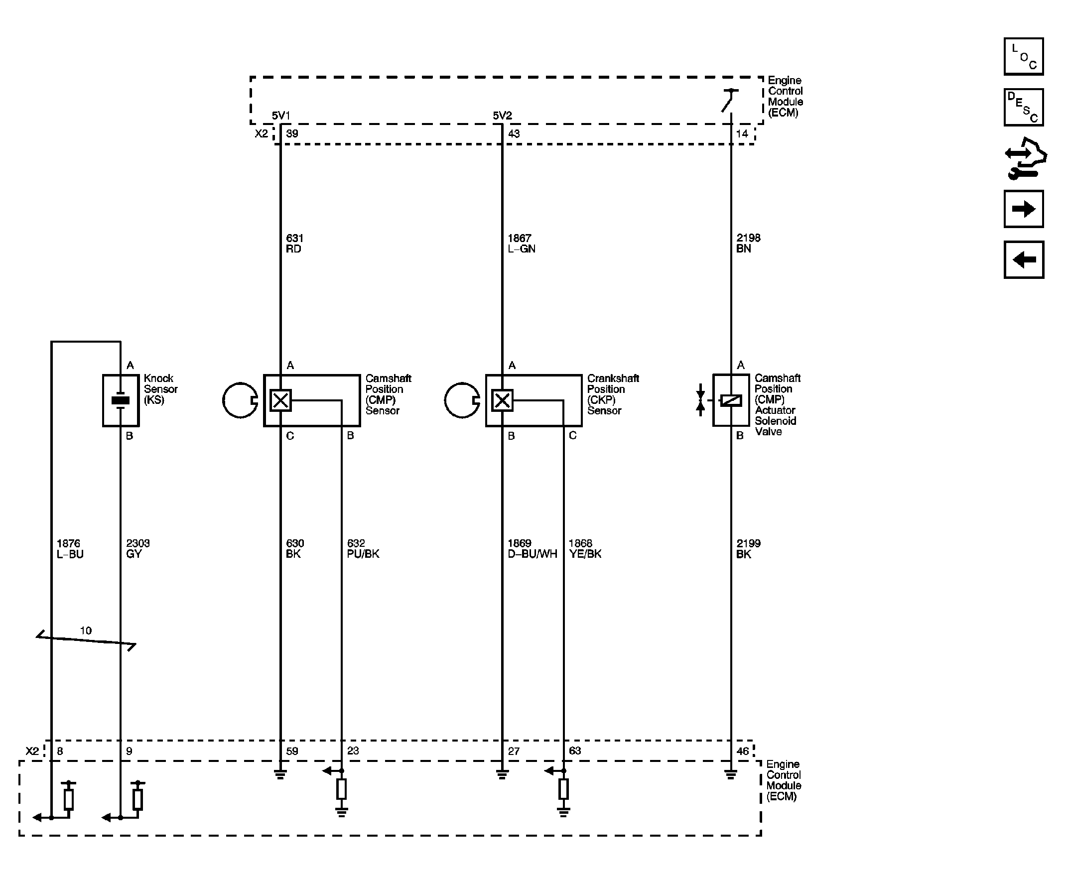
Fig 6: Ignition Controls - Sensors
GM2243968Courtesy of GENERAL MOTORS CORP.
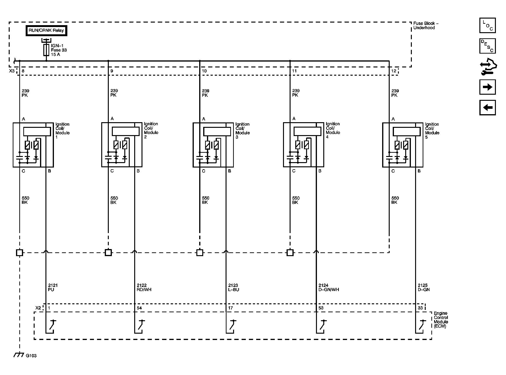
Fig 7: Ignition Controls - Ignition System Coils
GM2243970Courtesy of GENERAL MOTORS CORP.
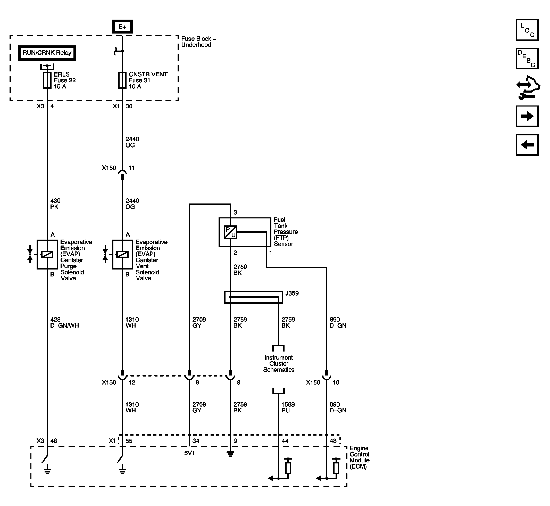
Fig 8: Fuel Controls - EVAP Controls
GM2243973Courtesy of GENERAL MOTORS CORP.
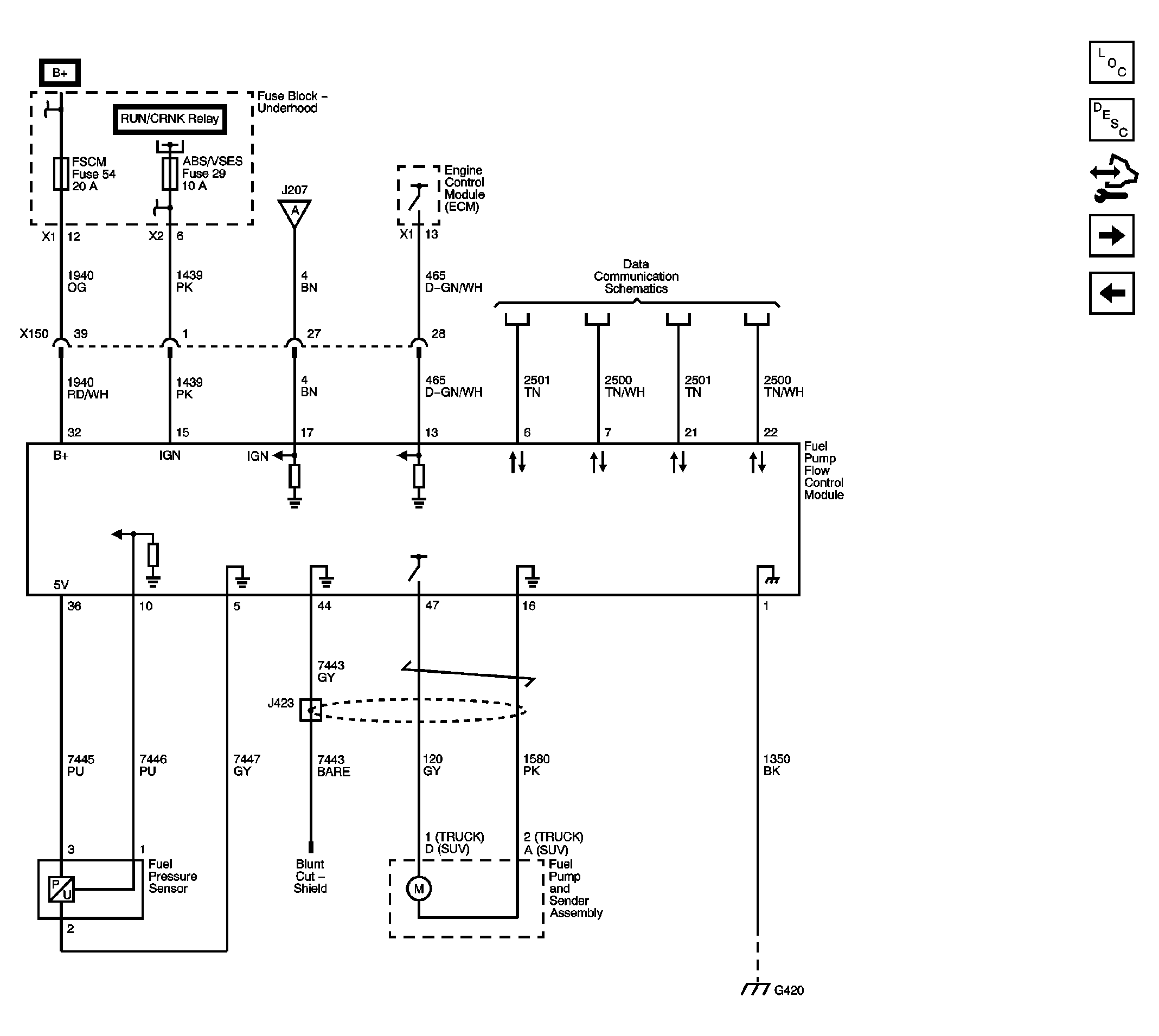
Fig 9: Fuel Controls - Fuel Pump Controls
GM2243974Courtesy of GENERAL MOTORS CORP.
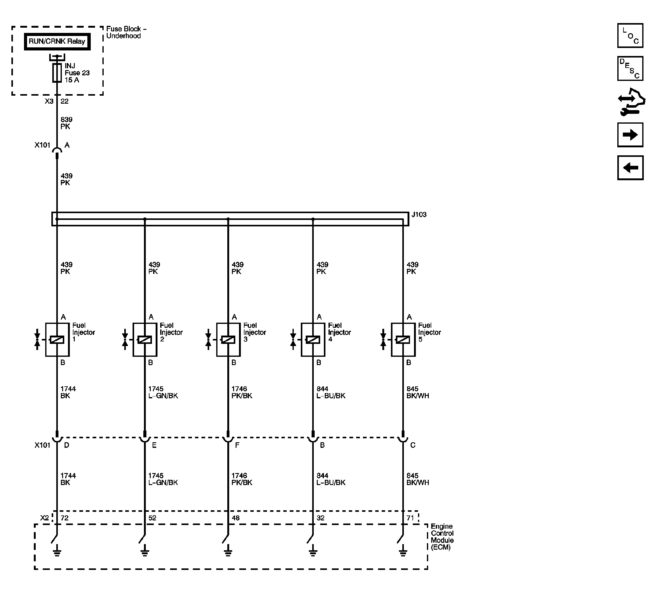
Fig 10: Fuel Controls - Fuel Injectors
GM2243975Courtesy of GENERAL MOTORS CORP.
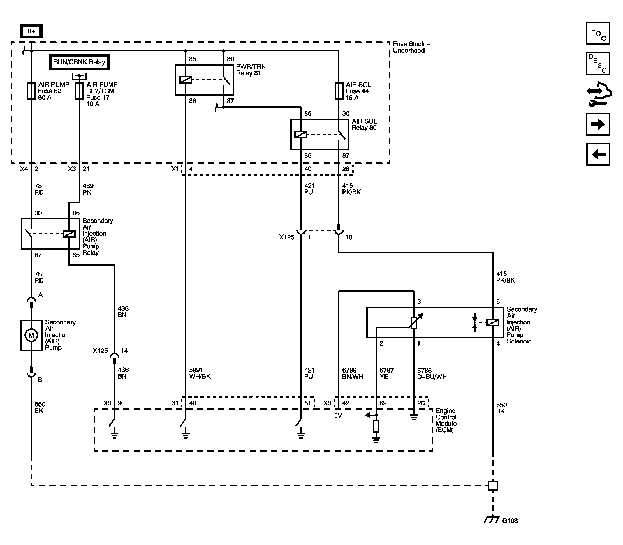
Fig 11: Device Controls - Secondary Air Injection (K18)
GM2243976Courtesy of GENERAL MOTORS CORP.
Fig 12: Controlled/Monitored Subsystem References
GM2243977Courtesy of GENERAL MOTORS CORP.