LEMON Manuals: Even more car manuals for everyone: 1960-2025
Home >> Hyundai >> 1996 >> Sonata V6-3.0L >> Repair and Diagnosis >> Powertrain Management >> Computers and Control Systems >> Relays and Modules - Computers and Control Systems >> Main Relay (Computer/Fuel System) >> Testing and Inspection
April 5, 2026: LEMON Manuals is launched! Read the announcement.

Main Relay (Computer/Fuel System): Testing and Inspection





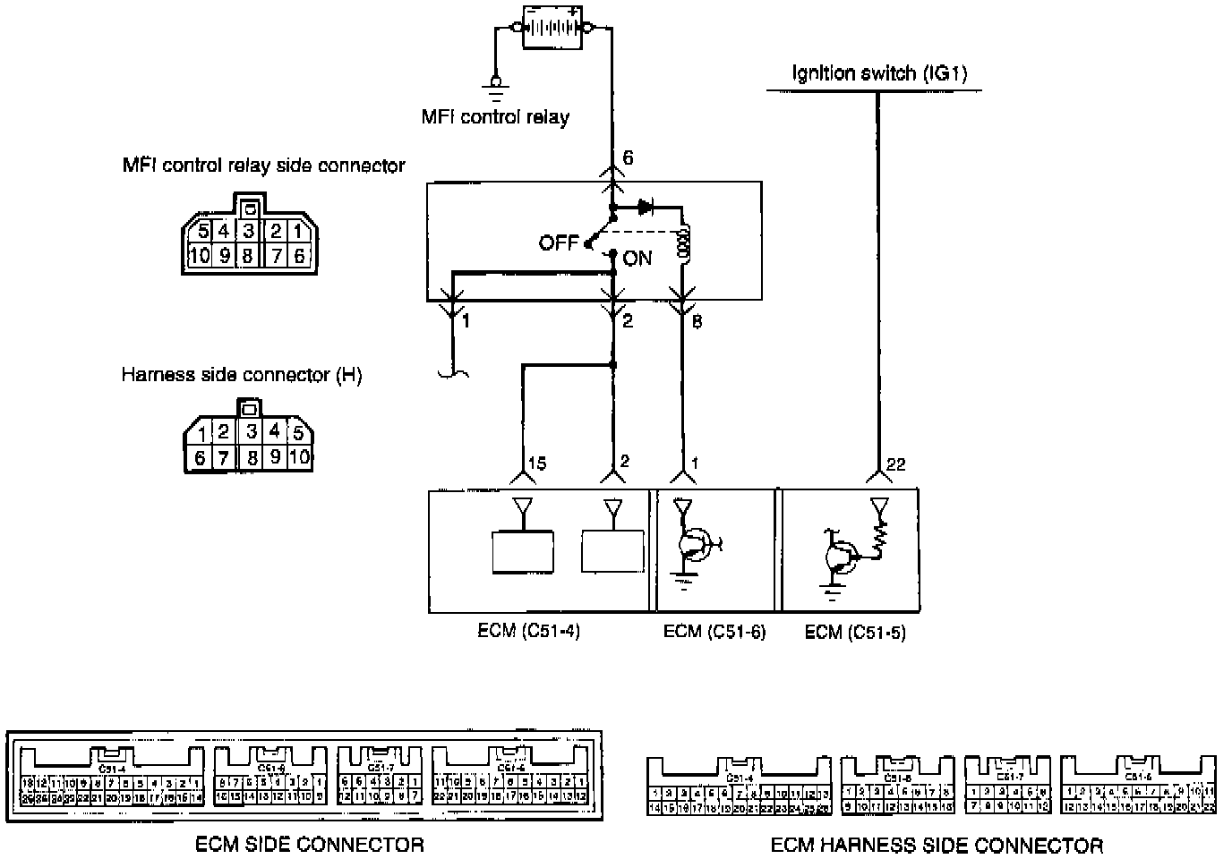
CIRCUIT DIAGRAM





INSPECTION USING SCAN TOOL








HARNESS INSPECTION PROCEDURE

COMPONENT TEST PROCEDURE





NOTE:
When applying battery voltage directly, make sure that it is applied to correct terminal. Otherwise, the relay could be damage.








1. Connect a 12V power supply (+) terminal to the terminal 6 of the MFI control relay and measure the voltages at terminal 2 when the (-) terminal is connected to and disconnected from the terminal 8.

Fig. 2 Control Relay Testing:








2. Connect a 12V power supply (-) terminal to the terminal 10 of the MFI control relay and check the continuity between terminals 3 and 4 when the (+) terminal is connected to and disconnected from the terminal 7.

Fig. 3 Control Relay Testing:








3. Connect a 12V power supply (+) terminal to the terminal 3 of the MFI control relay and measure the voltage at the terminal 4 when the (-) terminal is connected to and disconnected from the terminal 9.
4. If one of the above is improper, replace the MFI control relay.