LEMON Manuals: Even more car manuals for everyone: 1960-2025
Home >> Hyundai >> 1997 >> Sonata L4-2.0L >> Repair and Diagnosis >> Diagrams >> Electrical Diagrams >> Heating and Air Conditioning >> Control Module HVAC >> Compressor Control Module >> A/C Compressor Controls (Manual)
April 5, 2026: LEMON Manuals is launched! Read the announcement.

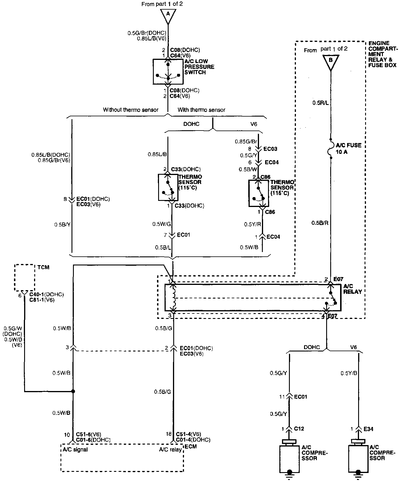
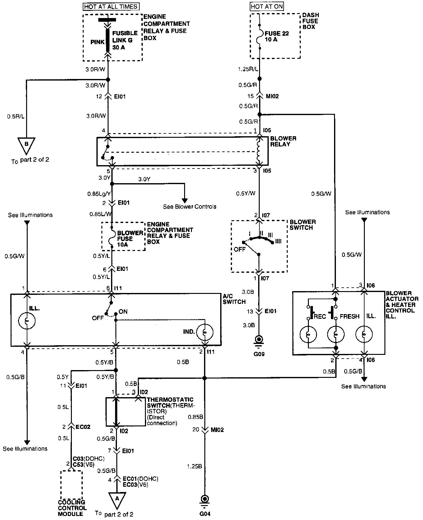
A/C Compressor Controls (Manual)

A/C Compressor Controls (Manual) (Part 1 Of 2):



A/C Compressor Controls (Manual) (Part 2 Of 2):