LEMON Manuals: Even more car manuals for everyone: 1960-2025
Home >> Hyundai >> 1997 >> Sonata L4-2.0L >> Repair and Diagnosis >> Diagrams >> Electrical Diagrams >> Heating and Air Conditioning >> Control Module HVAC >> Compressor Control Module >> Blower and A/C Compressor Controls (Automatic)
April 5, 2026: LEMON Manuals is launched! Read the announcement.

Blower and A/C Compressor Controls (Automatic)

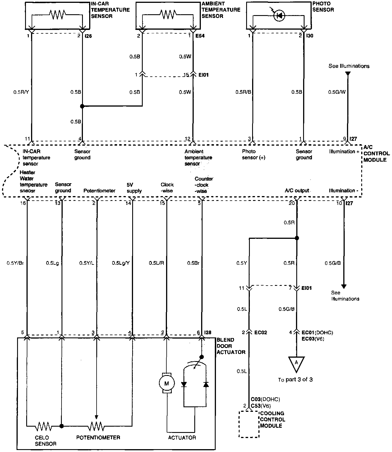
Blower And A/C Compressor Controls (Automatic) (Part 1 Of 3):




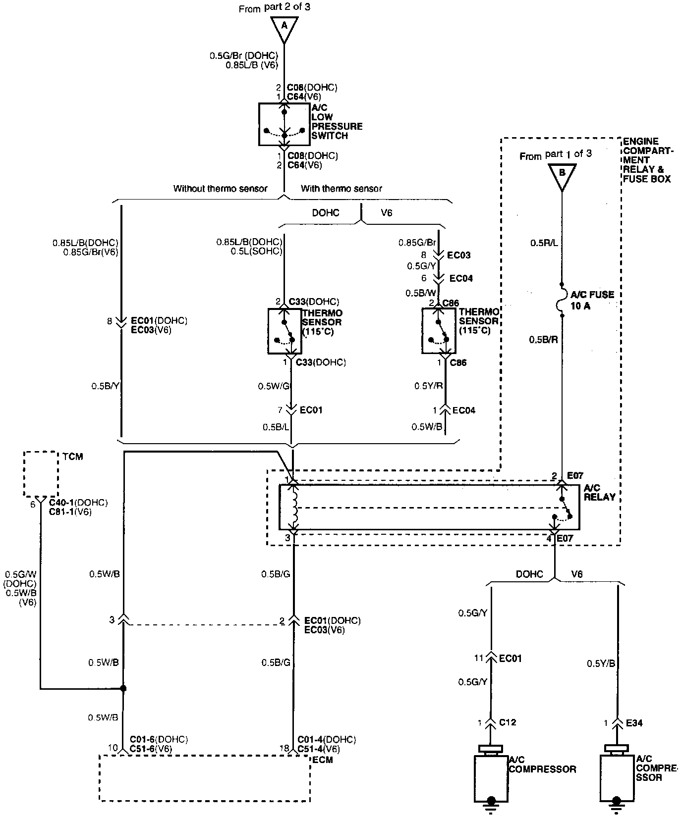
Blower And A/C Compressor Controls (Automatic) (Part 2 Of 3):




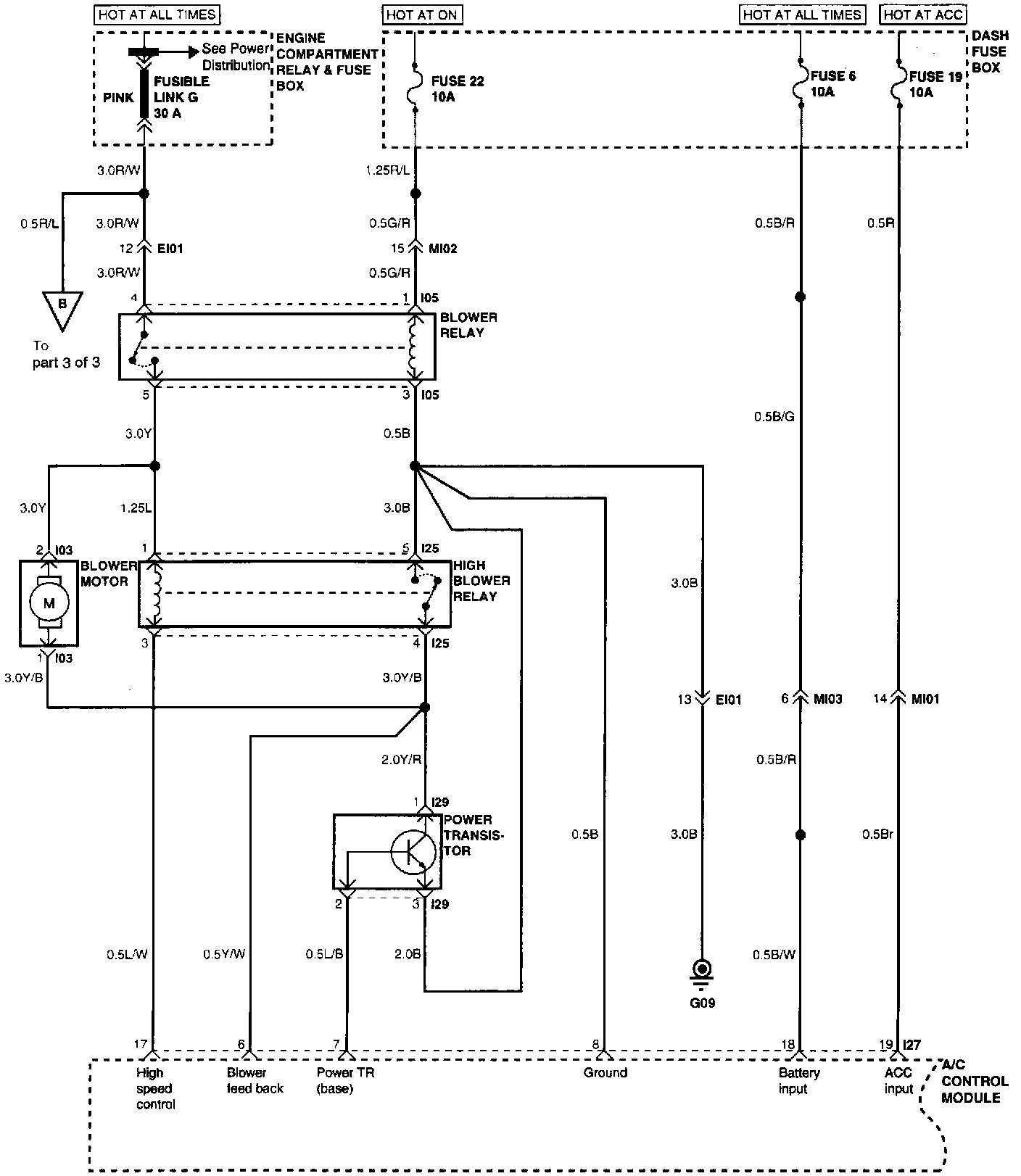
Blower And A/C Compressor Controls (Automatic) (Part 3 Of 3):