LEMON Manuals: Even more car manuals for everyone: 1960-2025
Home >> Hyundai >> 1997 >> Sonata L4-2.0L >> Repair and Diagnosis >> Powertrain Management >> Computers and Control Systems >> Air Flow Meter/Sensor >> Testing and Inspection
April 5, 2026: LEMON Manuals is launched! Read the announcement.

Air Flow Meter/Sensor: Testing and Inspection





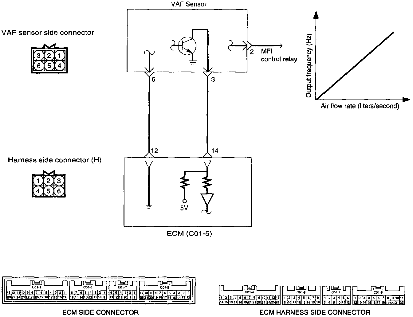
CIRCUIT DIAGRAM

TROUBLESHOOTING HINTS
1. If the engine stalls occasionally, crank the engine and shake the VAF Sensor harness. If the engine stalls, check for the poor contact of the VAF Sensor connector.
2. If the VAF Sensor output frequency is other than 0 when the ignition switch is turned on (do not start the engine), check for the faulty VAF Sensor of ECM.
3. If the engine can be idle even if the VAF Sensor output frequency is out of specification, check for the following conditions.
- Disturbed air flow in the VAF Sensor. Disconnected air duct, clogged air cleaner filter.
- Poor combustion in the cylinder. Faulty ignition plug, ignition coil, injector incorrect compression.
- Air leaks in the intake manifold.
- Loose EGR valve seat.





Using GST

NOTE: When the vehicle is new [within initial operation of about 500 km (300 miles)], the volume air flow sensor output frequency may be about 10% higher.











HARNESS INSPECTION PROCEDURES