LEMON Manuals: Even more car manuals for everyone: 1960-2025
Home >> Hyundai >> 1997 >> Tiburon Base, Standard >> Repair and Diagnosis >> Body & Frame >> Power Windows >> Component Testing >> Power Window Relay
April 5, 2026: LEMON Manuals is launched! Read the announcement.

Power Window Relay

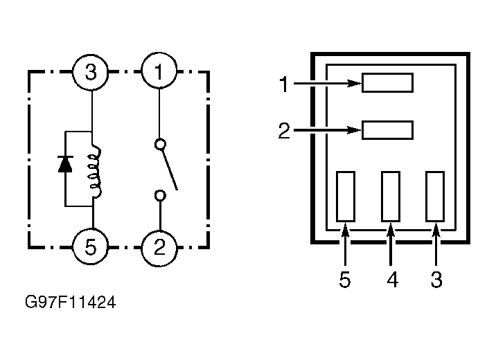
  1. Remove power window relay from power distribution box. Check continuity between power window relay terminals No. 3 and 5 and between terminals No. 1 and 2. SeeFig 1 . Continuity should exist between terminals No. 3 and 5. Continuity should not exist between terminals No. 1 and 2. If continuity is as specified, go to next step. If continuity is not as specified, replace power window relay.
  2. Apply battery voltage between terminals No. 3 and 5. Check continuity between terminals No. 1 and 2. If continuity exists, power window relay is okay. If continuity does not exist, replace power window relay.
Fig 1: Identifying Power Window Relay Terminals
G97F11424Courtesy of HYUNDAI MOTOR CO.