LEMON Manuals: Even more car manuals for everyone: 1960-2025
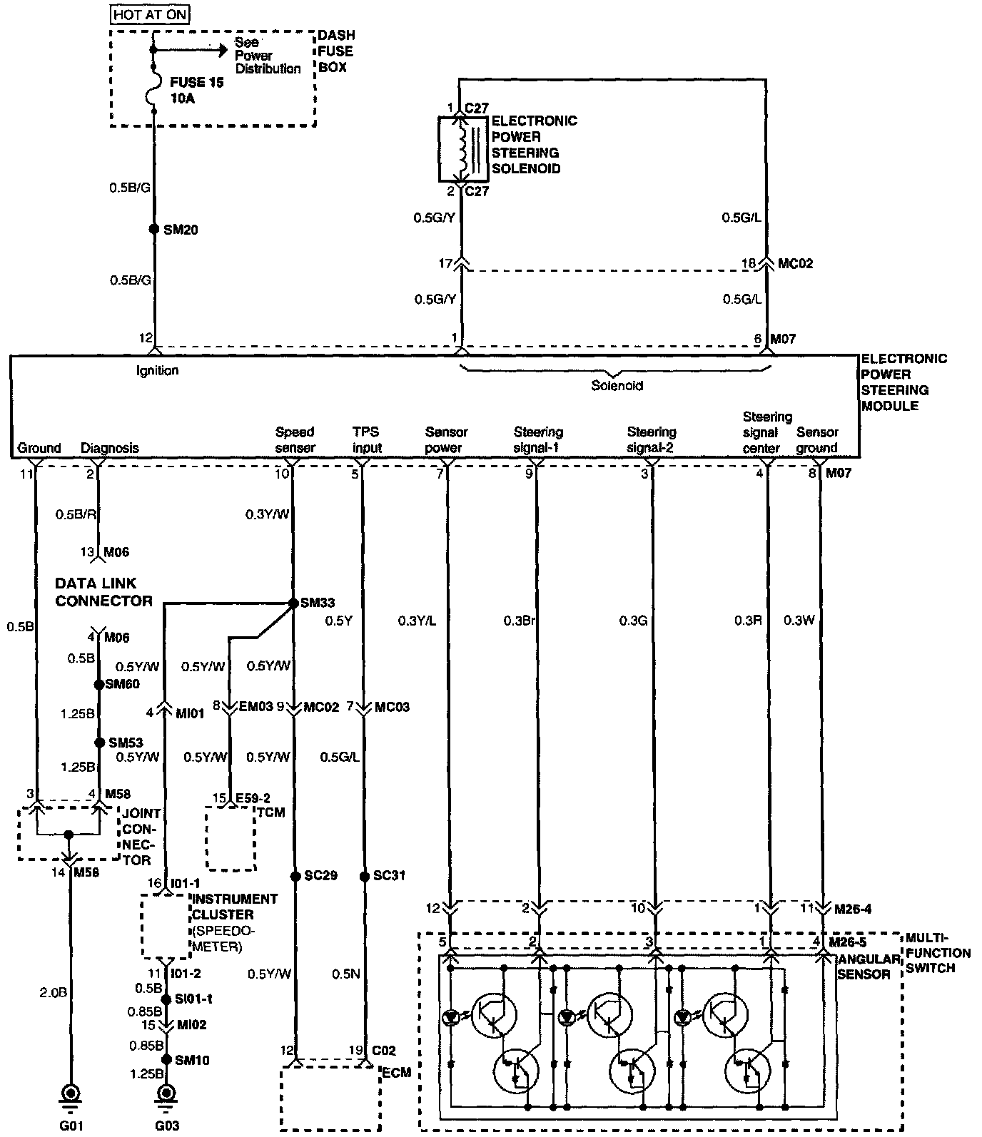
Home >> Hyundai >> 1998 >> Tiburon L4-1.8L >> Repair and Diagnosis >> Diagrams >> Electrical Diagrams >> Steering >> Steering Control Module
April 5, 2026: LEMON Manuals is launched! Read the announcement.

Steering Control Module