LEMON Manuals: Even more car manuals for everyone: 1960-2025
Home >> Hyundai >> 1998 >> Tiburon L4-1.8L >> Repair and Diagnosis >> Diagrams >> Exploded Views >> Radiator
April 5, 2026: LEMON Manuals is launched! Read the announcement.

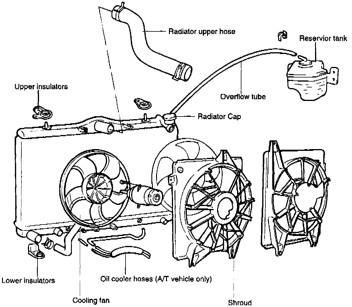
Radiator