LEMON Manuals: Even more car manuals for everyone: 1960-2025
Home >> Hyundai >> 1999 >> Tiburon L4-2.0L >> Repair and Diagnosis >> Powertrain Management >> Computers and Control Systems >> Relays and Modules - Computers and Control Systems >> Engine Control Module >> Diagrams >> Diagram Information and Instructions >> Electrical Diagram (Example Only)
April 5, 2026: LEMON Manuals is launched! Read the announcement.

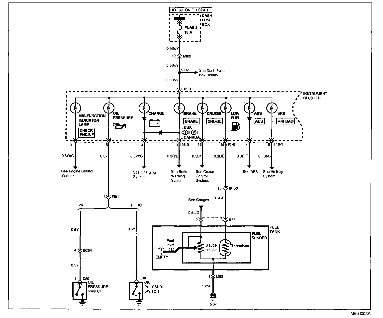
Electrical Diagram (Example Only)

Schematic Diagram:






The starting point to diagnose each system is the electrical diagram, these diagrams show how all the components work together, such as electrical current paths from power source to ground (via electrical load), switch connections at each positions, and other related circuit functions.

It is important to fully understand how a circuit works prior to troubleshooting and diagnosis.