LEMON Manuals: Even more car manuals for everyone: 1960-2025
Home >> Hyundai >> 2000 >> Sonata GLS V6-2.5L >> Repair and Diagnosis >> Powertrain Management >> Computers and Control Systems >> Air Flow Meter/Sensor >> Testing and Inspection
April 5, 2026: LEMON Manuals is launched! Read the announcement.

Air Flow Meter/Sensor: Testing and Inspection




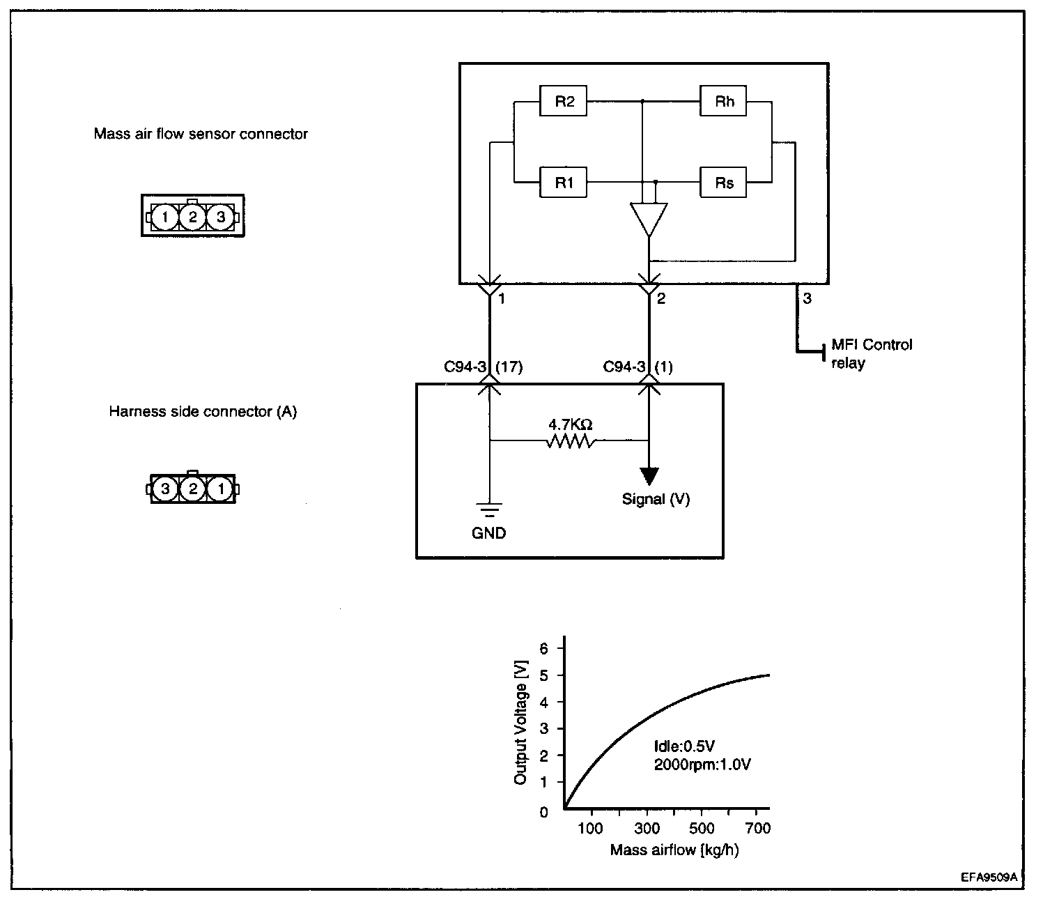
This hot film type air flow sensor is composed of a hot film sensor, housing, metering duct (hybrid, sensor element).

Mass air flow rate is measured by detection of heat transfer from a hot film probe because the change of the mass air flow rate causes change in the amount of heat being transferred from the hot film probe surface to the air flow. The air flow sensor generates a pulse so it repeatedly opens and closes between the 5 V voltage supplied from the engine control module. This results in the change of the temperature of the hat film probe and in the change of resistance.

Circuit Diagram:






Troubleshooting Procedure:






TROUBLESHOOTING HINTS
1. If the engine stalls occasionally, start the engine and shake the MAF sensor harness. If the engine stalls, check for poor contact at the MAF sensor connector.
2. If the MAF sensor output voltage is other than 0 when the ignition switch is turned on (do not start the engine). Check for the faulty MAF sensor or ECM.
3. If the engine can be idle even if the MAF sensor output voltage is out of specification, check for the following conditions;
- Disturbed airflow in the MAF sensor, disconnected air duct, and clogged air cleaner filter.
- Poor combustion in the cylinder, faulty ignition plug, ignition coil, injector, and incorrect comparison.
4. Though no AFS malfunction occurs, check the mounting direction of AFS.

Using Voltmeter:






NOTE
1. When the vehicle is new [within initial operation of about 500 km (300 miles), the mass air flow sensor air quantity will be about 10% higher.
2. Use an accurate digital voltmeter.
3. Before checking, warm up the engine until the engine coolant temperature reaches 80 to 90°C (176 to 198°F)

Harness Inspection Procedure: