LEMON Manuals: Even more car manuals for everyone: 1960-2025
Home >> Hyundai >> 2001 >> Elantra L4-2.0L >> Repair and Diagnosis >> Diagrams >> Exploded Views >> Radiator
April 5, 2026: LEMON Manuals is launched! Read the announcement.

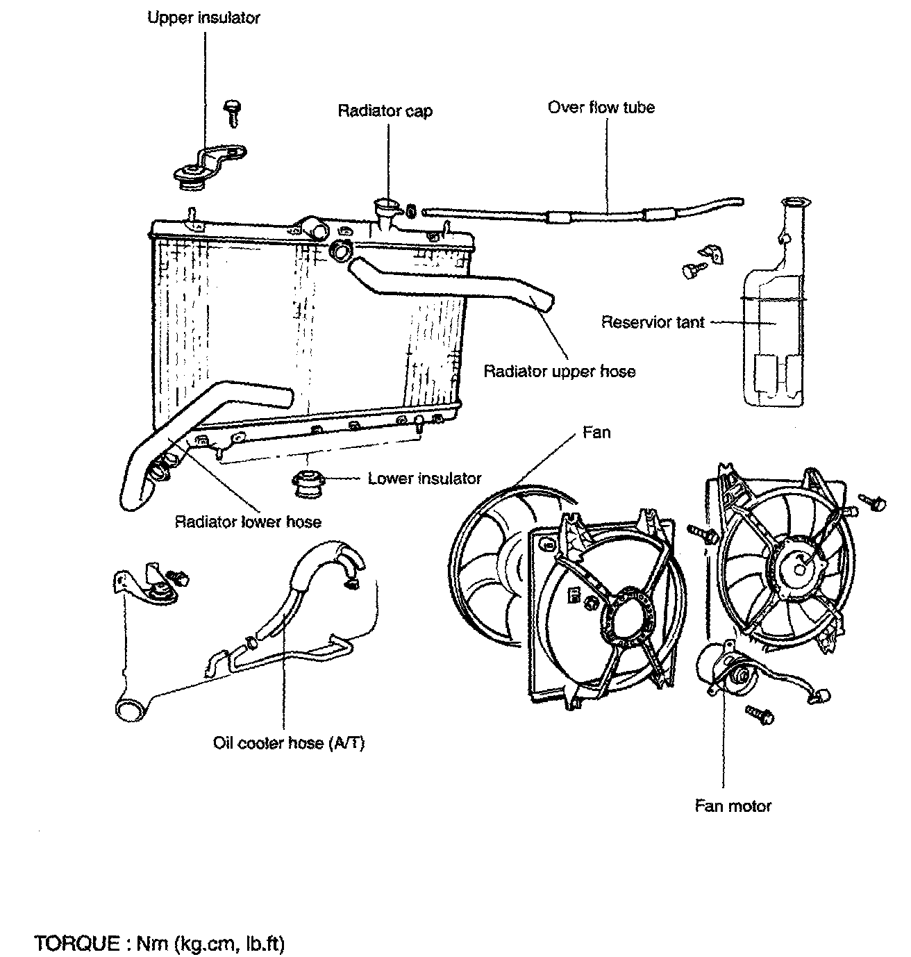
Radiator