LEMON Manuals: Even more car manuals for everyone: 1960-2025
Home >> Hyundai >> 2001 >> Santa Fe V6-2.7L >> Repair and Diagnosis >> Powertrain Management >> Computers and Control Systems >> Air Flow Meter/Sensor >> Testing and Inspection >> Component Tests and General Diagnostics
April 5, 2026: LEMON Manuals is launched! Read the announcement.

Component Tests and General Diagnostics




MASS AIR FLOW (MAF) SENSOR
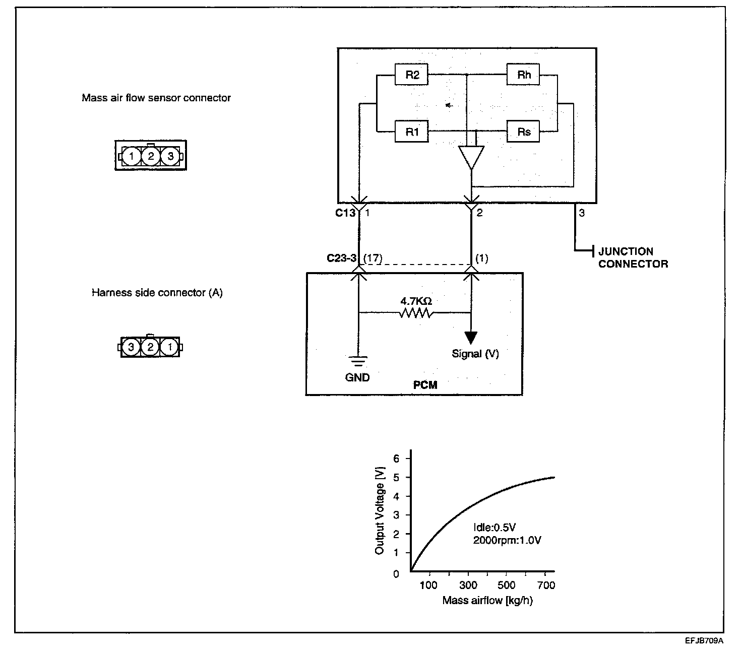
This hot film type air flow sensor is composed of a hot film sensor, housing and metering duct (hybrid, sensor element). Mass air flow rate is measured because the change of the mass air flow rate causes of heat being transferred from the hot film probe surface to the air flow. The air flow sensor generates a pulse so it repeatedly opens and closes between the 5 V voltage supplied from the powertrain control module.

Circuit Diagram <2.7 V6>:






Troubleshooting Procedures:









TROUBLESHOOTING HINTS
1. If the engine stalls occasionally, start the engine and shake the MAF sensor harness. If the engine stalls, check for poor contact at the MAF sensor connector.
2. If the MAF sensor output voltage is other than 0 when the ignition switch is turned on (do not start the engine), check for a faulty MAF sensor or PCM.
3. If the engine can idle even if the MAF sensor output voltage is out of specification, check for the following conditions;
- Disturbed air flow in the MAF sensor, disconnected air duct, and clogged air cleaner filter.
- Poor combustion in the cylinder, faulty ignition plug, ignition coil, injector, and low compression.
4. Even if no AFS malfunction occurs, check the mounting direction of the AFS.

NOTE:
1. When the vehicle is new [within about 500 km (300 miles)], the mass air flow sensor reading will be about 10% higher.
2. Use an accurate digital voltmeter.
3 .Before checking, warm up the engine until the engine coolant temperature reaches 80 to 90 °C (176 to 198 °F).

Harness Inspection Procedure: