LEMON Manuals: Even more car manuals for everyone: 1960-2025
Home >> Hyundai >> 2002 >> Elantra GT Hatchback L4-2.0L >> Repair and Diagnosis >> Powertrain Management >> Computers and Control Systems >> Relays and Modules - Computers and Control Systems >> Main Relay (Computer/Fuel System) >> Testing and Inspection
April 5, 2026: LEMON Manuals is launched! Read the announcement.

Main Relay (Computer/Fuel System): Testing and Inspection

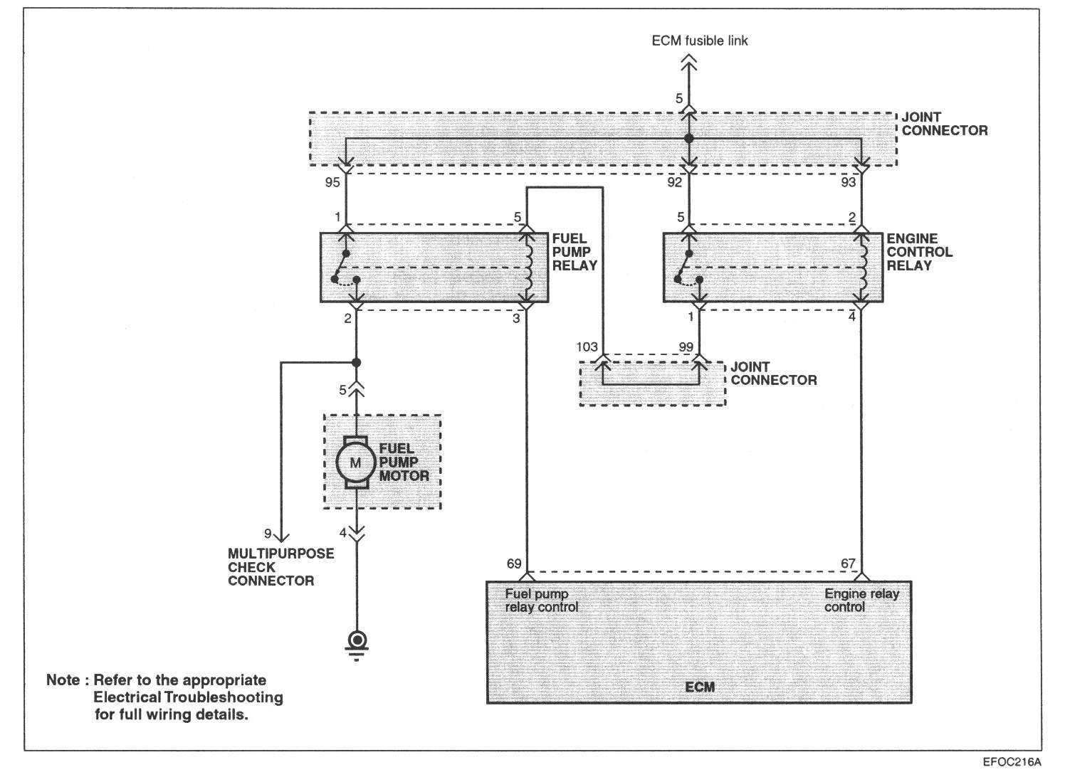
MFI CONTROL RELAY
When the ignition switch is on, battery power is supplied to the ECM, the injectors, the mass air flow sensor, etc. While the ignition switch is turned on, current flows from the ignition switch through the current relay coil to ground.


Circuit Diagram:






Harness Inspection Procedures:






MFI CONTROL RELAY INSPECTION




1. Check the continuity of relay contacts between terminals 5(+) and 1(-).







2. If faulty, replace the MFI control relay.