LEMON Manuals: Even more car manuals for everyone: 1960-2025
Home >> Hyundai >> 2003 >> Santa Fe Base, Standard >> Repair and Diagnosis (Single Page) >> Accessories & Equipment >> Anti-Theft Systems >> Immobilizer Control System >> Immobilizer Control System >> System Block Diagram
April 5, 2026: LEMON Manuals is launched! Read the announcement.

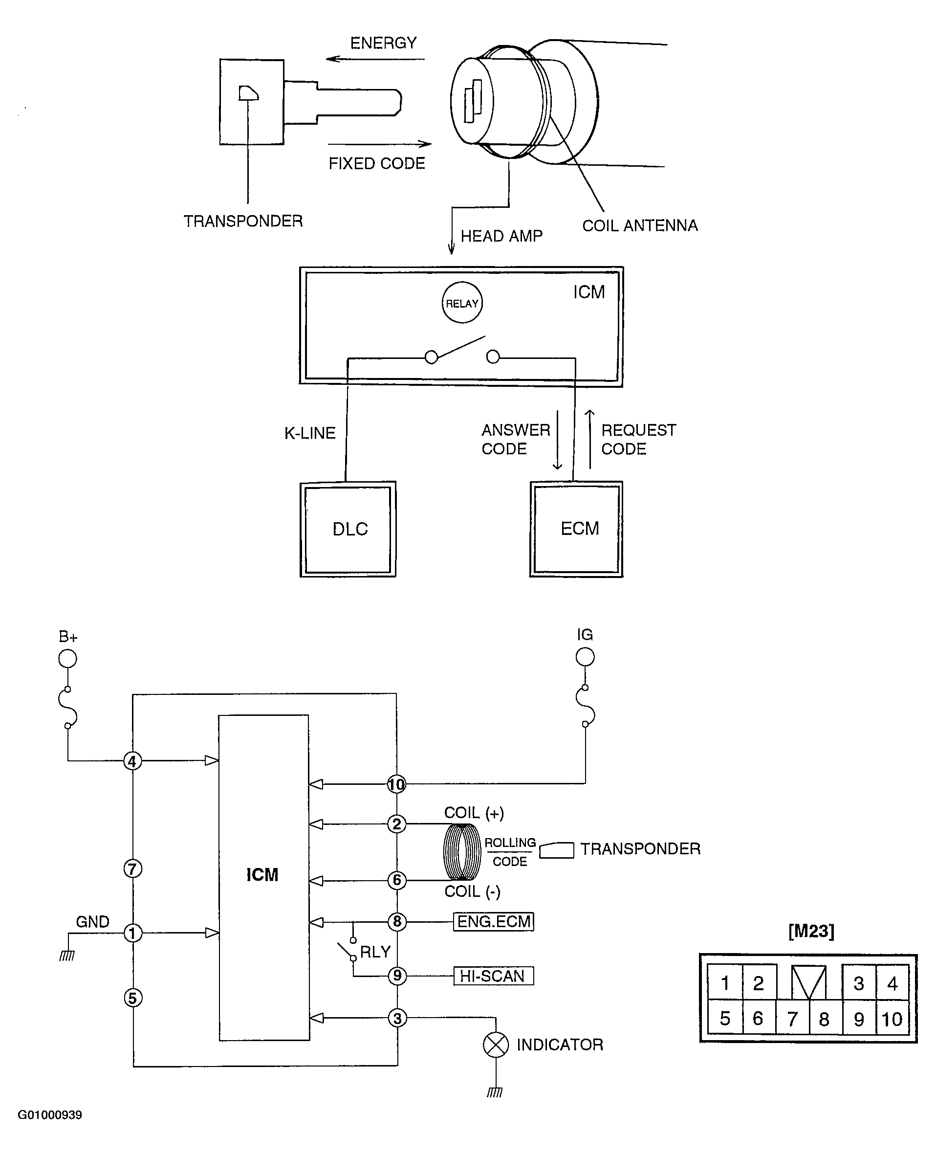
System Block Diagram

Fig 1: System Block Diagram
G01000939Courtesy of HYUNDAI MOTOR CO.