LEMON Manuals: Even more car manuals for everyone: 1960-2025
Home >> Hyundai >> 2003 >> XG 350 V6-3.5L >> Repair and Diagnosis >> Diagrams >> Exploded Views >> Engine >> Intake Manifold
April 5, 2026: LEMON Manuals is launched! Read the announcement.

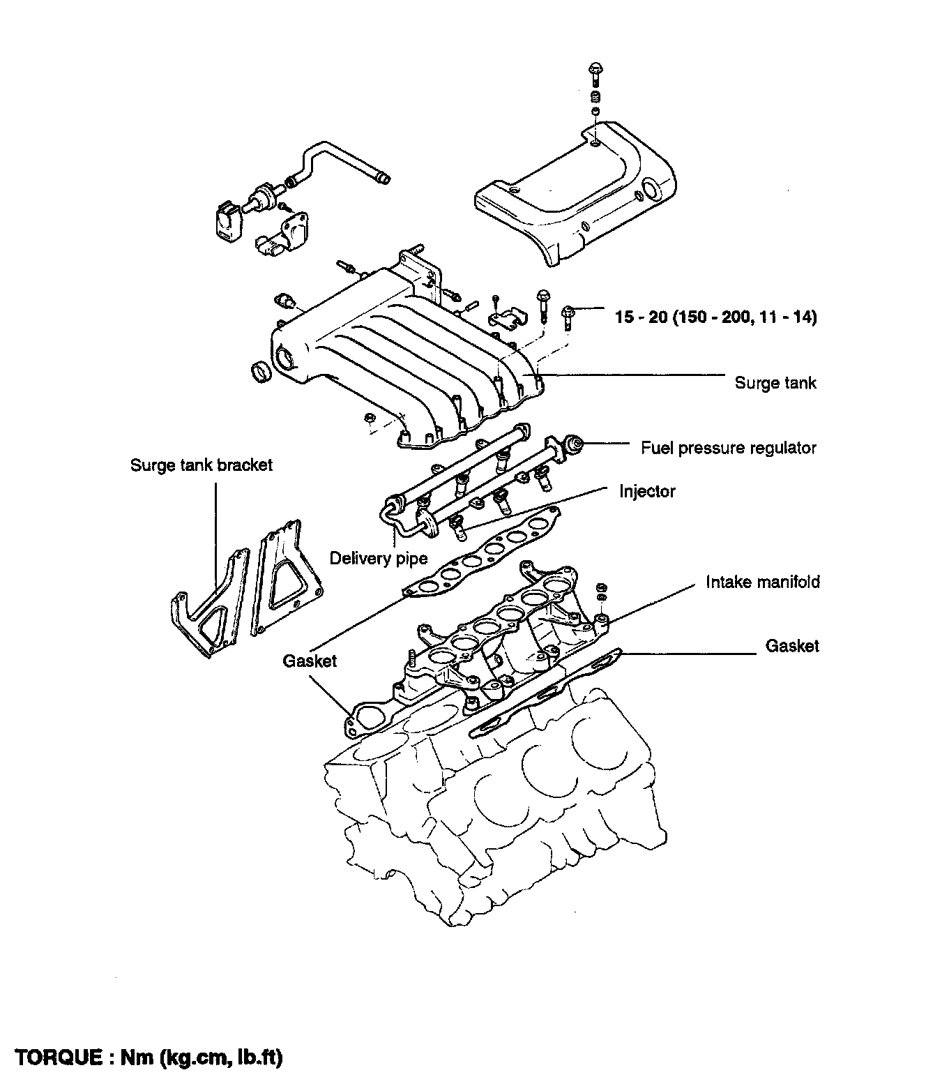
Intake Manifold