LEMON Manuals: Even more car manuals for everyone: 1960-2025
Home >> Hyundai >> 2003 >> XG 350 V6-3.5L >> Repair and Diagnosis >> Powertrain Management >> Computers and Control Systems >> Relays and Modules - Computers and Control Systems >> Electronic Throttle Control Module >> Testing and Inspection >> Harness Inspection
April 5, 2026: LEMON Manuals is launched! Read the announcement.

Harness Inspection




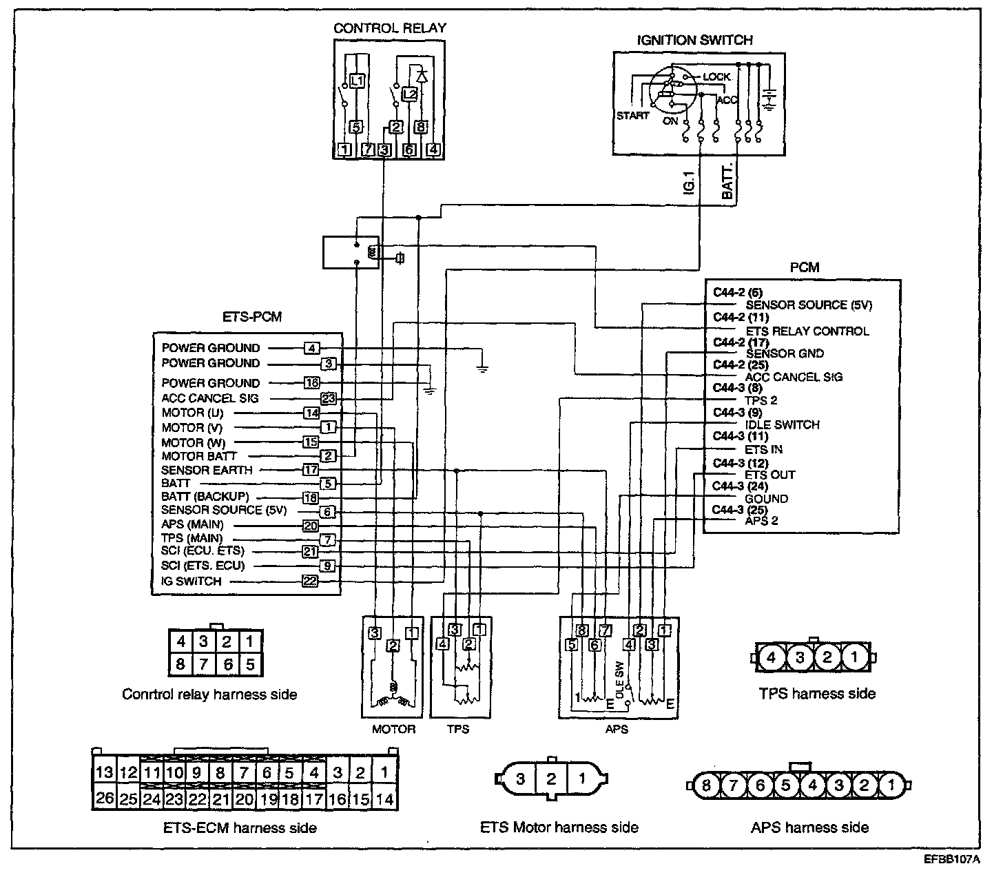
ELECTRONIC THROTTLE SYSTEM (ETS) & ACCEL. POSITION SENSOR (APS)

Circuit Diagram:






Harness Inspection Procedures 1 - 4:




Harness Inspection Procedure 5: