LEMON Manuals: Even more car manuals for everyone: 1960-2025
Home >> Hyundai >> 2004 >> Accent L4-1.6L >> Repair and Diagnosis >> Diagrams >> Exploded Views >> Heater Core Case
April 5, 2026: LEMON Manuals is launched! Read the announcement.

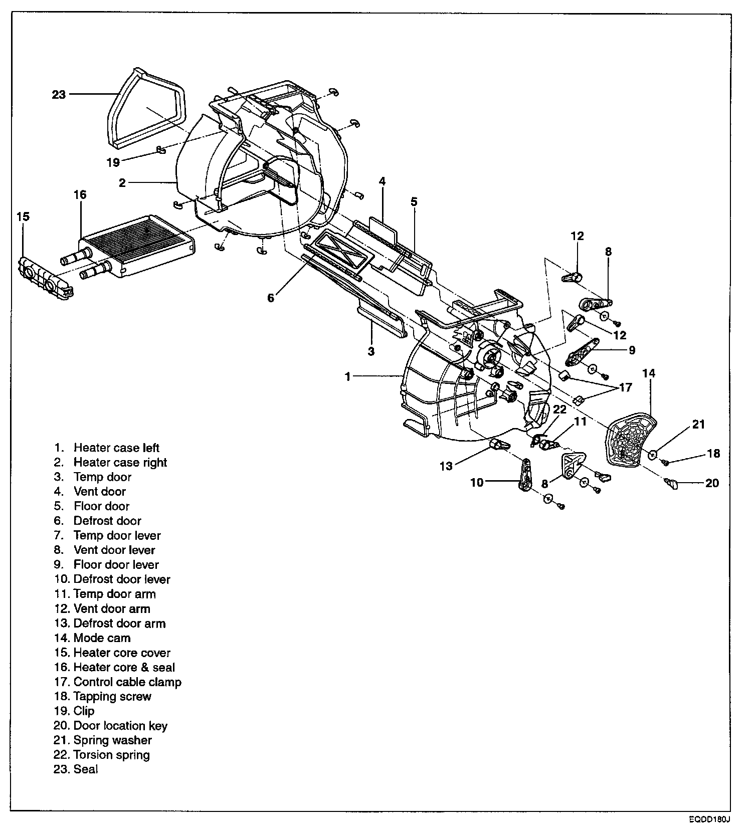
Heater Core Case

Heater Unit: