LEMON Manuals: Even more car manuals for everyone: 1960-2025
Home >> Hyundai >> 2004 >> Elantra GLS, Standard >> Repair and Diagnosis >> Engine Performance >> System >> Emission Control System >> Evaporative Emission Control System >> Components
April 5, 2026: LEMON Manuals is launched! Read the announcement.

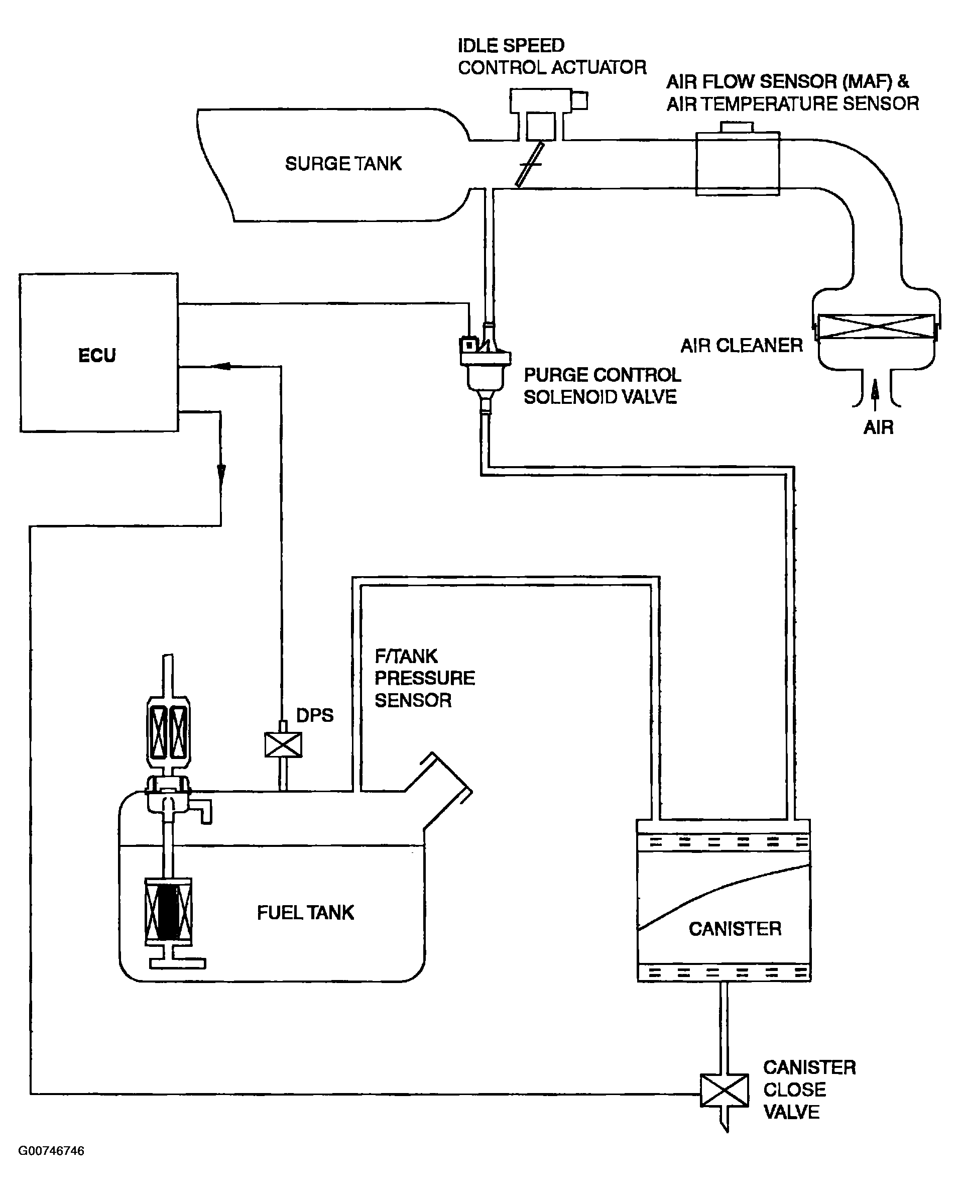
Evaporative Emission Control System: Components

Fig 1: Evaporative Emission Control System Diagram
G00746746Courtesy of HYUNDAI MOTOR CO.