LEMON Manuals: Even more car manuals for everyone: 1960-2025
Home >> Hyundai >> 2004 >> Elantra L4-2.0L >> Repair and Diagnosis >> Powertrain Management >> Computers and Control Systems >> Relays and Modules - Computers and Control Systems >> Body Control Module >> Diagrams >> Diagram Information and Instructions >> Schematic Diagrams
April 5, 2026: LEMON Manuals is launched! Read the announcement.

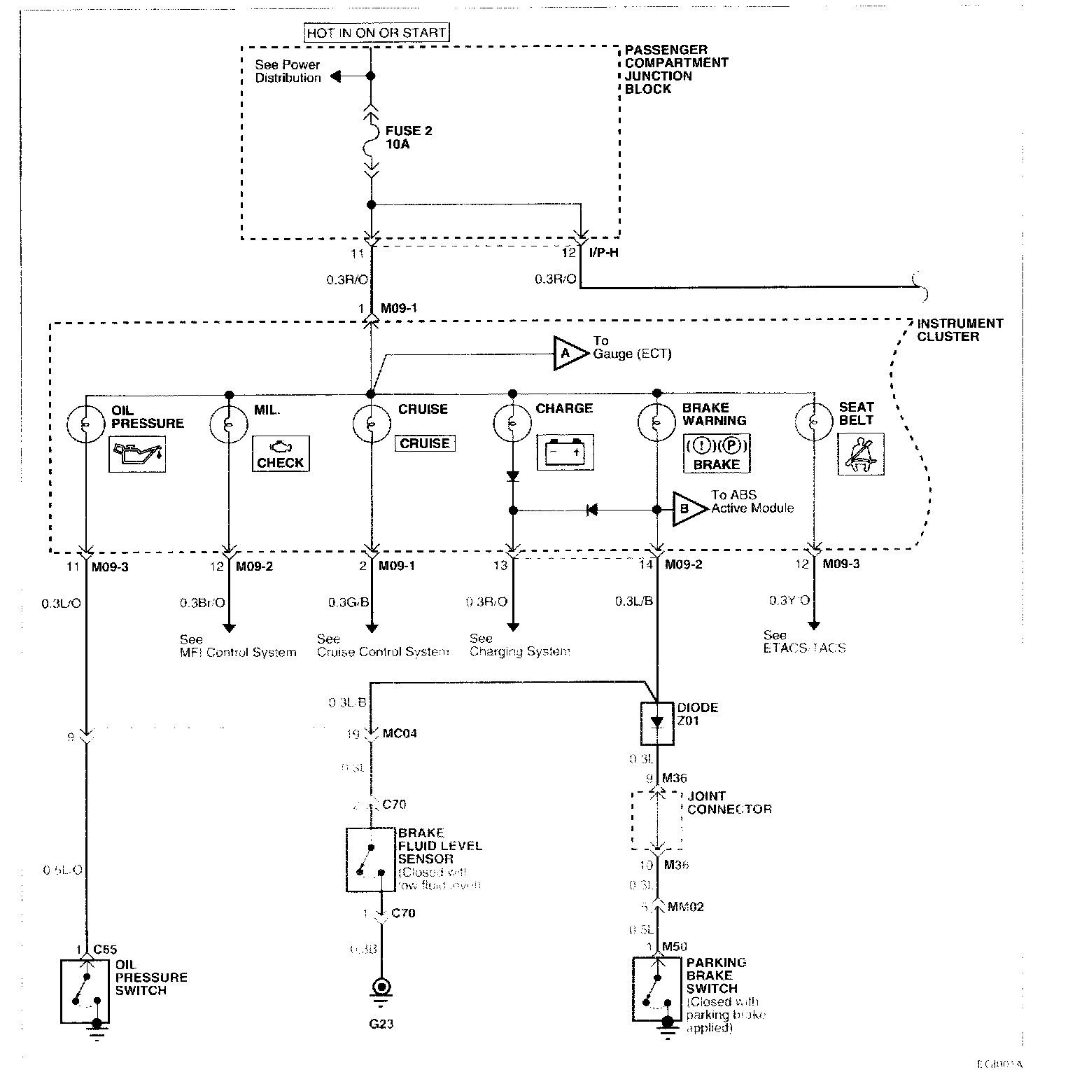
Schematic Diagrams




The starting point of each system section is the schematic diagram. These diagrams show how all the components work together, such as electrical current paths from power source to ground(via electrical load), switch connections at each position, and other related circuit functions.

It is important to fully understand how a circuit works prior to troubleshooting and diagnosis.