LEMON Manuals: Even more car manuals for everyone: 1960-2025
Home >> Hyundai >> 2004 >> Santa Fe LX, AWD >> Repair and Diagnosis >> Engine Performance >> Engine Control Systems >> Fuel System (3.5L) >> MFI Control System >> Electric Throttle System >> Circuit Diagram
April 5, 2026: LEMON Manuals is launched! Read the announcement.

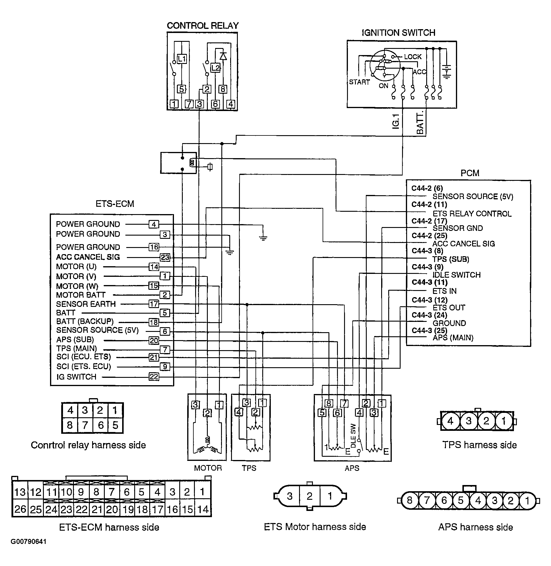
Circuit Diagram

Fig 1: Electronic Throttle System & Accelerator Position Sensor Circuit Diagram
G00790641Courtesy of HYUNDAI MOTOR CO.