LEMON Manuals: Even more car manuals for everyone: 1960-2025
Home >> Hyundai >> 2004 >> Santa Fe LX, AWD >> Repair and Diagnosis >> Transmission >> Transfer Case Assembly >> Transfer Case Assembly >> Coupling Assembly >> System Schematics
April 5, 2026: LEMON Manuals is launched! Read the announcement.

System Schematics

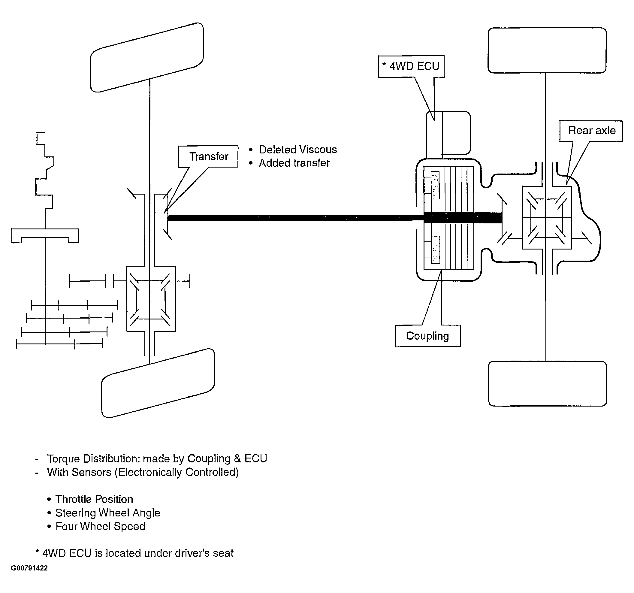
Fig 1: System Schematics
G00791422Courtesy of HYUNDAI MOTOR CO.