LEMON Manuals: Even more car manuals for everyone: 1960-2025
Home >> Hyundai >> 2004 >> Santa Fe V6-3.5L >> Repair and Diagnosis >> Powertrain Management >> Computers and Control Systems >> Throttle Position Sensor >> Testing and Inspection
April 5, 2026: LEMON Manuals is launched! Read the announcement.

Throttle Position Sensor: Testing and Inspection

***See Also TSB 05-36-002 for further information***


THROTTLE POSITION (TP) SENSOR




The TPS is a variable resistor type that rotates with the throttle shaft to sense the throttle valve angle. As the throttle shaft rotates, the output voltage of the TPS changes. The PCM detects the throttle valve opening based on this voltage change.

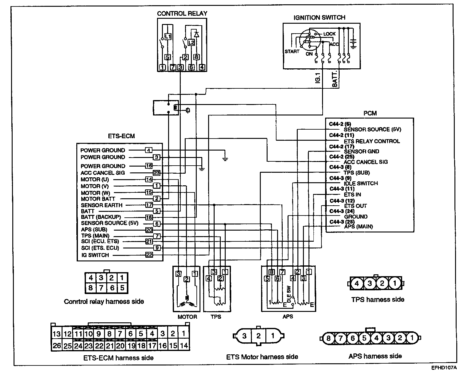
Circuit Diagram:






Harness Inspection Procedures:






TROUBLESHOOTING HINTS
The TPS signal is important in the control of the automatic transaxle. Shift shock and other trouble will occur if the sensor is faulty.

Using Hi-Scan (PRO):






INSPECTION




1. Connect a HI-SCAN (PRO) to the data link connector.

NOTE: Before inspecting the TPS, verify the basic idle speed is as specified.




2. If a HI-SCAN (PRO) is not used, connect a digital type voltmeter between ground and TPS output terminal.
3. Turn the ignition switch to the ON position(do not start engine) and check that TPS output voltage is as specified. If a HI-SCAN (PRO) is used, read the TPS voltage.
Standard value (ETS vehicle): 300 - 900 mV




4. It it is out of specification, loosen TPS mounting screws and adjust by turning the TPS.

NOTE:
- Turning the TP Sensor clockwise increases the output voltage.
- Tighten the screws securely after adjustment

5. Turn the ignition switch to the OFF position.

USING VOLTMETER
1. Disconnect the throttle position sensor connector.




2. Measure resistance between terminal 3 (sensor ground) and terminal 1 (sensor power).
Standard value: 3.5 - 6.5 k Ohm

3. If the resistance is out of standard value above, replace the throttle position sensor.

Tightening torque
1.5 - 2.5 Nm (15 - 25 kg.cm, 1.1 - 1.8 lb.ft)




4. Connect a pointer type voltmeter between terminal 3 (sensor ground) and terminal 2 (TPS main).
5. Operate the throttle valve slowly from the idle position to the full open position and check the voltage increases smoothly in proportion with the throttle valve opening angle.
6. If the voltage fails to change smoothly, replace TPS.




7. Connect a pointer type voltmeter between terminal 3 (sensor ground) and terminal 4 (TPS sub).
8. Operate the throttle valve slowly from the idle position to the full open position and check the voltage decreases smoothly in proportion with the throttle valve opening angle
9. If the voltage fails to change smoothly, replace TPS.