LEMON Manuals: Even more car manuals for everyone: 1960-2025
Home >> Hyundai >> 2004 >> Tiburon Base, Standard >> Repair and Diagnosis (Single Page) >> Brakes >> Traction Control >> Anti-Lock Brake System >> Anti-Lock Braking System Control Module >> Circuit Diagram
April 5, 2026: LEMON Manuals is launched! Read the announcement.

Circuit Diagram

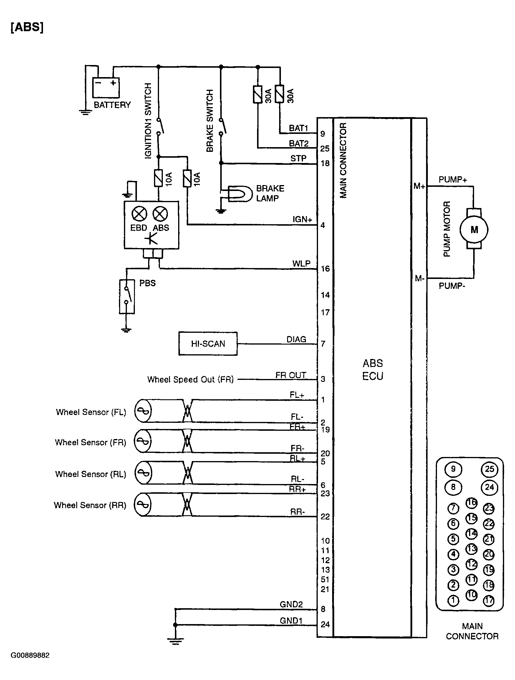
Fig 1: ABS Circuit Diagram
G00889882Courtesy of HYUNDAI MOTOR CO.
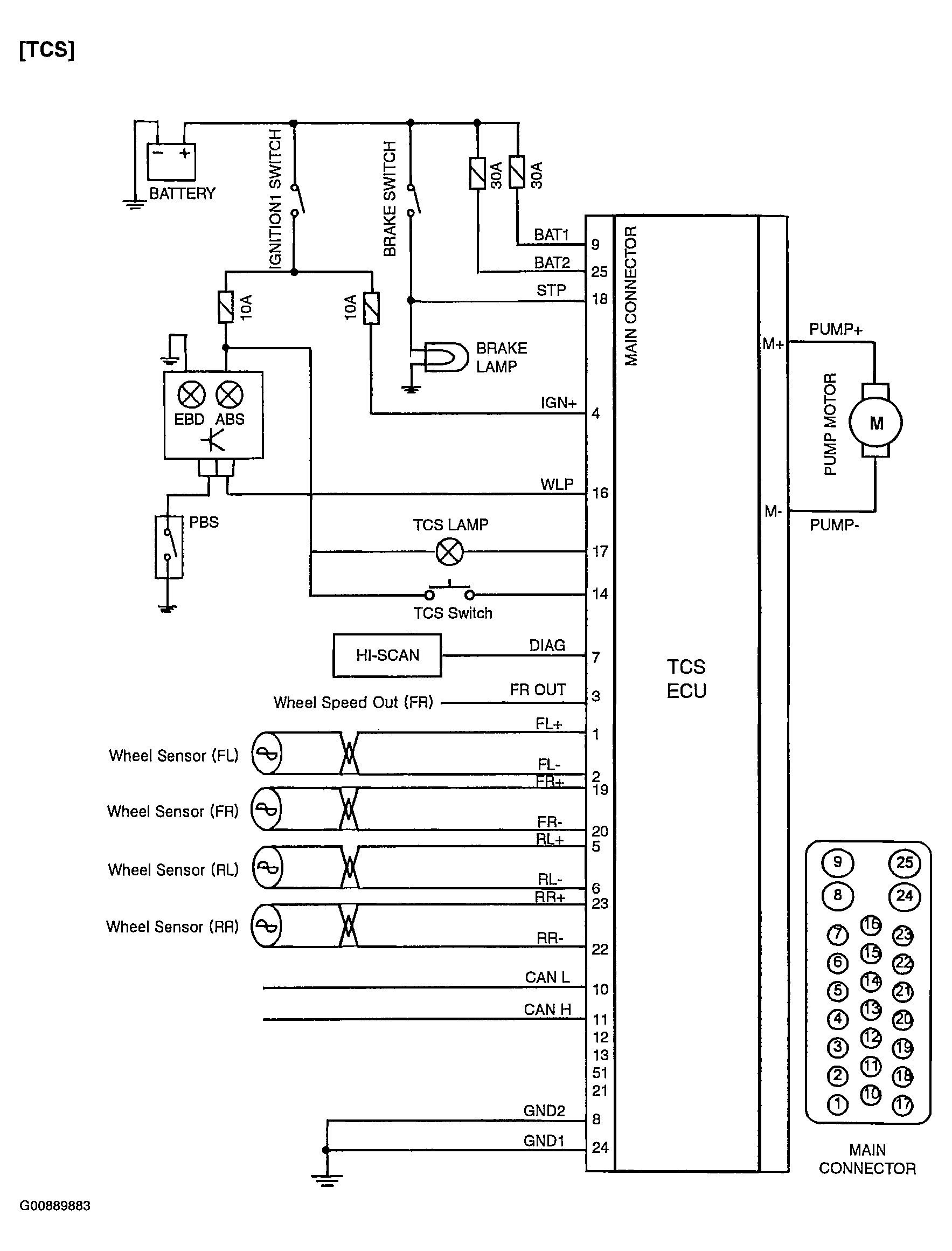
Fig 2: TCS Circuit Diagram
G00889883Courtesy of HYUNDAI MOTOR CO.