LEMON Manuals: Even more car manuals for everyone: 1960-2025
Home >> Hyundai >> 2004 >> XG350 Base >> Repair and Diagnosis (Single Page) >> Body & Frame >> Door Locks >> Immobilizer Control System >> Immobilizer Control Module >> System Block Diagram
April 5, 2026: LEMON Manuals is launched! Read the announcement.

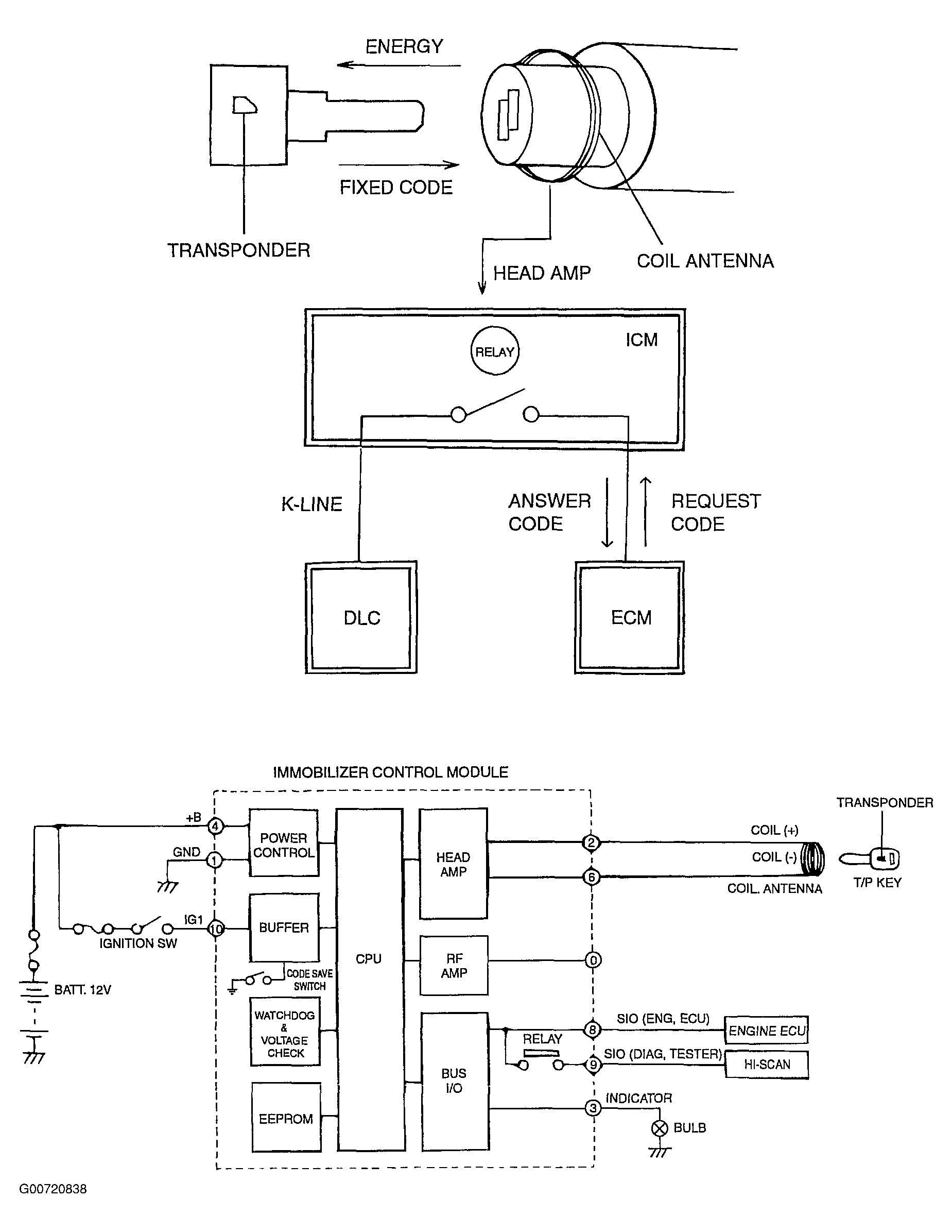
System Block Diagram

Fig 1: Immobilizer System Block Diagram
G00720838Courtesy of HYUNDAI MOTOR CO.