LEMON Manuals: Even more car manuals for everyone: 1960-2025
Home >> Hyundai >> 2004 >> XG350 Base >> Repair and Diagnosis >> Body & Frame >> Power Windows >> Power Windows >> Circuit Diagram (With IMS) >> Notes
April 5, 2026: LEMON Manuals is launched! Read the announcement.

Circuit Diagram (With IMS): Notes

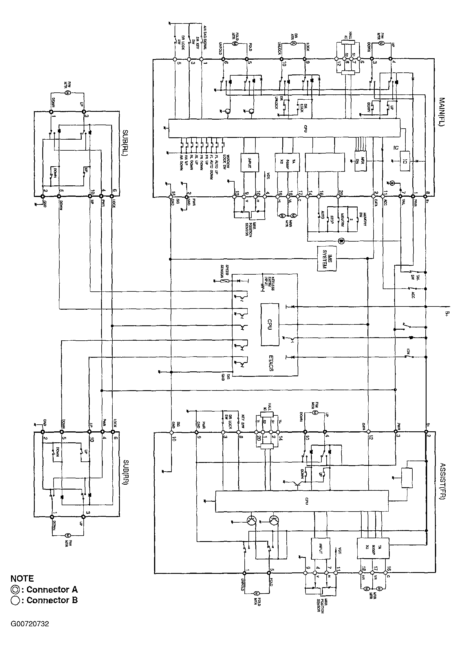
Fig 1: Power Window Circuit Diagram (With IMS)
G00720732Courtesy of HYUNDAI MOTOR CO.