LEMON Manuals: Even more car manuals for everyone: 1960-2025
Home >> Hyundai >> 2005 >> Accent L4-1.6L >> Repair and Diagnosis >> Powertrain Management >> Computers and Control Systems >> Relays and Modules - Computers and Control Systems >> Body Control Module >> Diagrams >> Electrical Diagrams >> Schematic Diagrams (From ETM)
April 5, 2026: LEMON Manuals is launched! Read the announcement.

Schematic Diagrams (From ETM)

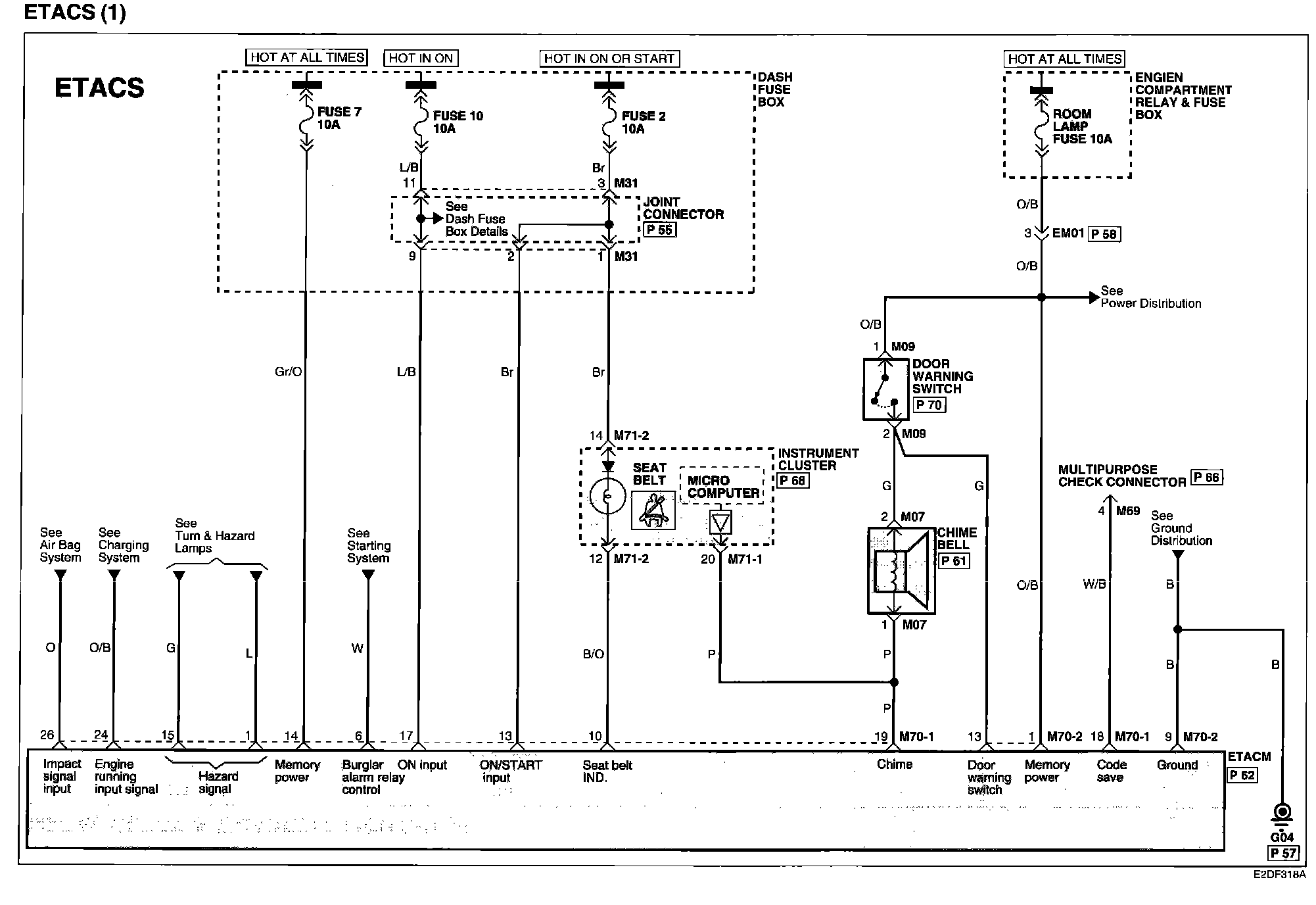
ETACS (1):




ETACS (2):




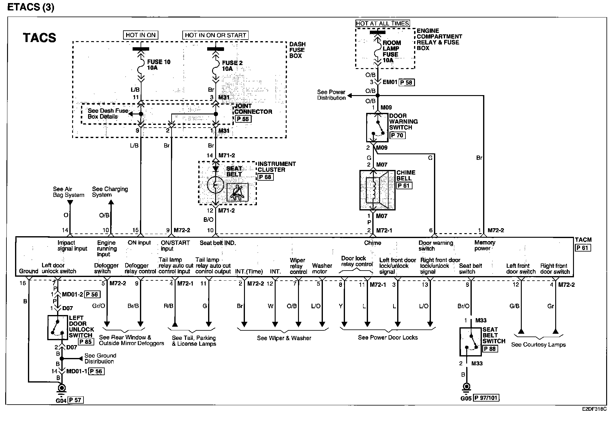
ETACS (3) TACS:




ETACS (4) Connector Pin Outs:






Locations: Location photographs (references to PHOTOS) referred to within these diagrams can be found at the vehicle level under Locations by Photo Number. Component Locations

Connector Views: The Connector Pin Out Views for connectors shown on these diagrams can be found on the Connector Pin Out images that follow most sets of system diagrams.