LEMON Manuals: Even more car manuals for everyone: 1960-2025
Home >> Hyundai >> 2005 >> XG350 Base >> Repair and Diagnosis (Single Page) >> Engine Performance >> Engine Control Systems >> Fuel System >> MFI Control System >> Throttle Position (TP) Sensor >> Circuit Diagram
April 5, 2026: LEMON Manuals is launched! Read the announcement.

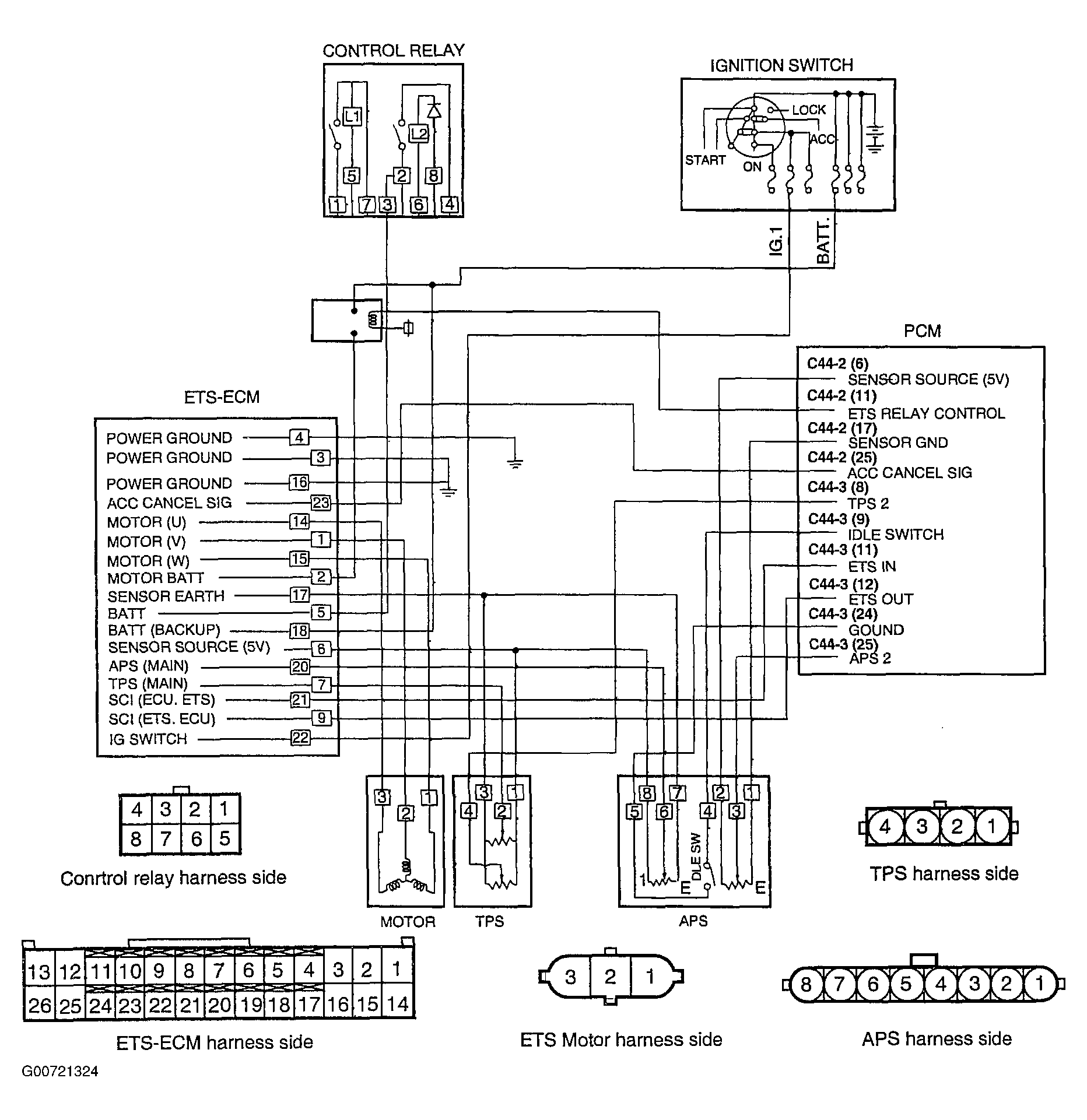
Circuit Diagram

Fig 1: TP Sensor Circuit Diagram
G00721324Courtesy of HYUNDAI MOTOR CO.