LEMON Manuals: Even more car manuals for everyone: 1960-2025
Home >> Hyundai >> 2006 >> Accent L4-1.6L >> Repair and Diagnosis >> Diagrams >> Electrical Diagrams >> Powertrain Management >> Computers and Control Systems >> Body Control Module
April 5, 2026: LEMON Manuals is launched! Read the announcement.

Body Control Module

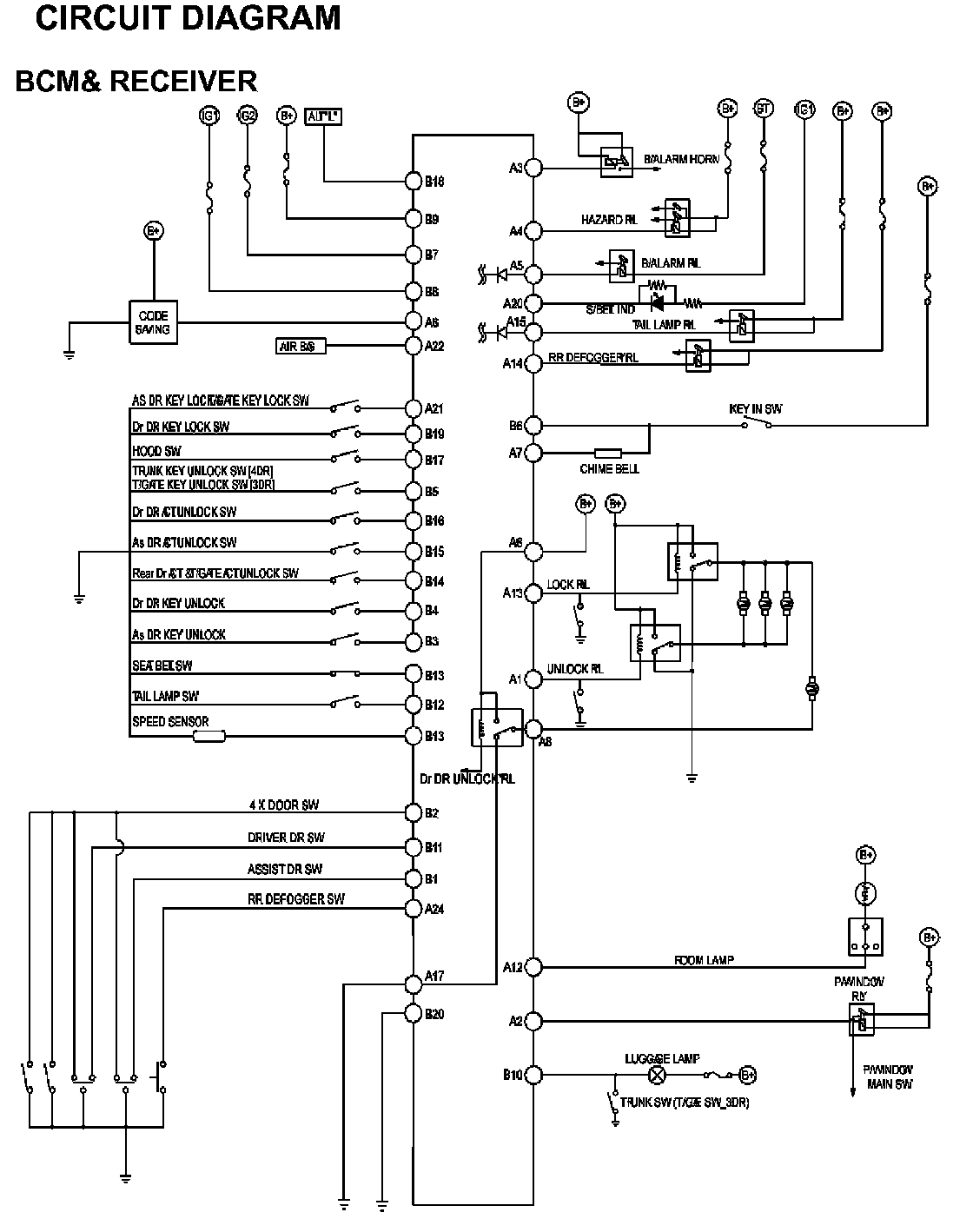
Circuit Diagram - BCM & RECEIVER:



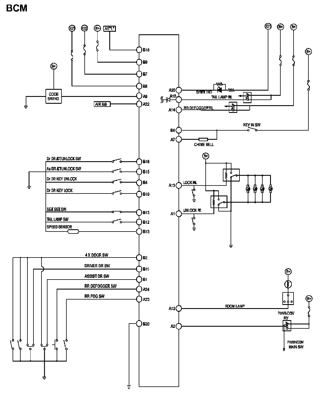
Circuit Diagram - BCM: