LEMON Manuals: Even more car manuals for everyone: 1960-2025
Home >> Hyundai >> 2006 >> Accent L4-1.6L >> Repair and Diagnosis >> Powertrain Management >> Computers and Control Systems >> Fuel Level Sensor >> Locations
April 5, 2026: LEMON Manuals is launched! Read the announcement.

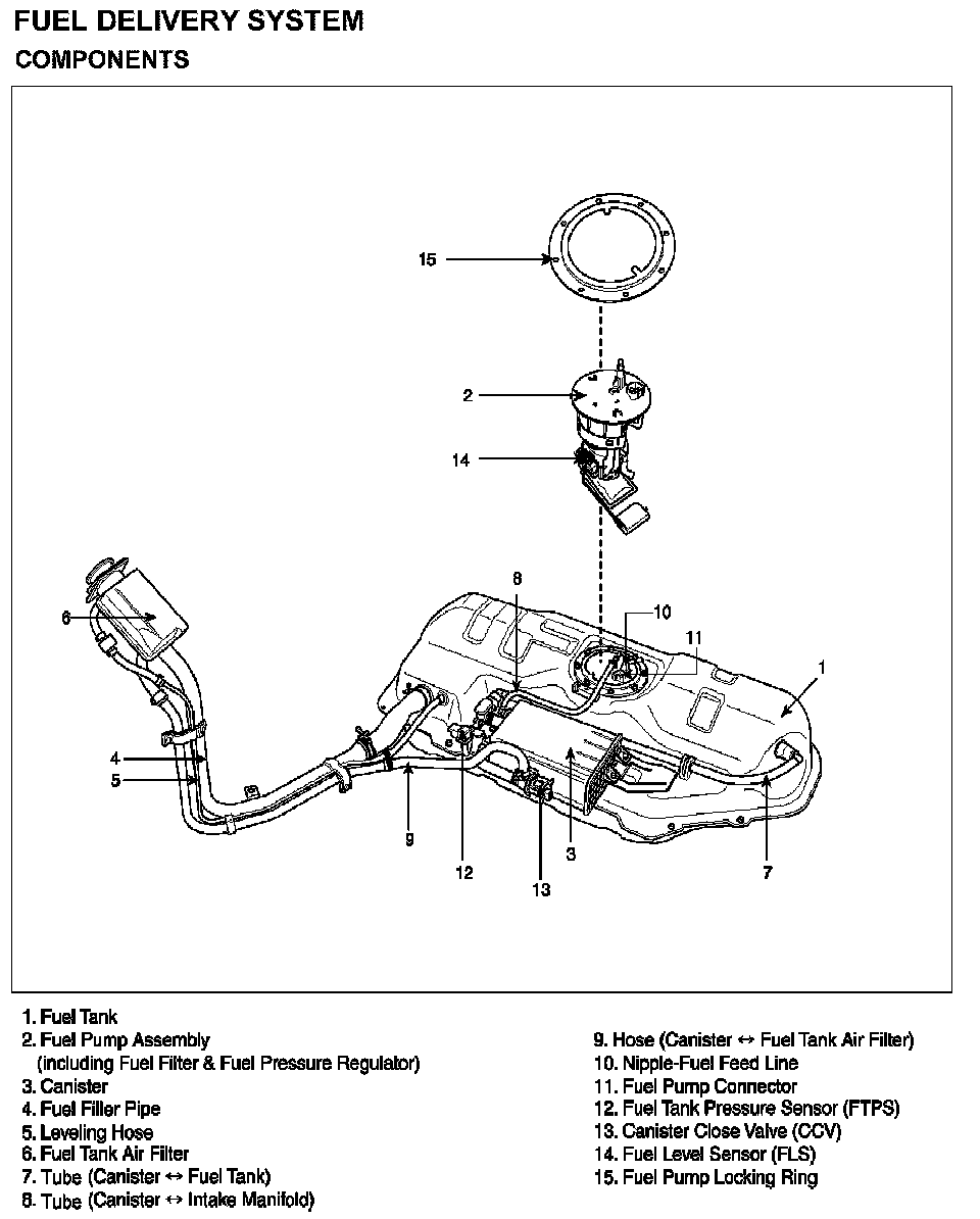
Fuel Level Sensor: Locations

Fuel Level Sensor:



Fuel Delivery System: