LEMON Manuals: Even more car manuals for everyone: 1960-2025
Home >> Hyundai >> 2006 >> Accent Standard >> Repair and Diagnosis (Single Page) >> Brakes >> Traction Control >> Abs (Anti-Lock Brake System) >> Anti-Lock Braking System Control Module >> Components
April 5, 2026: LEMON Manuals is launched! Read the announcement.

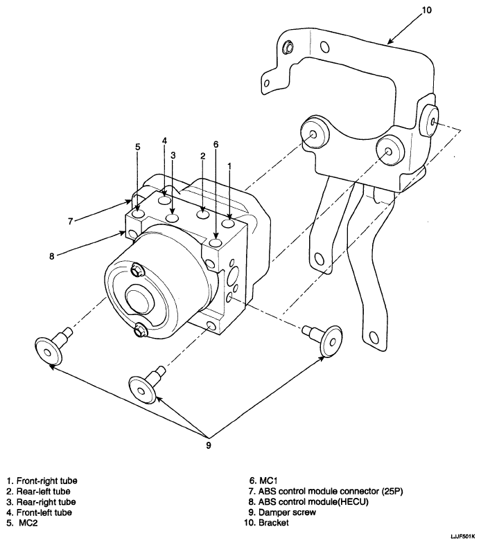
Anti-Lock Braking System Control Module: Components

Fig 1: Identifying Anti-Lock Braking System Control Module Components
G04802645Courtesy of HYUNDAI MOTOR CO.