LEMON Manuals: Even more car manuals for everyone: 1960-2025
Home >> Hyundai >> 2006 >> Accent Standard >> Repair and Diagnosis >> Engine Performance >> Engine Control Systems >> Fuel System (G4ED-GSL 1.6) >> Powertrain Control Module (Pcm) >> Circuit Diagram >> [A/T]
April 5, 2026: LEMON Manuals is launched! Read the announcement.

Circuit Diagram: [A/T]

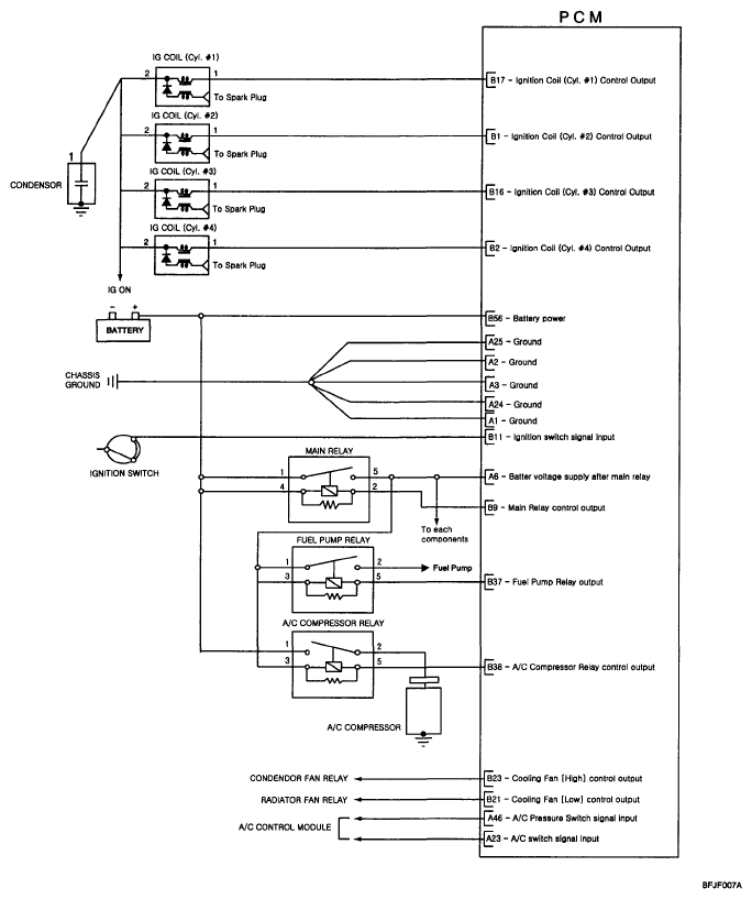
Fig 1: Fuel System Circuit Diagram - A/T (1 Of 4)
G04801512
Fig 2: Fuel System Circuit Diagram - A/T (2 Of 4)
G04801513
Fig 3: Fuel System Circuit Diagram - A/T (3 Of 4)
G04801514
Fig 4: Fuel System Circuit Diagram - A/T (4 Of 4)
G04801515