LEMON Manuals: Even more car manuals for everyone: 1960-2025
Home >> Hyundai >> 2006 >> Accent Standard >> Repair and Diagnosis >> Engine Performance >> Engine Control Systems >> Fuel System (G4ED-GSL 1.6) >> Powertrain Control Module (Pcm) >> Circuit Diagram >> [M/T]
April 5, 2026: LEMON Manuals is launched! Read the announcement.

Circuit Diagram: [M/T]

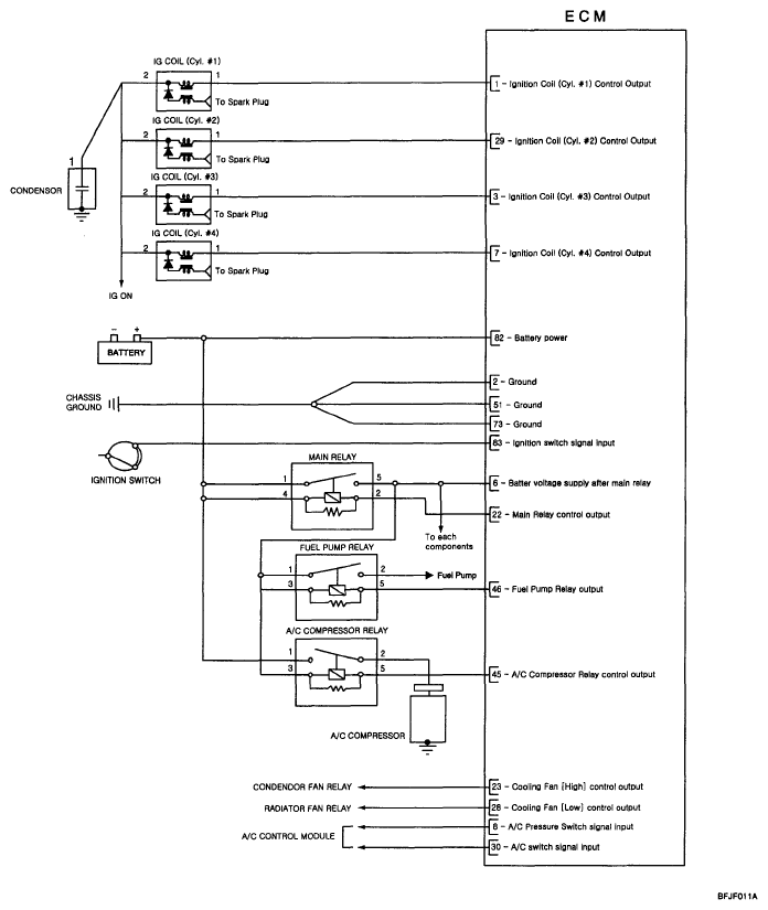
Fig 1: Fuel System Circuit Diagram - M/T (1 Of 4)
G04801516
Fig 2: Fuel System Circuit Diagram - M/T (2 Of 4)
G04801517
Fig 3: Fuel System Circuit Diagram - M/T (3 Of 4)
G04801518
Fig 4: Fuel System Circuit Diagram - M/T (4 Of 4)
G04801519