LEMON Manuals: Even more car manuals for everyone: 1960-2025
Home >> Hyundai >> 2006 >> Elantra Limited >> Repair and Diagnosis (Single Page) >> Quick Lookups >> Wiring Diagrams >> OEM Connector End Views >> Connector End Views >> Door Lock Control Module 9-Pin Connector End View
April 5, 2026: LEMON Manuals is launched! Read the announcement.

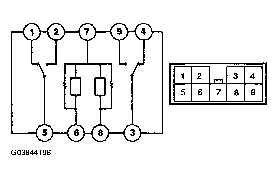
Door Lock Control Module 9-Pin Connector End View

Fig 1: Door Lock Control Module 9-Pin Connector End View
G03844196Courtesy of HYUNDAI MOTOR AMERICA